GM Service Manual Online
For 1990-2009 cars only
Makes
🢒
Pontiac
🢒
2006
🢒
G6
🢒
Vehicle Control Systems
🢒
Vehicle DTC Information
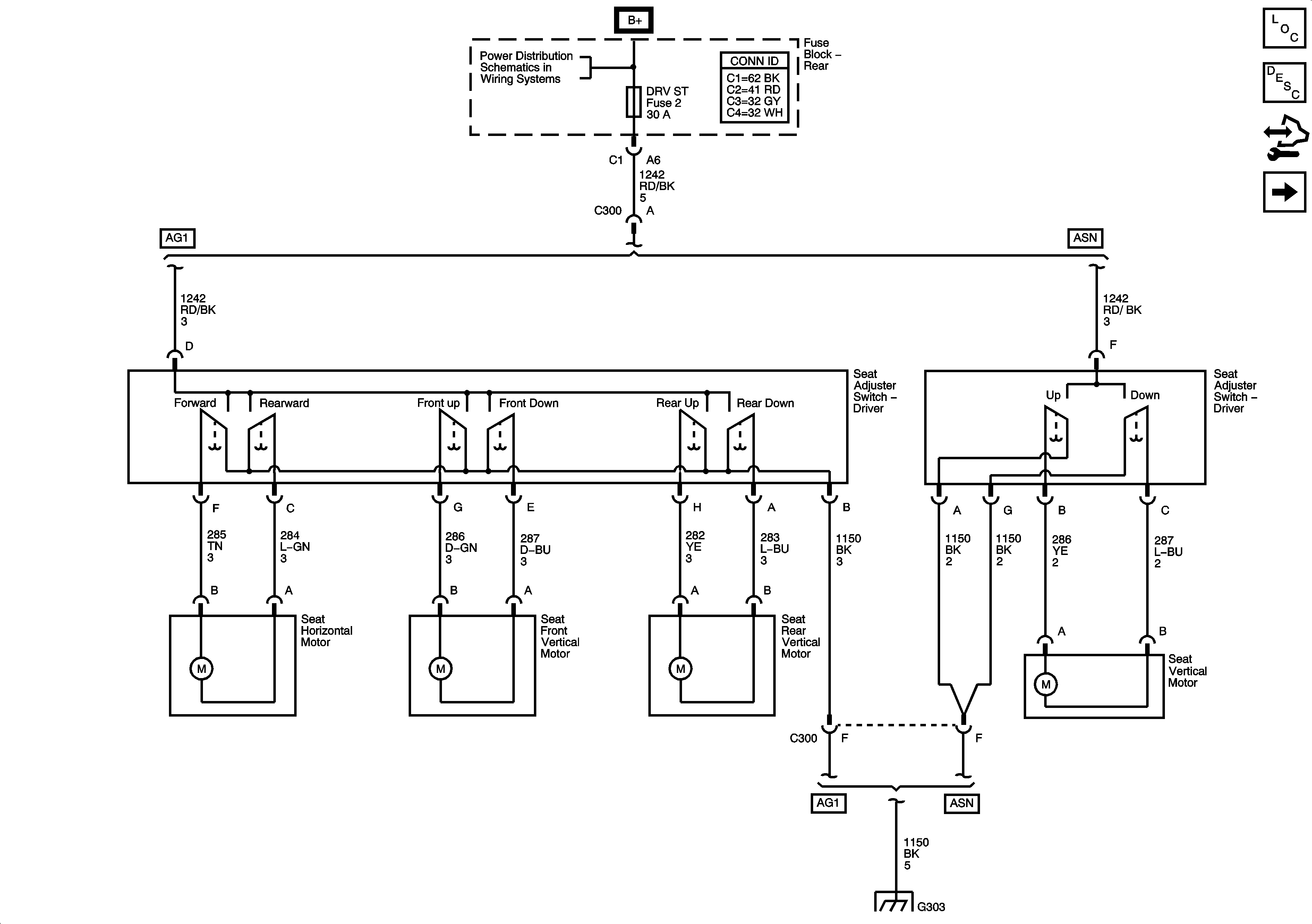
🢒 Driver Seat Schematics
Figure
1:
Power Driver Seat
Master Electrical Component List
Power Seats System Description and Operation
Control Module References
Heated Driver Seat
Underhood Fuse Block RBEC 2, RUN RLY, Body Control Module (BCM), HVAC BLOWER HIGH Relay, RUN Relay, HVAC BLOWER, HVAC CTRL (IGN) Rear Fuse Block FUEL Relay, PARK LP Relay, TRUNK Relay, DRV ST, EMISSIO
G303
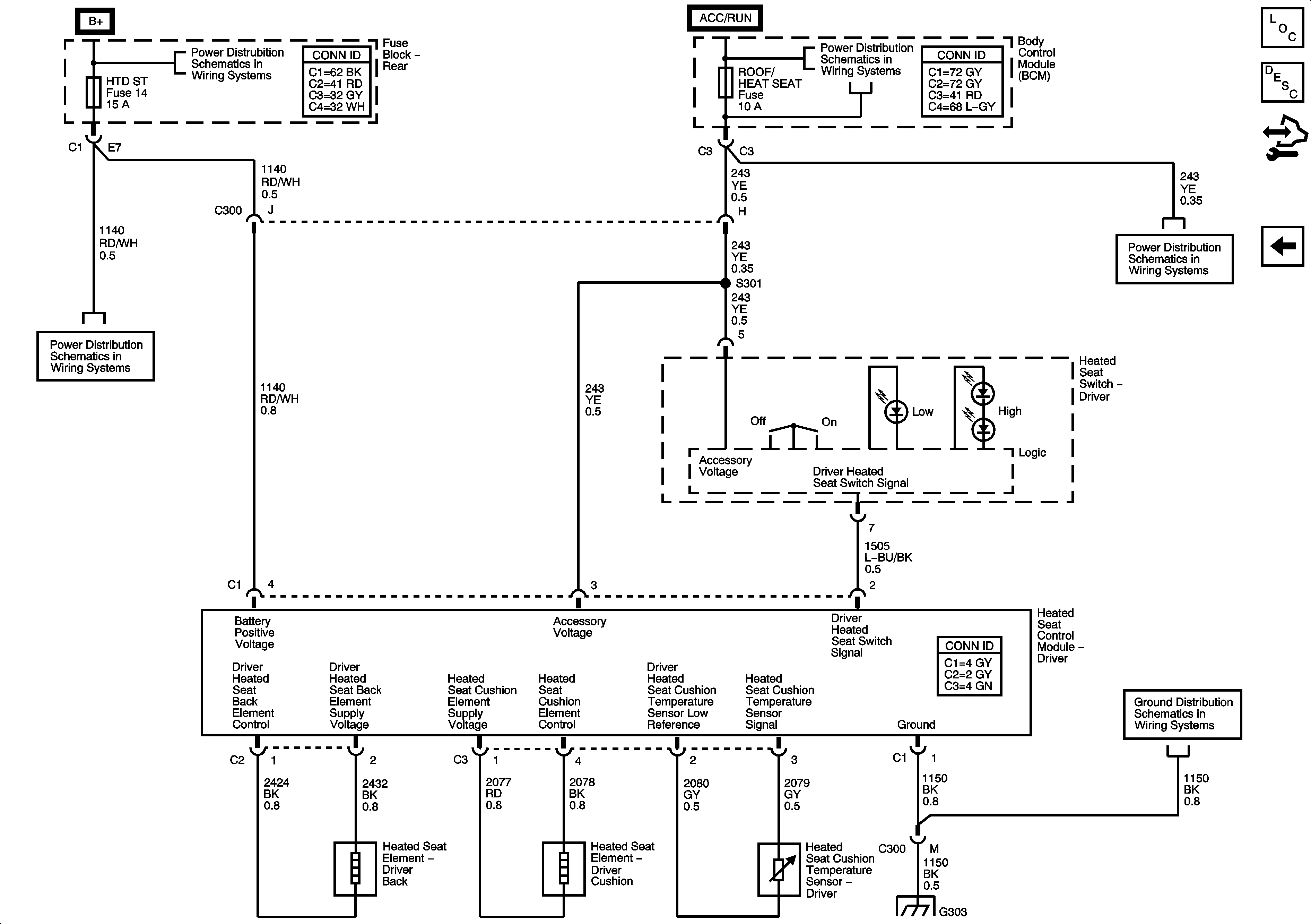
Figure
2:
Heated Driver Seat
Master Electrical Component List
Heated Seats Description and Operation
Control Module References
Underhood Fuse Block RBEC 1 Fuse and Rear Fuse Block AUDIO AMP, BACK UP LP, CIG/AUX, HTD ST, RKE/XM/DVD/VGD, RR DEFOG RR DEFOG and SUN RF Fuses
Underhood Fuse Block RBEC 1 Fuse and Rear Fuse Block AUDIO AMP, BACK UP LP, CIG/AUX, HTD ST, RKE/XM/DVD/VGD, RR DEFOG RR DEFOG and SUN RF Fuses
Underhood Fuse Block IBCM 2, Body Control Module (BCM) ACCESSORY Relay, DOOR LOCK, POWER WINDOWS, ROOF/HEAT SEAT and WPR SW Fuses
Underhood Fuse Block IBCM 2, Body Control Module (BCM) ACCESSORY Relay, DOOR LOCK, POWER WINDOWS, ROOF/HEAT SEAT and WPR SW Fuses
G303
G303