GM Service Manual Online
For 1990-2009 cars only
Makes
🢒
Pontiac
🢒
2006
🢒
G6
🢒
Vehicle Control Systems
🢒
Vehicle DTC Information
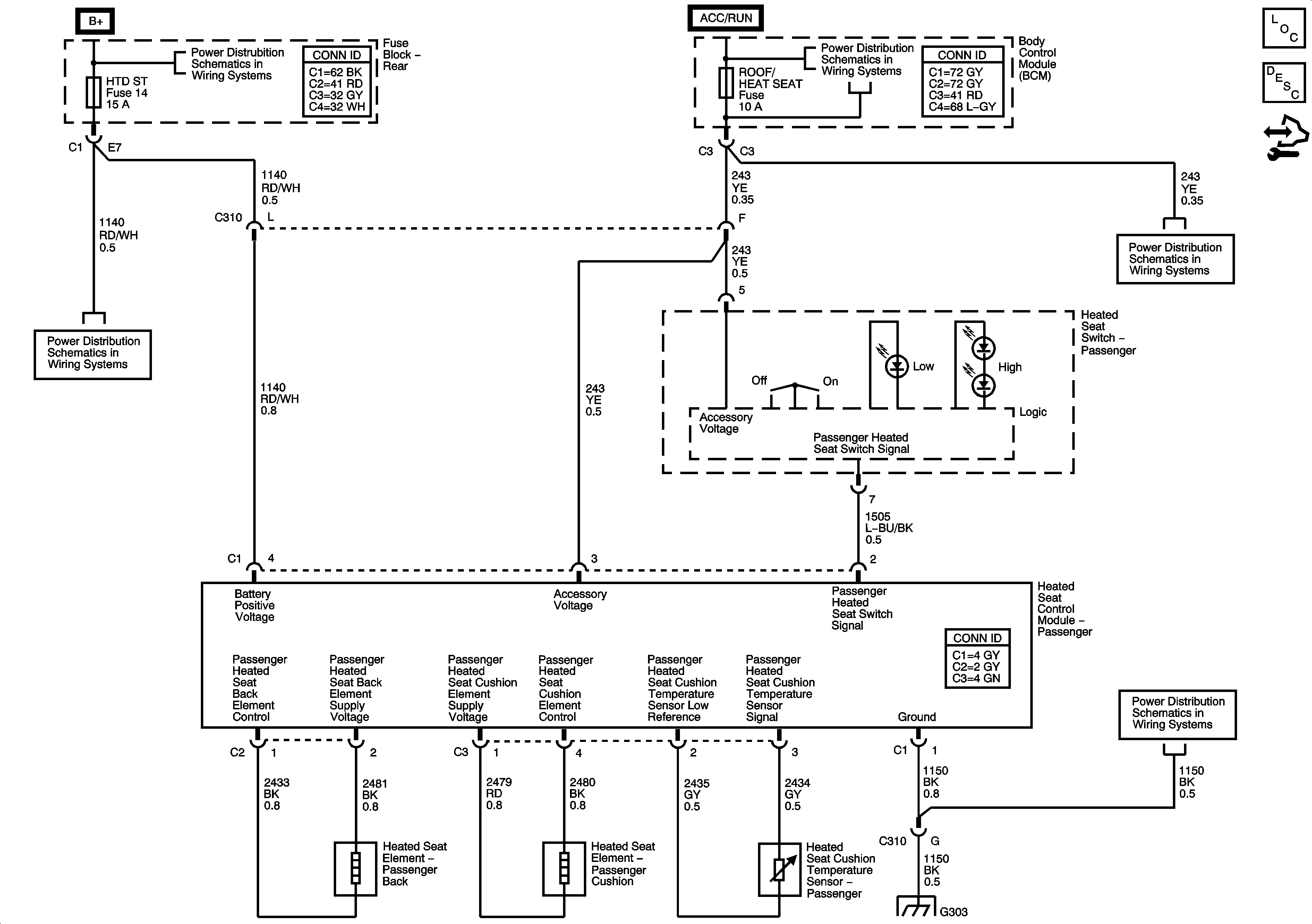
🢒 Passenger Seat Schematics
Master Electrical Component List
Heated Seats Description and Operation
Control Module References
Underhood Fuse Block RBEC 1 Fuse and Rear Fuse Block AUDIO AMP, BACK UP LP, CIG/AUX, HTD ST, RKE/XM/DVD/VGD, RR DEFOG RR DEFOG and SUN RF Fuses
Underhood Fuse Block RBEC 1 Fuse and Rear Fuse Block AUDIO AMP, BACK UP LP, CIG/AUX, HTD ST, RKE/XM/DVD/VGD, RR DEFOG RR DEFOG and SUN RF Fuses
Underhood Fuse Block IBCM 2, Body Control Module (BCM) ACCESSORY Relay, DOOR LOCK, POWER WINDOWS, ROOF/HEAT SEAT and WPR SW Fuses
Underhood Fuse Block IBCM 2, Body Control Module (BCM) ACCESSORY Relay, DOOR LOCK, POWER WINDOWS, ROOF/HEAT SEAT and WPR SW Fuses
G303
G303