GM Service Manual Online
For 1990-2009 cars only

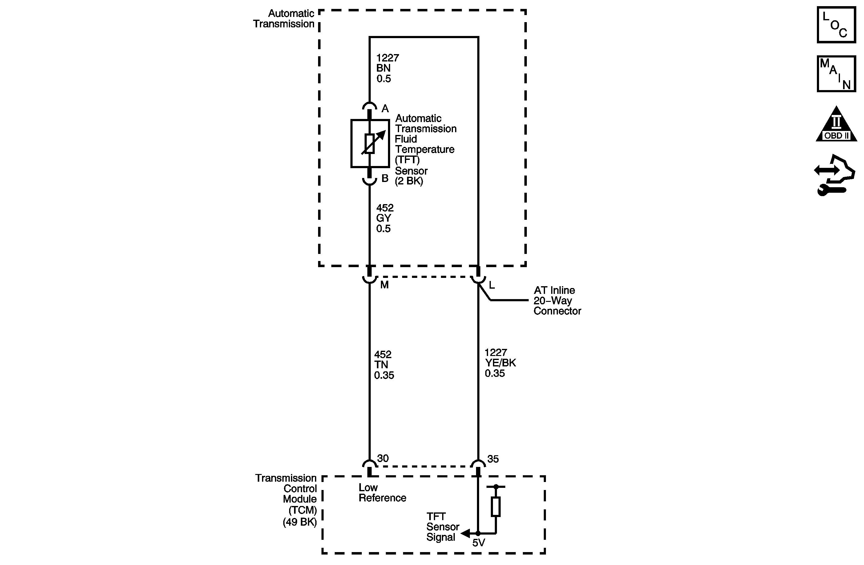
Object Number: 1595167  Size: MF
Master Electrical Component List
Automatic Transmission Controls Schematics
OBD II Symbol Description Notice
Control Module References

Circuit Description

The automatic transmission fluid temperature (TFT) sensor is a negative coefficient thermistor whose resistance value changes based on temperature. The transmission control module (TCM) provides a 5-volt reference to the sensor. A low fluid temperature, an open TFT sensor or sensor circuit results in high signal voltage. The TFT operating range is -40 to +151°C (-40 to +304°F).

If the TCM detects a continuous open or a short to voltage on the TFT sensor circuit, then DTC P0713 sets. DTC P0713 is a type C DTC.

DTC Descriptor

This diagnostic procedure supports the following DTC:

DTC P0713 Transmission Fluid Temperature (TFT) Sensor Circuit High Voltage

Conditions for Running the DTC

    • No ISS DTC P0716 or P0717.
    • No VSS DTC P0722 or P0723.
    • The engine speed is greater than 500 RPM for 5 seconds.
    • The output speed is 70 RPM or greater for 200 seconds cumulatively.
    • The TCC slip speed is 120 RPM or greater for 200 seconds cumulatively.

Conditions for Setting the DTC

The TCM detects a TFT less than -40°C (-40°F) for 80 seconds.

Action Taken When the DTC Sets

    • The TCM does not request the engine control module (ECM) to illuminate the malfunction indicator lamp (MIL).
    • The TCM freezes transmission adaptive functions.
    • The TCM calculates a default TFT from the ECT sensor, the IAT sensor and engine run time.
    • The TCM records the operating conditions when the Conditions for Setting the DTC are met. The TCM stores this information as Failure Records.
    • The TCM stores DTC P0713 in TCM history.

Conditions for Clearing the DTC

    • A scan tool can clear the DTC.
    • The TCM clears the DTC from TCM history if the vehicle completes 40 warm-up cycles without a non-emission related diagnostic fault occurring.
    • The TCM cancels the DTC default actions when the fault no longer exists and the DTC passes.

Test Description

The numbers below refer to the step numbers on the diagnostic table.

  1. A value of 4.9-5.0-volts indicates the TCM and engine side of the wiring are good.

  2. A short to voltage greater than 5-volts would cause the TFT sensor to open.

  3. A short to the TFT sensor signal circuit and any other circuits in the transmission harness could cause the TFT sensor to open.

Step

Action

Values

Yes

No

1

Did you perform the Diagnostic System Check - Vehicle?

--

Go to Step 2

Go to Diagnostic System Check - Vehicle

2

  1. Install a scan tool.
  2. Turn ON the ignition with the engine OFF.
  3. Important: Before clearing the DTCs, use the scan tool in order to record the Failure Records for reference. Using the Clear Info function will erase the stored Failure Records from the TCM.

  4. Record the Failure Records.
  5. Clear the DTCs.
  6. With a scan tool, observe the TFT Sensor parameter.

Does the scan tool display a TFT Sensor voltage greater than the specified value?

-40°C (-40°F)

Go to Testing for Intermittent Conditions and Poor Connections

Go to Step 3

3

  1. Turn OFF the ignition.
  2. Disconnect the automatic transmission inline 20-way connector.
  3. Connect the J 44152 jumper harness to the engine side of the 20-way connector.
  4. Using the J 35616 GM-approved terminal test kit, connect a DMM to the TFT sensor circuit of the J 44152 . Refer to Automatic Transmission Inline 20-Way Connector End View .
  5. Turn ON the ignition with the engine OFF.
  6. Observe the voltage on the DMM.

Does the voltage measure within the specified range?

4.9-5.0 V

Go to Step 7

Go to Step 4

4

Does the voltage in Step 3 measure greater than the specified value?

5.0 V

Go to Step 6

Go to Step 5

5

  1. Test the signal circuit of the TFT sensor for an open between the TCM and the automatic transmission inline 20-way connector.
  2. Test the low reference circuit of the TFT sensor for an open between the TCM and the automatic transmission inline 20-way connector.

Refer to Testing for Continuity and Wiring Repairs .

Did you find and correct the condition?

--

Go to Step 14

Go to Step 13

6

Test the signal circuit of the TFT sensor for a short to voltage between the TCM and the automatic transmission inline 20-way connector. Refer to Testing for a Short to Voltage and Wiring Repairs .

Did you find and correct the condition?

--

Go to Step 11

Go to Step 13

7

  1. Turn OFF the ignition.
  2. Disconnect the automatic transmission inline 20-way connector. Additional DTCs may set.
  3. Install the J 44152 on the transmission side of the 20-way connector.
  4. Using the DMM, measure the resistance of the TFT sensor circuit of the J 44152 . Refer to Automatic Transmission Inline 20-Way Connector End View .

Is the resistance less than the specified value?

100 K ohms

Go to Step 9

Go to Step 8

8

  1. Test the signal circuit of the TFT sensor for an open between the automatic transmission inline 20-way connector and the TFT sensor.
  2. Test the low reference circuit of the TFT sensor for an open between the automatic transmission inline 20-way connector and the TFT sensor.

Refer to Testing for Continuity .

Did you find the condition?

--

Go to Step 10

Go to Step 12

9

Measure the resistance between the TFT sensor signal and all other terminals, except the TFT sensor low reference, of the J 44152 .

Is the resistance greater than the specified value?

1,000 ohms

Go to Testing for Intermittent Conditions and Poor Connections

Go to Step 10

10

Replace the automatic transmission wiring harness assembly. Refer to Wiring Harness Replacement .

Did you complete the replacement?

--

Go to Step 11

--

11

Did you repair the engine harness or replace the transmission harness because of a short to power or other circuit?

--

Go to Step 12

Go to Step 14

12

Replace the automatic transmission fluid temperature sensor. Refer to Fluid Temperature Sensor Replacement .

Did you complete the replacement?

--

Go to Step 14

--

13

Replace the TCM. Refer to Control Module References for replacement, setup and programming.

Did you complete the replacement?

--

Go to Step 14

--

14

Perform the following procedure in order to verify the repair:

  1. Select DTC.
  2. Select Clear Info.
  3. Operate the vehicle under the following conditions:
  4. • Turn ON the ignition, with the engine OFF.
    • Verify the TFT is greater than -40°C (-40°F) for 2 seconds.
  5. Select Specific DTC.
  6. Enter DTC P0713.

Has the test run and passed?

--

Go to Step 15

Go to Step 2

15

With the scan tool, observe the stored information, capture info and DTC info.

Does the scan tool display any DTCs that you have not diagnosed?

--

Go to Diagnostic Trouble Code (DTC) List - Vehicle

System OK