GM Service Manual Online
For 1990-2009 cars only
Makes
🢒
Pontiac
🢒
2006
🢒
G6
🢒
Body
🢒
Lighting Systems
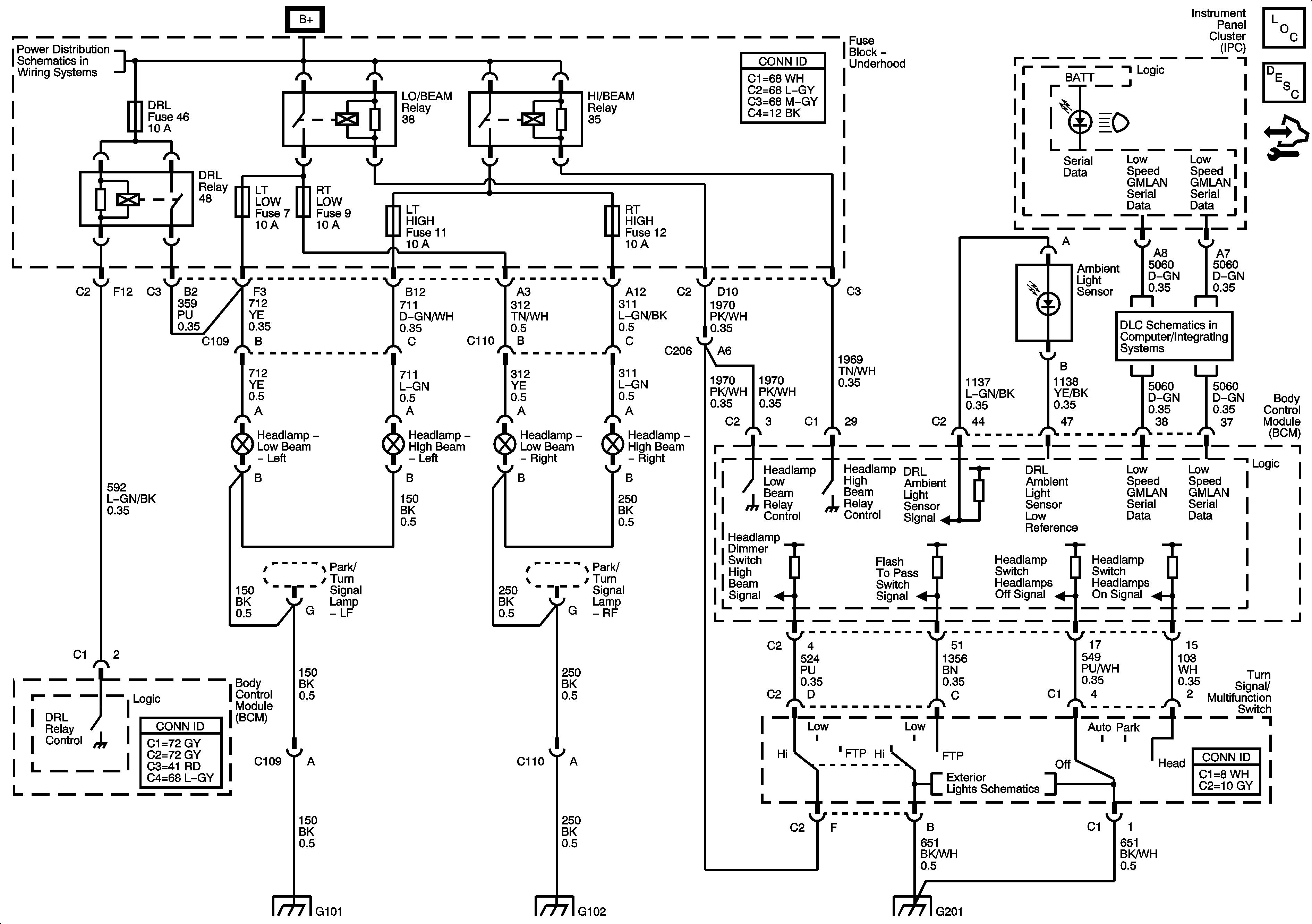
🢒 Headlights/Daytime Running Lights (DRL) Schematics
Master Electrical Component List
Exterior Lighting Systems Description and Operation
Control Module References
Underhood Fuse Block DRL Relay, LO/BEAM Relay, HI/BEAM Relay, ABS, DRL, EPS, IBCM 1, IBCM 2, LT HI BEAM, LT LO BEAM, PCM, PWR WDO, CPE/CONV, RT HI BEAM, RT LOW BEAM, and TCM Fuses
Low Speed Serial Data
G101 and G102
G101 and G102
Ambient Light Sensor, Brake Pedal Position Sensor, Hazard Switch and Turn Signal/Multifunction Switch
G201