GM Service Manual Online
For 1990-2009 cars only

Removal Procedure

  1. Remove the console. Refer to Console Replacement .
  2. Place the ignition key in the RUN position.

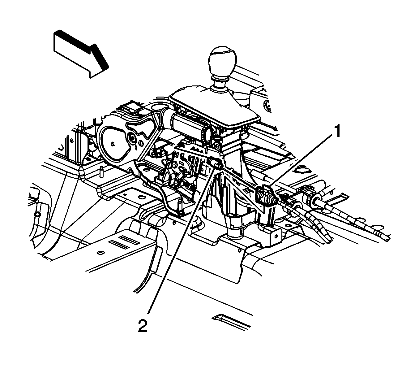
  3. Object Number: 1792573  Size: SH
  4. Remove the park lock cable end (2) from the park lock lever by sliding the cable end reward off the park lock lever pin.
  5. Release the park lock cable retainer (1) from the shift control base.
  6. Remove the knee bolster. Refer to Knee Bolster Replacement .

  7. Object Number: 1765059  Size: SH

    Important: Ensure the ignition key is in the RUN position. Do NOT attempt to remove the park lock cable with the key in any other position.

  8. Using a screwdriver, release the cable from the ignition switch inhibitor by depressing the cable latch (1).
  9. Remove the park lock cable from the inhibitor housing.
  10. Remove the park lock cable from the vehicle.

Installation Procedure

  1. Install the park lock cable to the vehicle.
  2. Ensure the ignition key is turned to the RUN position.

  3. Object Number: 1765058  Size: SH

    Important: Ensure that the ignition key is in the RUN position. Do not attempt to insert the park lock cable with the key in any other position.

  4. Install the cable (1) into the inhibitor housing.

  5. Object Number: 1792573  Size: SH
  6. Attach the park lock cable to the shift control base. Ensure the park lock cable retainer (1) is fully secured to the shift control base.
  7. Install the park lock cable on the park lock lever by sliding the cable end (2) over the park lock lever pin.
  8. Inspect the functional operation of the park/lock cable. Refer to Park Lock Cable Adjustment .
  9. Install the knee bolster. Refer to Knee Bolster Replacement .
  10. Install the console. Refer to Console Replacement .