GM Service Manual Online
For 1990-2009 cars only
Makes
🢒
Pontiac
🢒
2006
🢒
G6
🢒
Steering
🢒
Steering Wheel and Column
🢒 Steering Wheel Schematics
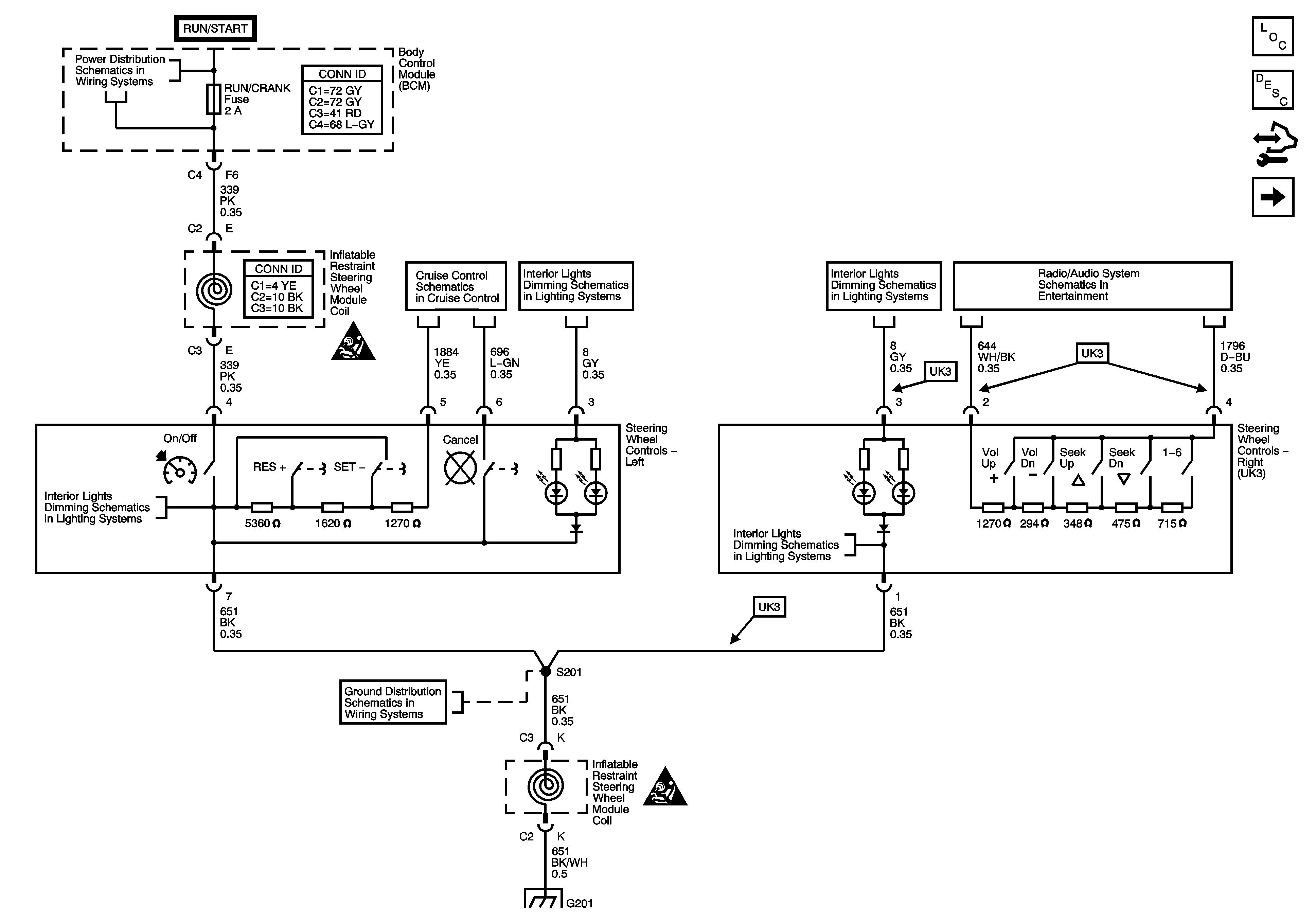
Figure
1:
3 - Spoke
Master Electrical Component List
Steering Wheel Controls Description and Operation
Control Module References
4 Spoke
Underhood Fuse Block RUN RLY, IBCM (RUN/CRANK), Body Control Module (BCM) AIRBAG (IGN) EPS and RUN/CRANK Fuses
Steering Wheel and Column Schematic Icons
Steering Wheel Controls - 3 Spoke
Steering Wheel and Doors
Steering Wheel and Doors
Redundant Radio Controls - 3 Spoke
Steering Wheel and Doors
Steering Wheel and Doors
G201
Steering Wheel and Column Schematic Icons
G201
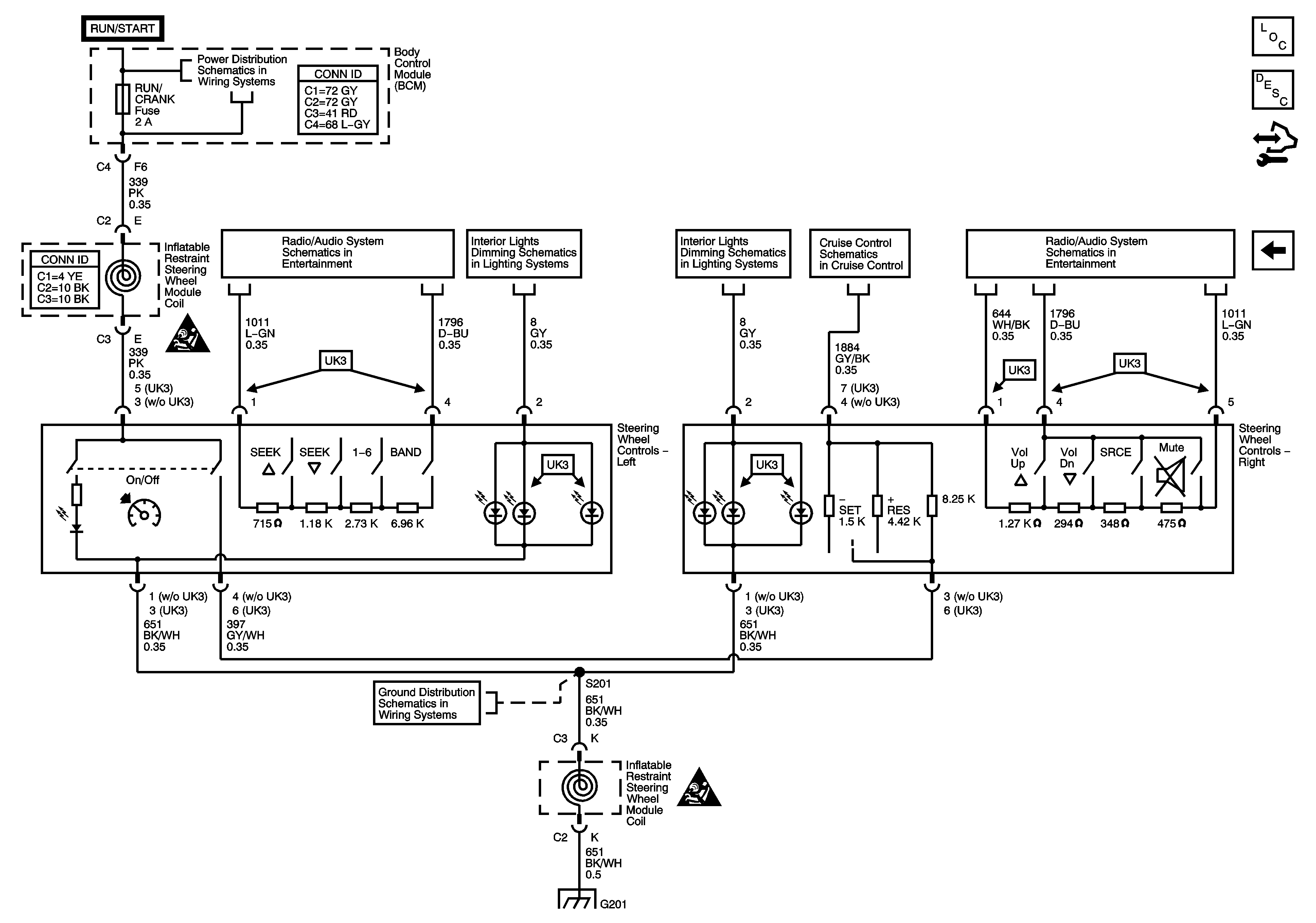
Figure
2:
4 - Spoke
Master Electrical Component List
Steering Wheel Controls Description and Operation
Control Module References
3 Spoke
Underhood Fuse Block RUN RLY, IBCM (RUN/CRANK), Body Control Module (BCM) AIRBAG (IGN) EPS and RUN/CRANK Fuses
Steering Wheel and Column Schematic Icons
Redundant Radio Controls - 4 Spoke
Steering Wheel and Doors
Steering Wheel and Doors
Steering Wheel Controls - 4 Spoke
Redundant Radio Controls - 4 Spoke
G201
Steering Wheel and Column Schematic Icons
G201