GM Service Manual Online
For 1990-2009 cars only
Makes
🢒
Pontiac
🢒
2006
🢒
G6
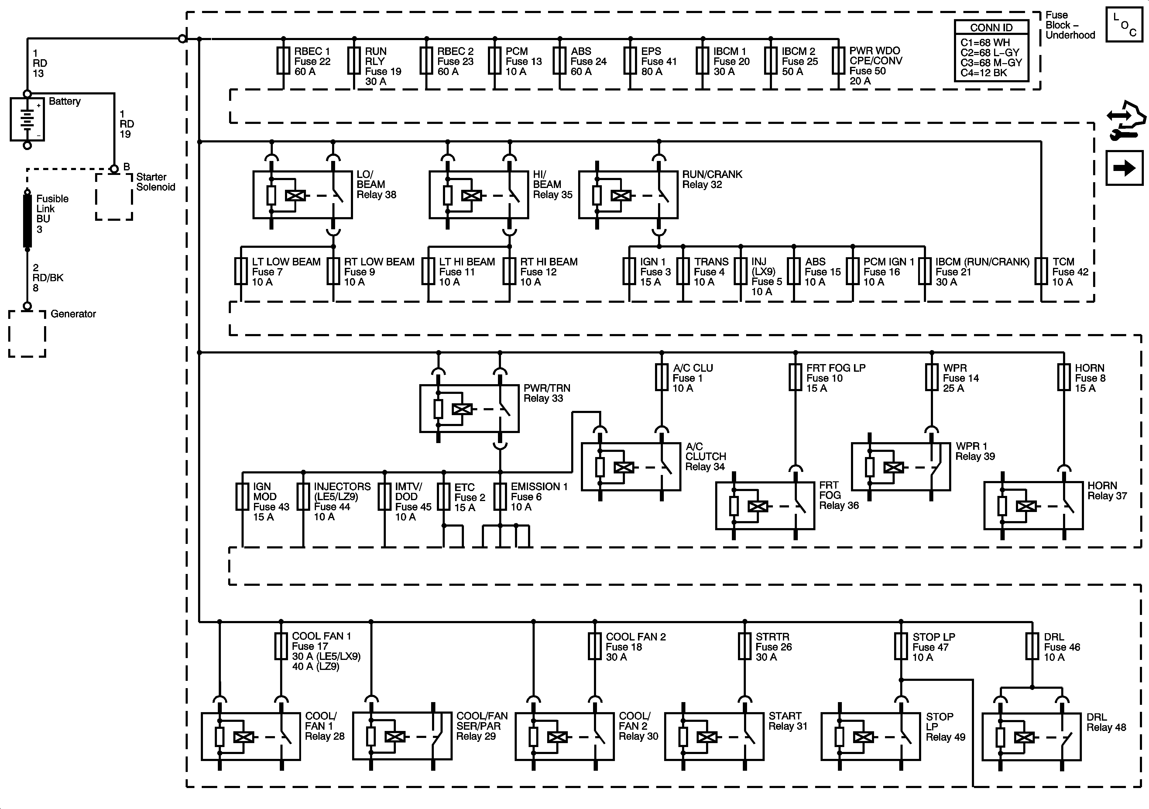
🢒 Underhood Fuse Block - B+
Underhood Fuse Block - B+
Underhood Fuse Block - B+ Bus
Master Electrical Component List
Control Module References
Underhood Fuse Block IBCM 1, Body Control Module (BCM), AIRBAG (BATT), CLUSTER/THEFT, HVAC CTRL (BATT), IGN SENSOR and RADIO Fuses