GM Service Manual Online
For 1990-2009 cars only

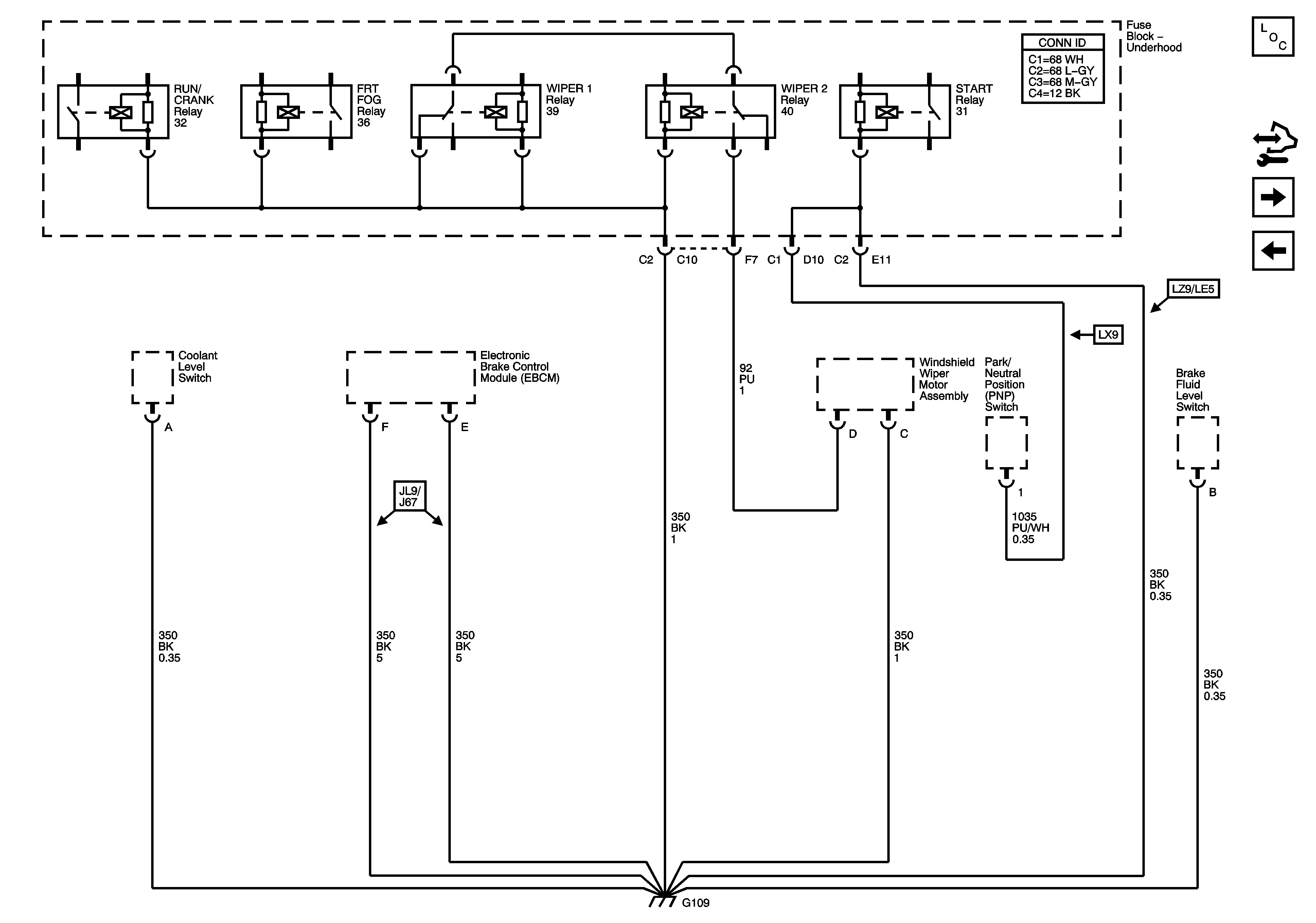
G109

G109


Object Number: 1613496  Size: FS
Master Electrical Component List
Control Module References
G110 (LE5)
G106