GM Service Manual Online
For 1990-2009 cars only
Makes
🢒
Pontiac
🢒
2006
🢒
G6
🢒 Indicators
Indicators
Indicators
Master Electrical Component List
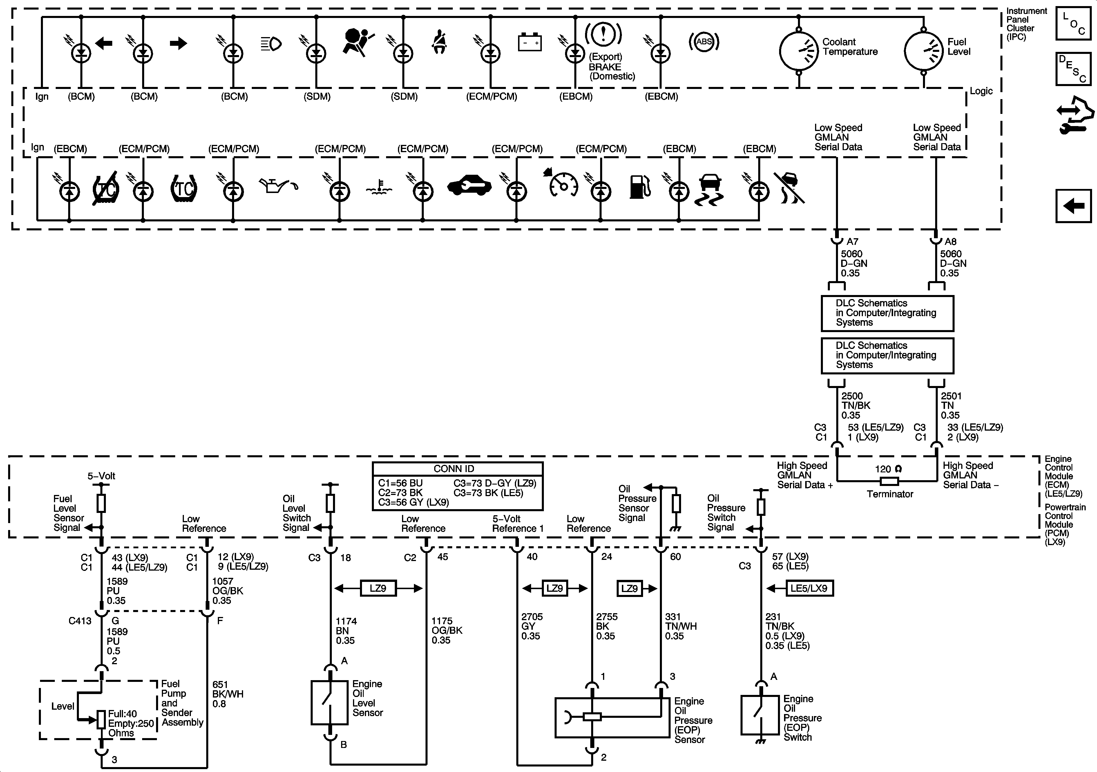
Instrument Cluster Description and Operation
Control Module References
Power, Ground and Illumination
Low Speed Serial Data
Power, Ground, Serial Data, High Speed GMLAN