GM Service Manual Online
For 1990-2009 cars only

    Object Number: 1838530  Size: SH
  1. Remove the right exhaust manifold heat shield bolts.

  2. Object Number: 1838534  Size: SH
  3. Remove the right exhaust manifold heat shield.

  4. Object Number: 1838537  Size: SH
  5. Remove the right exhaust manifold lower bolts from the right cylinder head.

  6. Object Number: 1838540  Size: SH
  7. Remove the right exhaust manifold upper bolts from the right cylinder head.

  8. Object Number: 1838541  Size: SH
  9. Remove the right exhaust manifold.

  10. Object Number: 1838542  Size: SH
  11. Remove and discard the right exhaust manifold gasket.

  12. Object Number: 1838543  Size: SH
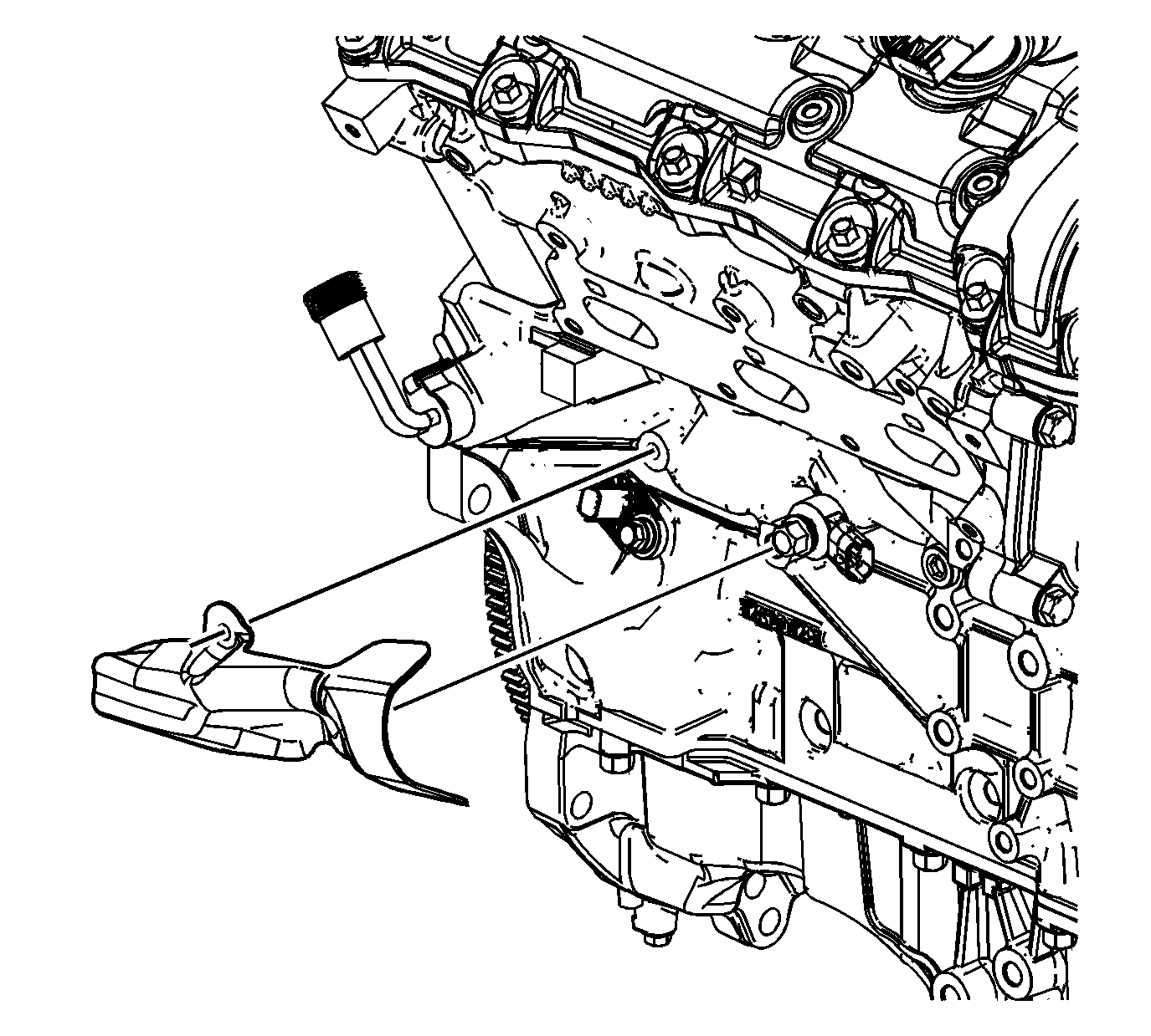
  13. Remove the right knock sensor heat shield bolts.

  14. Object Number: 1838545  Size: SH
  15. Remove the right knock sensor heat shield.

  16. Object Number: 1838547  Size: SH
  17. Remove the right knock sensor bolt.

  18. Object Number: 1838561  Size: SH
  19. Remove the right knock sensor.

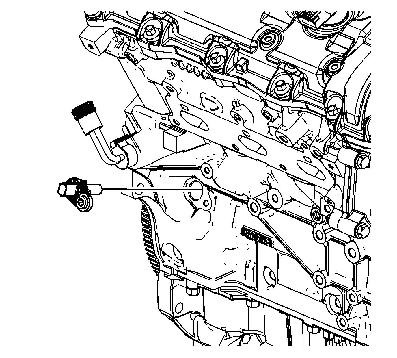
  20. Object Number: 1838596  Size: SH
  21. Remove the crankshaft position (CKP) sensor bolt.

  22. Object Number: 1838598  Size: SH
  23. Remove the CKP sensor.

  24. Object Number: 1412145  Size: SH
  25. Remove and discard the CKP sensor O-ring.

  26. Object Number: 1838617  Size: SH
  27. Remove the engine block heater, if equipped.