GM Service Manual Online
For 1990-2009 cars only
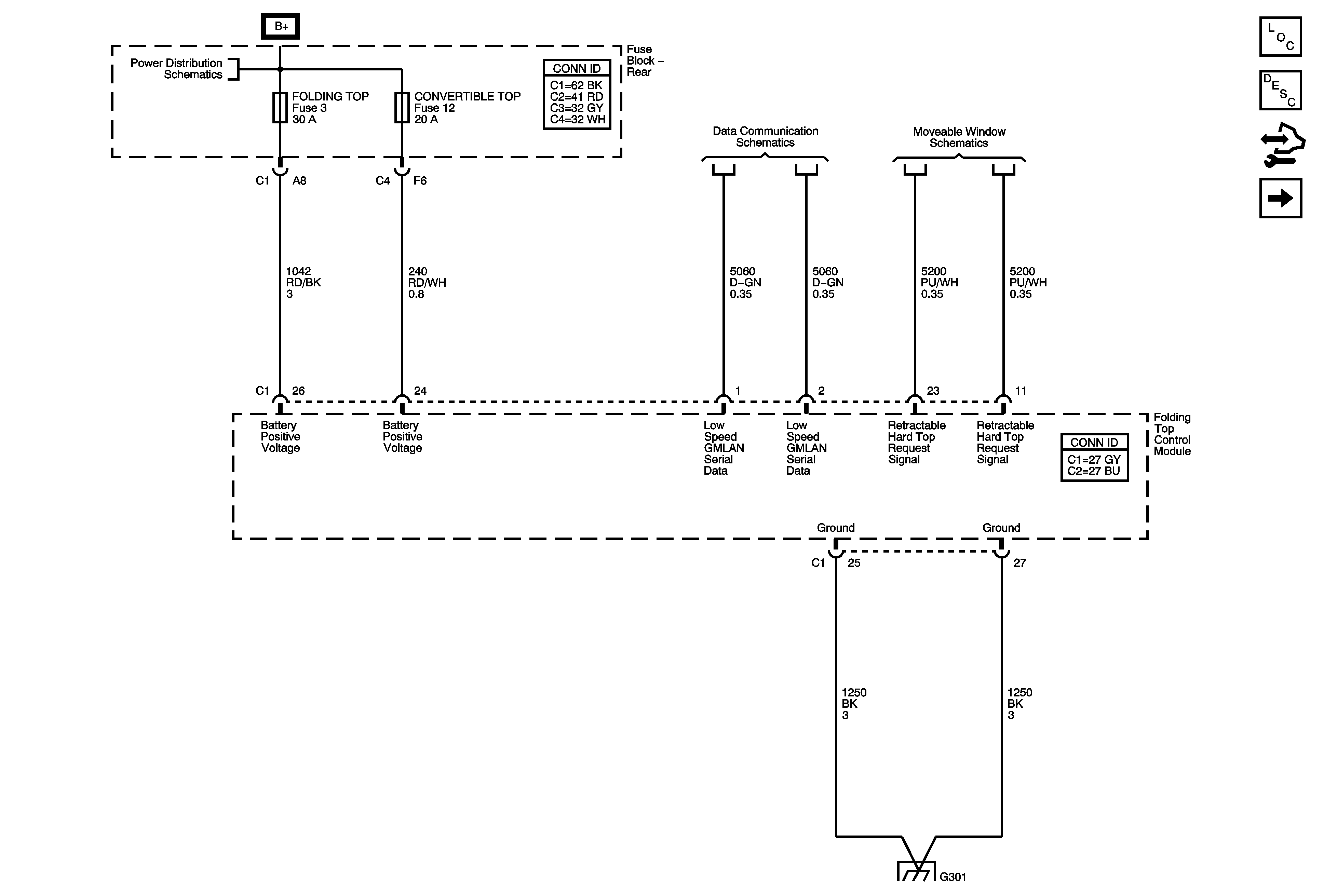
Figure 1:

DLC, Ground, Power and References


Object Number: 1788827  Size: FS
Master Electrical Component List
Power Folding Top Description and Operation
Control Module References
Sensors
Underhood Fuse Block RBEC 2 Fuse and RUN RLY, BCM HVAC BLOWER HIGH and RUN Relays, HVAC BLOWER and HVAC CTRL (IGN) Fuses, Rear Fuse Block FUEL, PARK LPS and TRUNK Relays, DRV ST, EMISSION 2, FOLDING T
Low Speed GMLAN Serial Data (2 of 2)
Front Window Motors - Convertible
G301
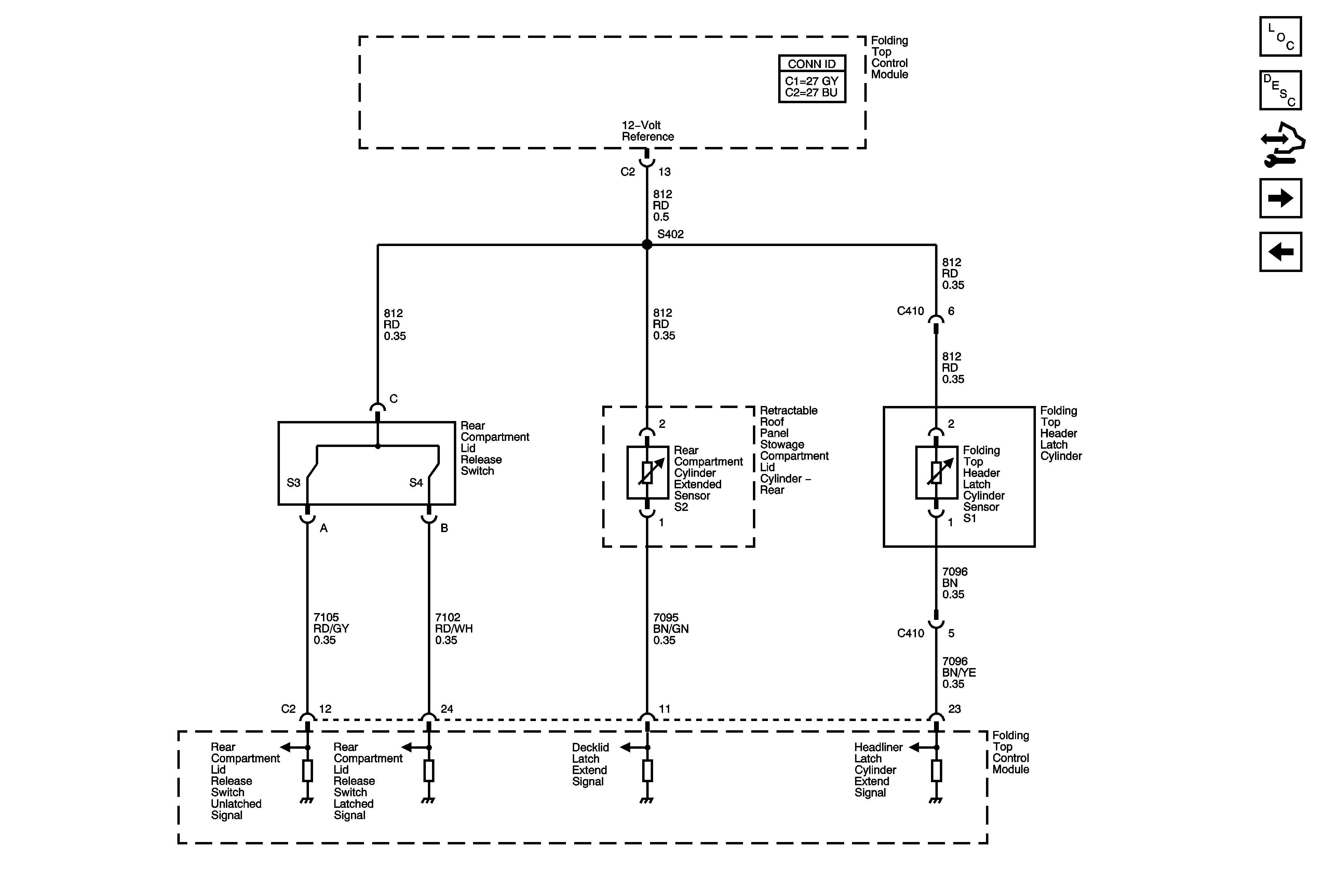
Figure 2:

Sensors


Object Number: 1788829  Size: FS
Master Electrical Component List
Power Folding Top Description and Operation
Control Module References
Switches 1 of 2
DLC, Ground, Power and References
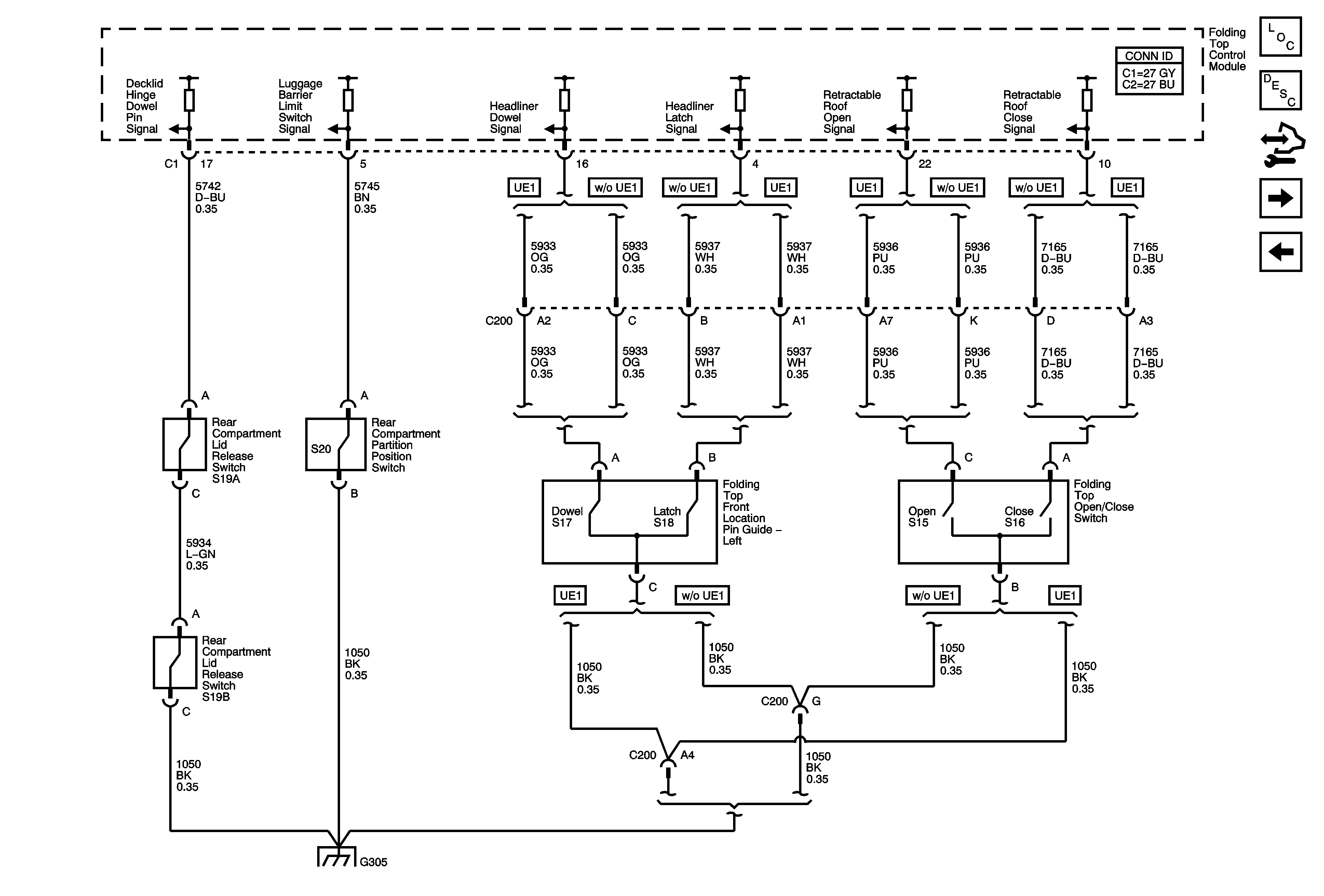
Figure 3:

Switches 1 of 2


Object Number: 1788831  Size: FS
Master Electrical Component List
Power Folding Top Description and Operation
Control Module References
Switches 2 of 2
Sensors
G304 and G305
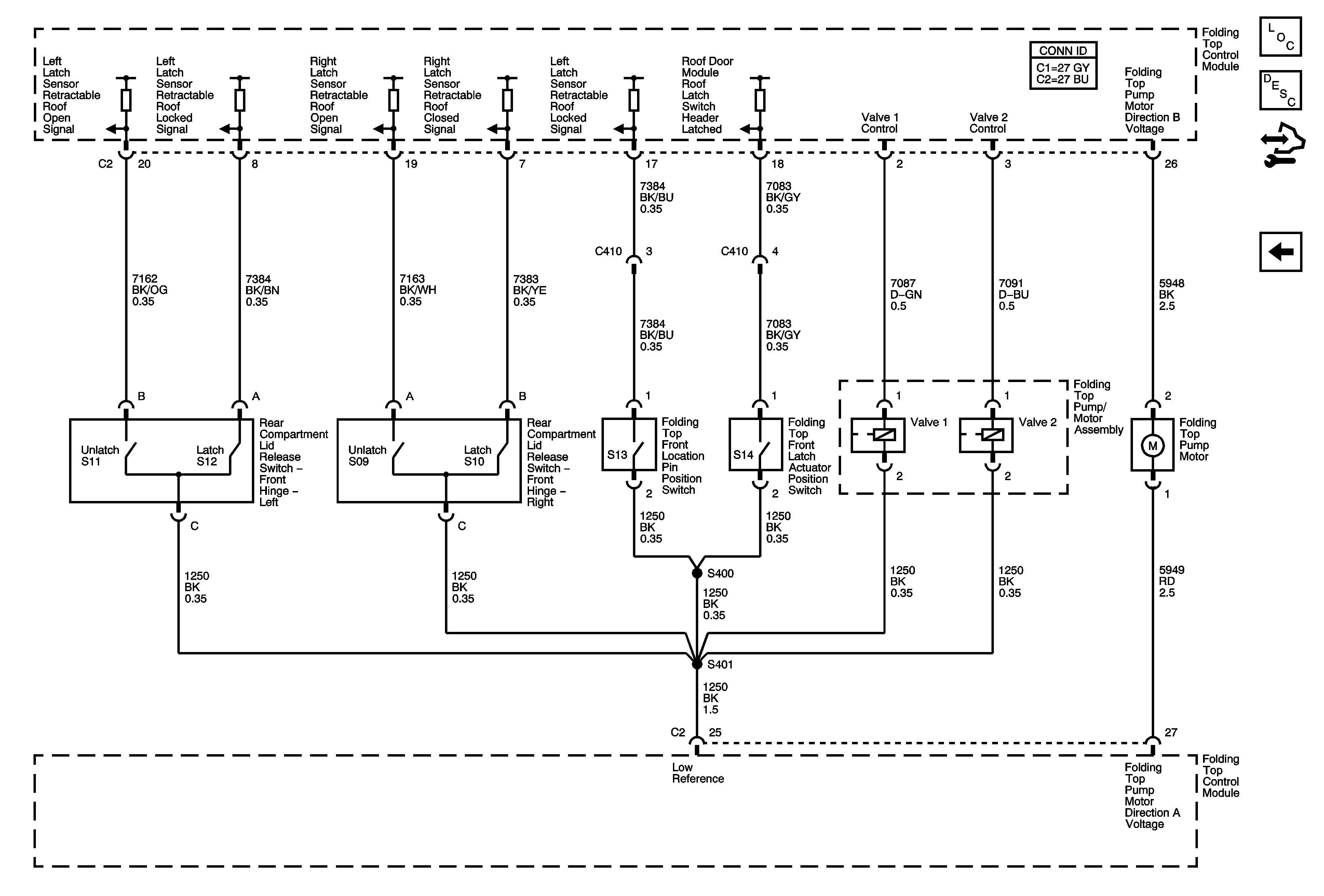
Figure 4:

Switches 2 of 2


Object Number: 1788833  Size: FS
Master Electrical Component List
Power Folding Top Description and Operation
Control Module References
Switches 1 of 2