GM Service Manual Online
For 1990-2009 cars only
Makes
🢒
Pontiac
🢒
2007
🢒
G6
🢒
Diagnostic Navigation
🢒
Vehicle Diagnostic Information
🢒 Steering Wheel Secondary/Configurable Control Schematics
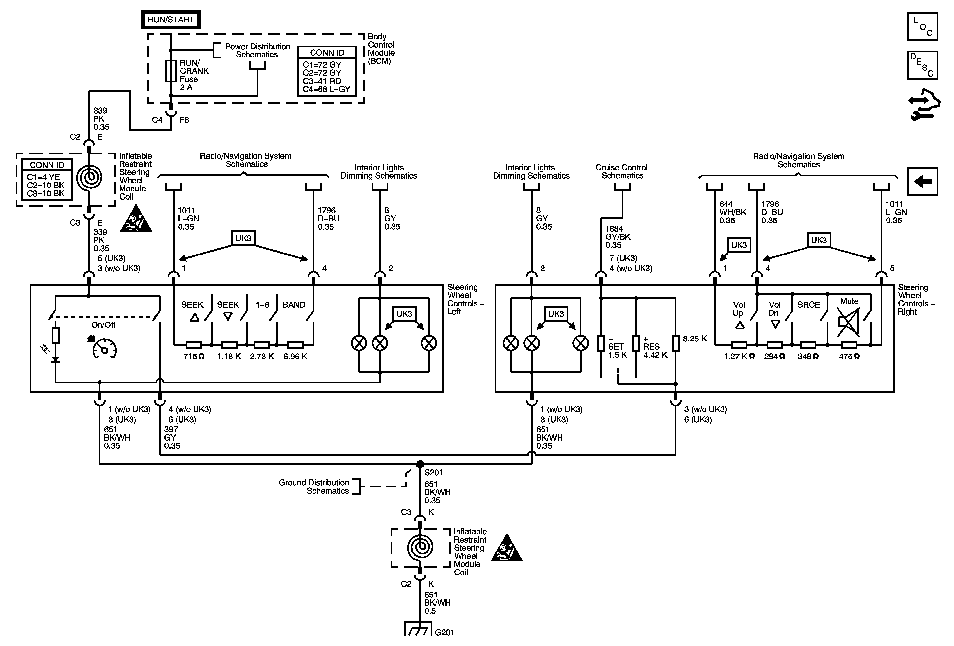
Figure
1:
3-Spoke
Master Electrical Component List
Steering Wheel Controls Description and Operation
Control Module References
4 Spoke
Underhood Fuse Block IBCM (RUN/CRANK), BCM AIRBAG (IGN), EPS and RUN/CRANK Fuses
Secondary/Configurable Control Schematic Icons
Steering Wheel Controls - 3 Spoke
Steering Wheel and Doors
Steering Wheel and Doors
Redundant Radio Controls - 3 Spoke
G201
Secondary/Configurable Control Schematic Icons
G201
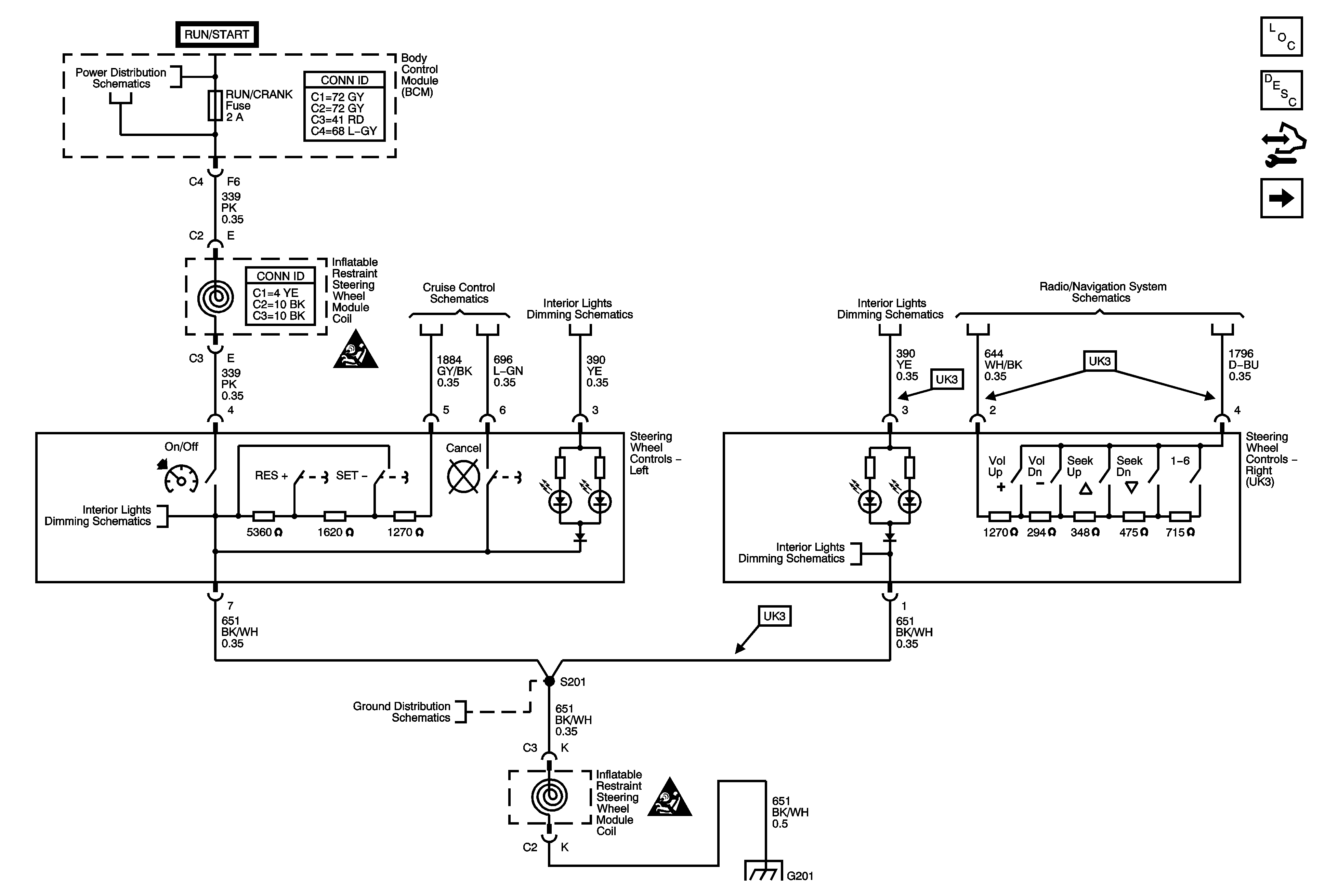
Figure
2:
4-Spoke
Master Electrical Component List
Steering Wheel Controls Description and Operation
Control Module References
3 Spoke
Underhood Fuse Block IBCM (RUN/CRANK), BCM AIRBAG (IGN), EPS and RUN/CRANK Fuses
Secondary/Configurable Control Schematic Icons
Redundant Radio Controls - 4 Spoke
Steering Wheel and Doors
Steering Wheel and Doors
Steering Wheel Controls - 4 Spoke
Redundant Radio Controls - 4 Spoke
G201
Secondary/Configurable Control Schematic Icons
G201