GM Service Manual Online
For 1990-2009 cars only
Makes
🢒
Pontiac
🢒
2007
🢒
G6
🢒
Body Systems
🢒
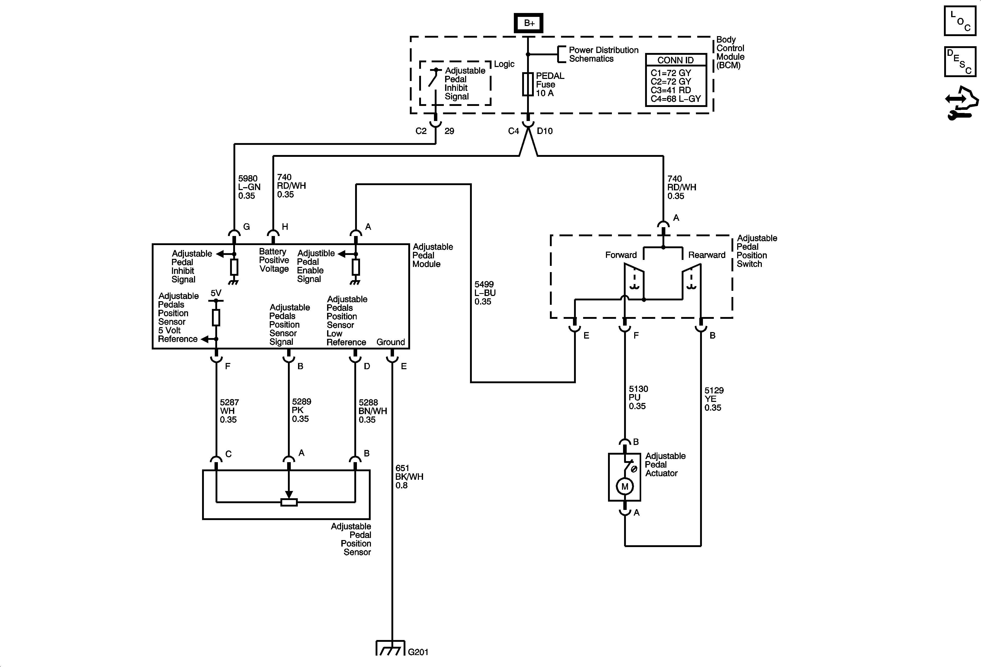
Adjustable Pedals
🢒 Adjustable Pedal Schematics
Master Electrical Component List
Adjustable Pedals Description and Operation
Control Module References
BCM INTERIOR LIGHTS, ONSTAR, PEDAL and POWER MIRRORS Fuses
G201