GM Service Manual Online
For 1990-2009 cars only
Makes
🢒
Pontiac
🢒
2007
🢒
G6
🢒 Sensors and Traction Control
Sensors and Traction Control
Sensors and Traction Control
Master Electrical Component List
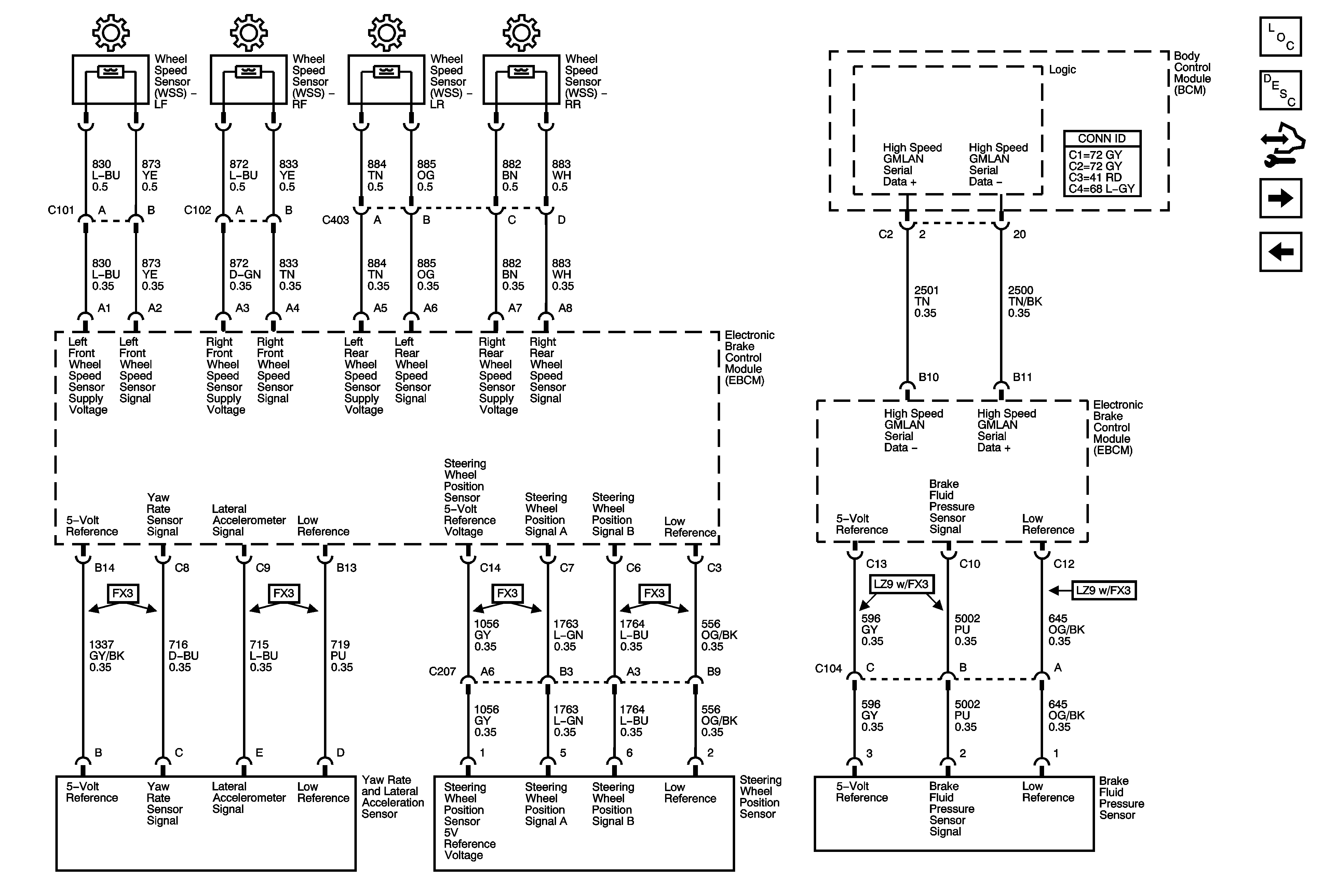
ABS Description and Operation
Control Module References
Brake Pedal Position Sensor and Traction Control Switch
DLC, Ground, Indicators and Power