GM Service Manual Online
For 1990-2009 cars only

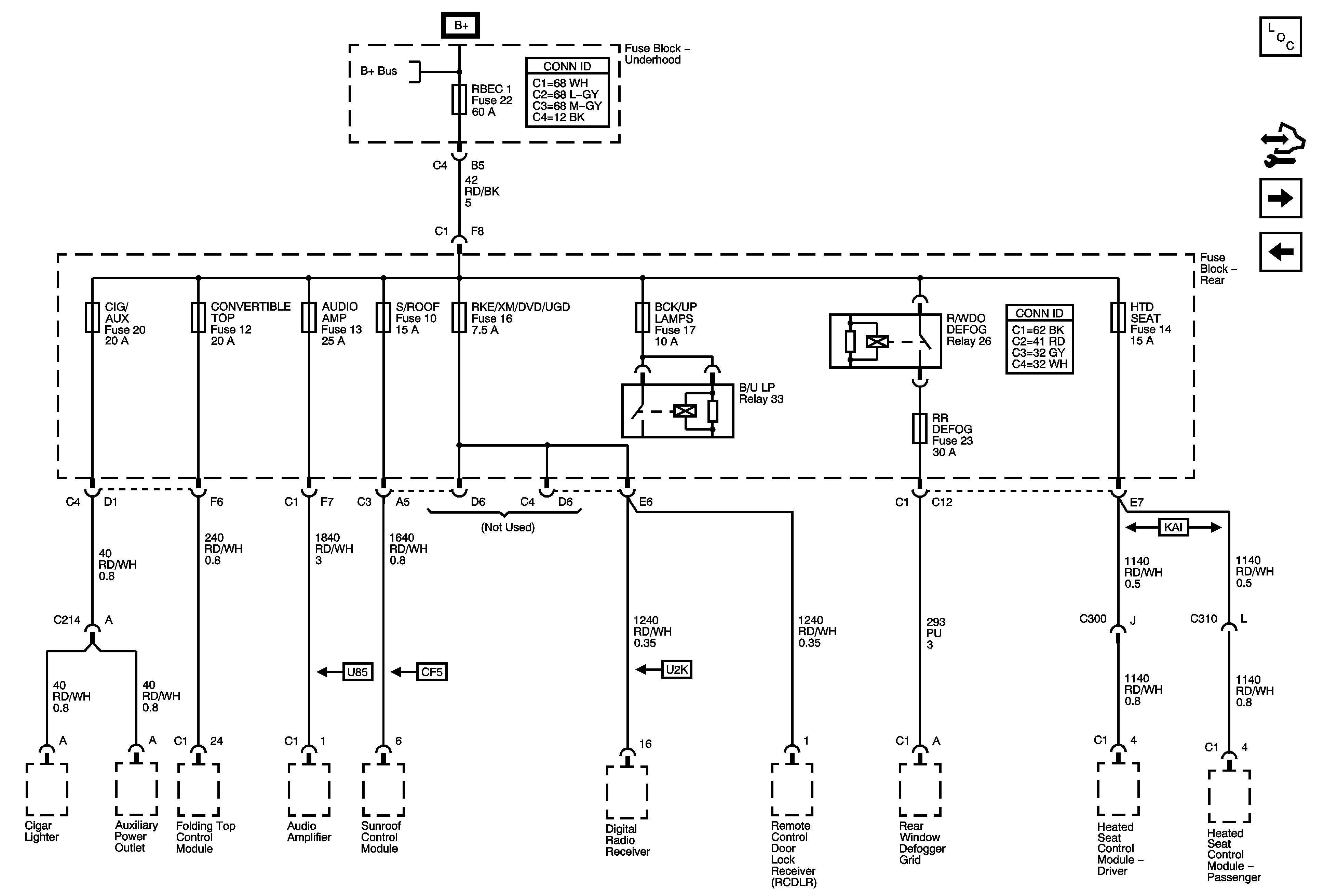
Underhood Fuse Block RBEC 1 Fuse and Rear Fuse Block AUDIO AMP, BACK UP LP, CIG/AUX, FOLDING TOP LOGIC POWER HTD ST, RKE/XM/DVD/UGD, RR DEFOG and SUN RF Fuses and BACK UP LP and RR DEFOG Relays

Underhood Fuse Block RBEC 1 and Rear Fuse Block AUDIO AMP, BACK UP LP, CIG/AUX, HTD ST, RKE/XM/DVD/VGD, RR DEFOG and SUN RF Fuse


Object Number: 1782521  Size: FS
Master Electrical Component List
Control Module References
Underhood Fuse Block RBEC 2 Fuse and RUN RLY, BCM HVAC BLOWER HIGH and RUN Relays, HVAC BLOWER and HVAC CTRL (IGN) Fuses, Rear Fuse Block FUEL, PARK LPS and TRUNK Relays, DRV ST, EMISSION 2, FOLDING T
Underhood Fuse Block IBCM 1 Fuse, BCM AIRBAG (BATT), CLUSTER/THEFT, HVAC CTRL (BATT), IGN SENSOR and RADIO Fuses and Ignition Switch
Underhood Fuse Block B+