GM Service Manual Online
For 1990-2009 cars only

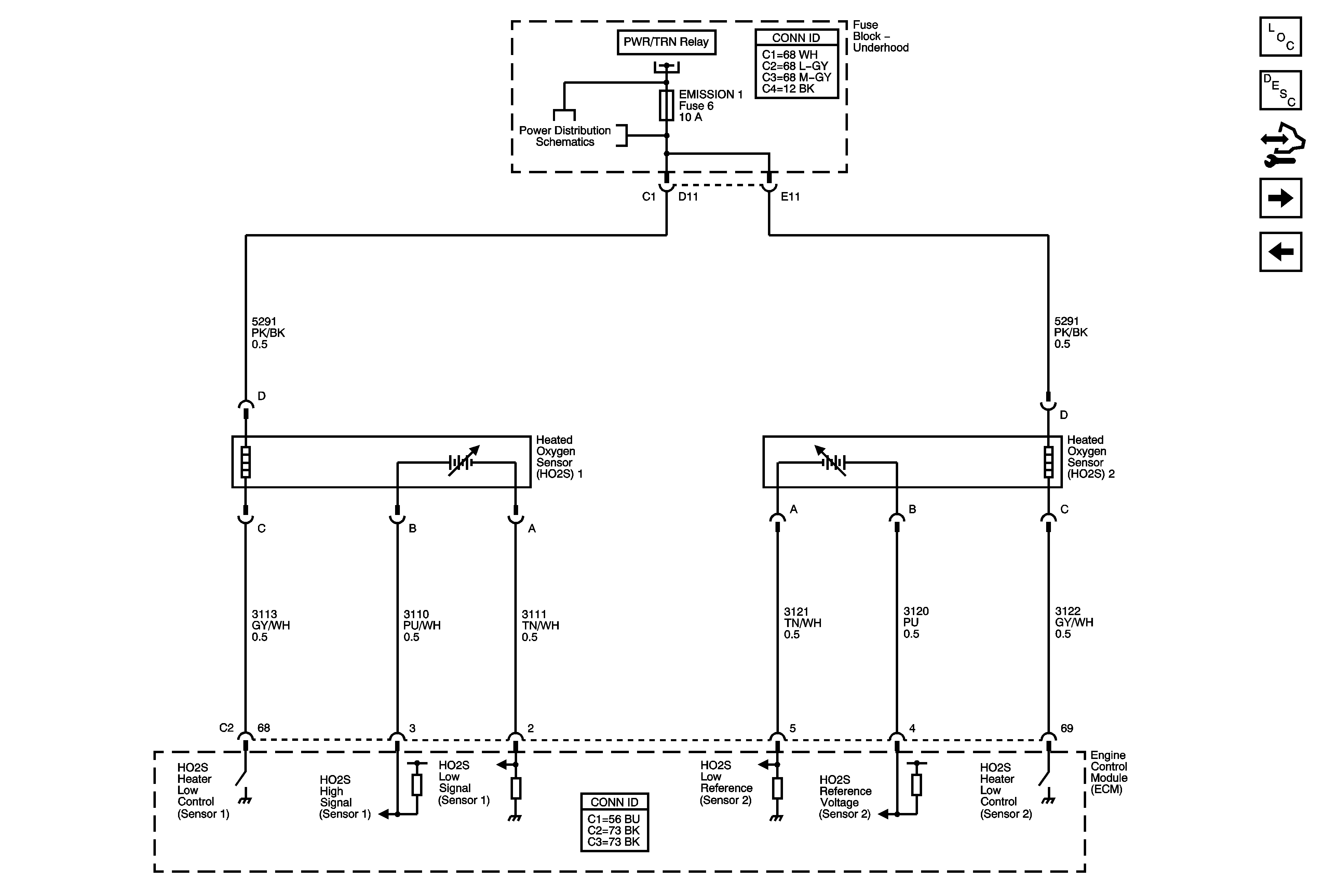
Heated Oxygen Sensors

Heated Oxygen Sensors


Object Number: 1783087  Size: FS
Master Electrical Component List
Engine Control Module Description
Control Module References
Electronic Throttle Controls
MAF, VSS and Extended Brake Travel Switch
Underhood Fuse Block A/C CLUTCH and PWR/TRN Relays, EMISSION 1, ETC, IGN MOD and IMTV/DOD Fuses