GM Service Manual Online
For 1990-2009 cars only
Makes
🢒
Pontiac
🢒
2007
🢒
G6
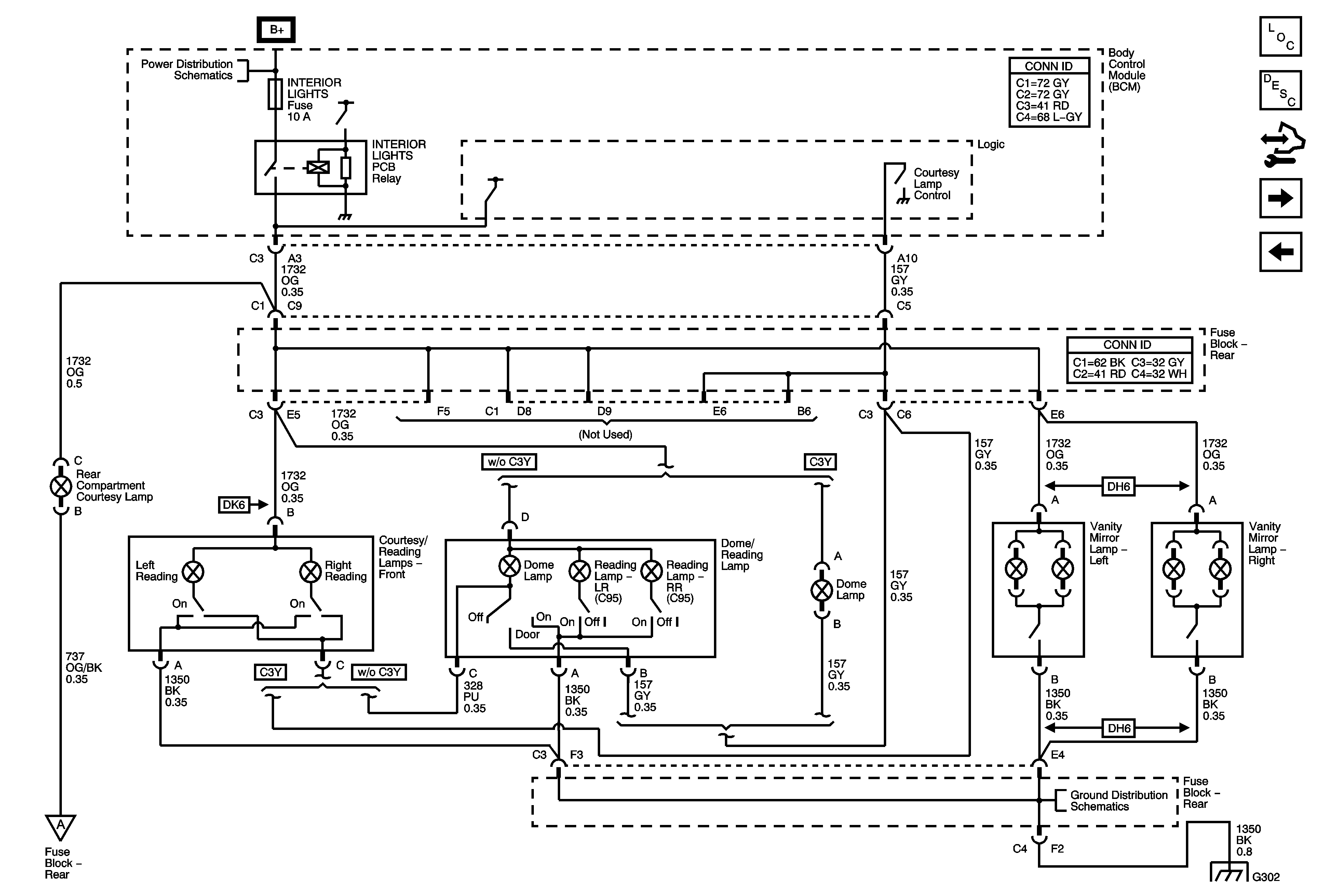
🢒 Outputs (Coupe/Sedan)
Outputs (Coupe/Sedan)
Outputs (Coupe/Sedan)
Master Electrical Component List
Interior Lighting Systems Description and Operation
Control Module References
Outputs (Convertible)
Inputs
BCM INTERIOR LIGHTS, ONSTAR, PEDAL and POWER MIRRORS Fuses
Inputs
G302