GM Service Manual Online
For 1990-2009 cars only
Makes
🢒
Pontiac
🢒
2007
🢒
G6
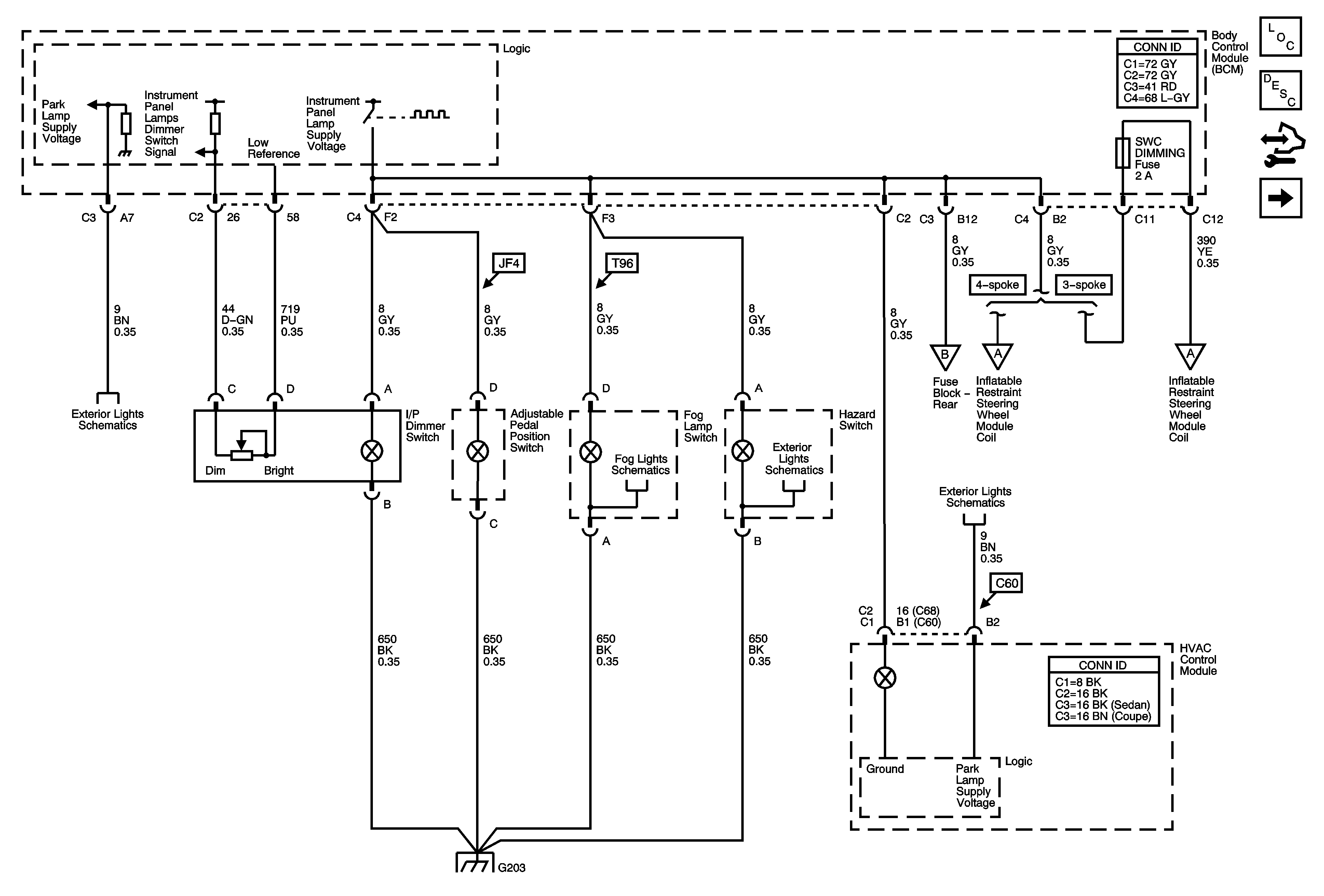
🢒 Dimmer Switch Inputs
Dimmer Switch Inputs
Dimmer Switch Inputs
Master Electrical Component List
Interior Lighting Systems Description and Operation
Control Module References
Steering Wheel and Doors
Park Lamps
Fog Lights Schematics
Ambient Light Sensor, Brake Pedal Position Sensor, Hazard Switch, and Turn Signal/Malfunction Switch
Steering Wheel and Doors
Steering Wheel and Doors
Park Lamps
G203