GM Service Manual Online
For 1990-2009 cars only
Makes
🢒
Pontiac
🢒
2007
🢒
G6
🢒 Ground and Power
Ground and Power
Ground and Power
Master Electrical Component List
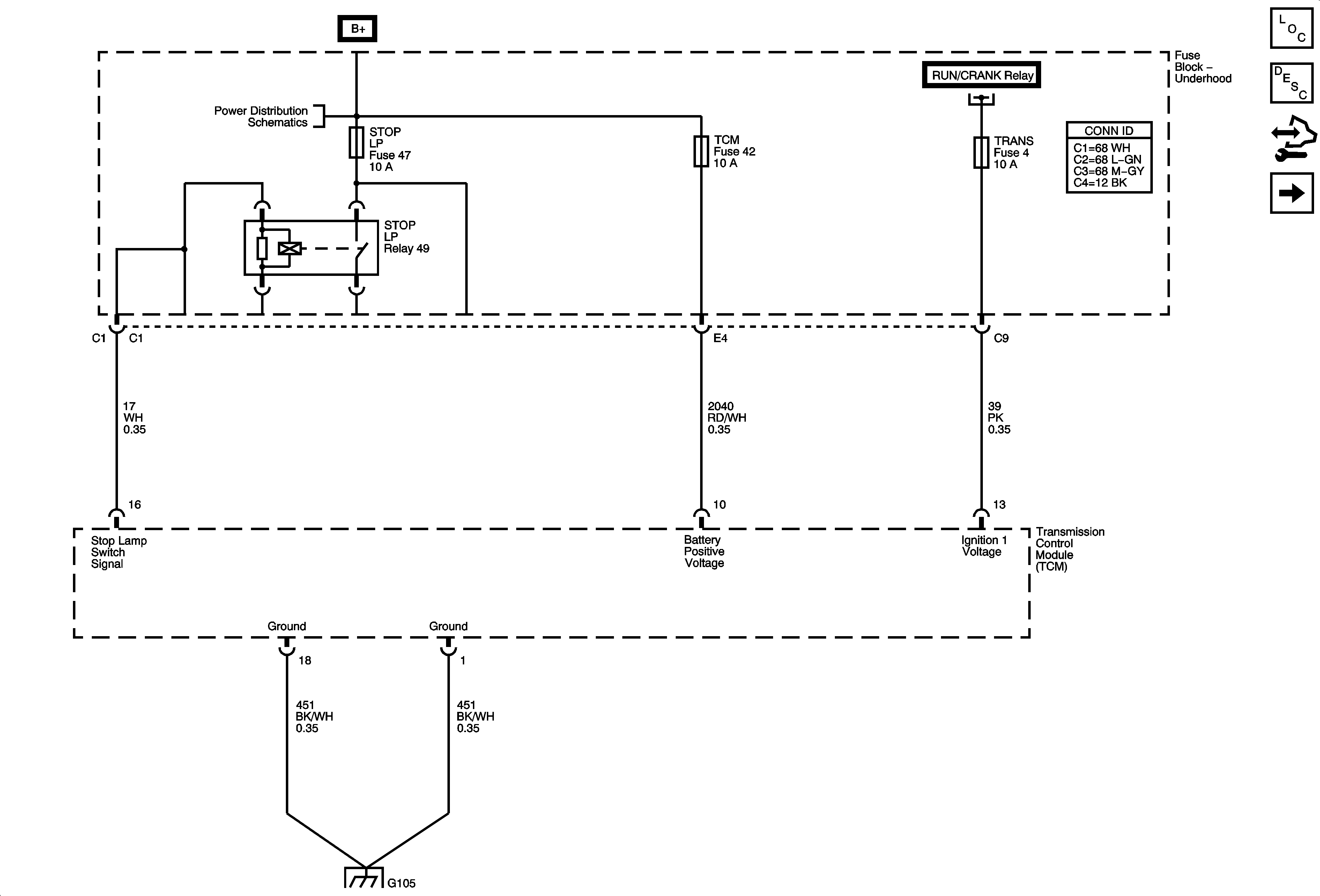
Transmission General Description
Control Module References
BCM, EBCM, ECM
Underhood Fuse Block B+