GM Service Manual Online
For 1990-2009 cars only
Makes
🢒
Pontiac
🢒
2007
🢒
G6
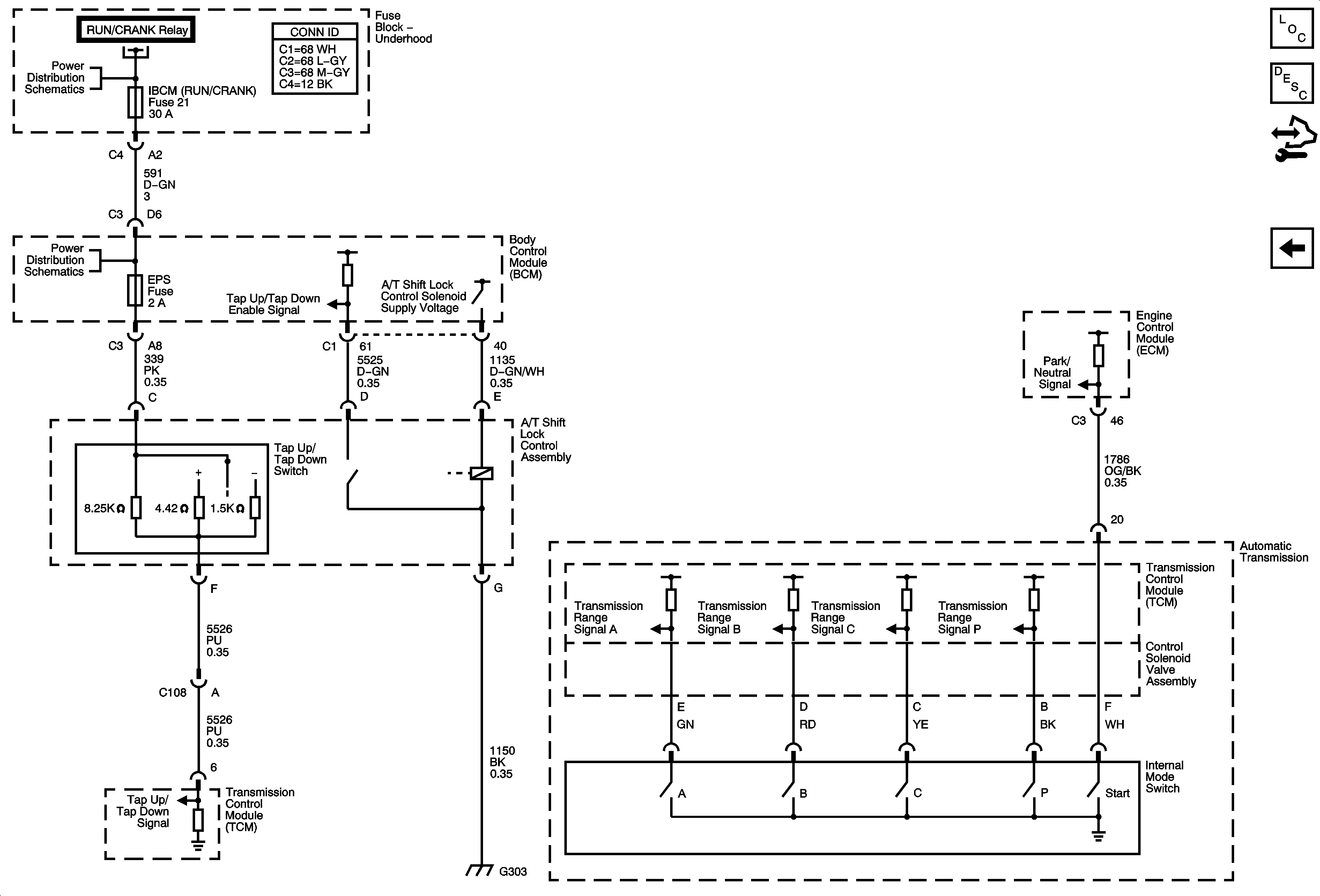
🢒 BCM, Tap Up/Tap Down Switch
BCM, Tap Up/Tap Down Switch
BCM, Tap Up/Tap Down Switch
Master Electrical Component List
Transmission General Description
Control Module References
BCM, EBCM, ECM
Underhood Fuse Block RUN/CRANK Relay, ABS, IGN 1, INJ, PCM IGN 1 and TRANS Fuses
G303