GM Service Manual Online
For 1990-2009 cars only
Makes
🢒
Pontiac
🢒
2007
🢒
G6
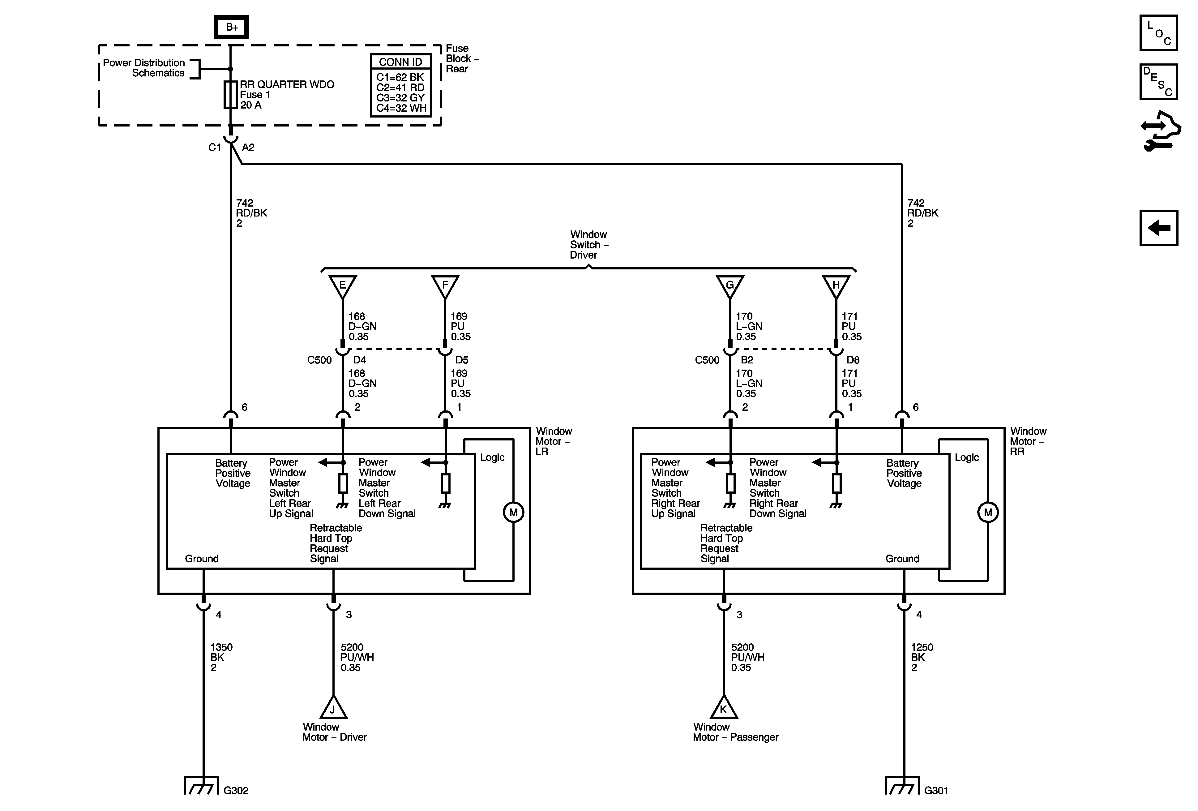
🢒 Rear Window Motors - Convertible
Rear Window Motors - Convertible
Rear Window Motors - Convertible
Master Electrical Component List
Power Windows Description and Operation
Control Module References
Front Window Motors - Convertible
Underhood Fuse Block RBEC 2 Fuse and RUN RLY, BCM HVAC BLOWER HIGH and RUN Relays, HVAC BLOWER and HVAC CTRL (IGN) Fuses, Rear Fuse Block FUEL, PARK LPS and TRUNK Relays, DRV ST, EMISSION 2, FOLDING T
Window Switches - Convertible
G302
Front Window Motors - Convertible
Front Window Motors - Convertible
G301