GM Service Manual Online
For 1990-2009 cars only
Makes
🢒
Pontiac
🢒
2007
🢒
G6
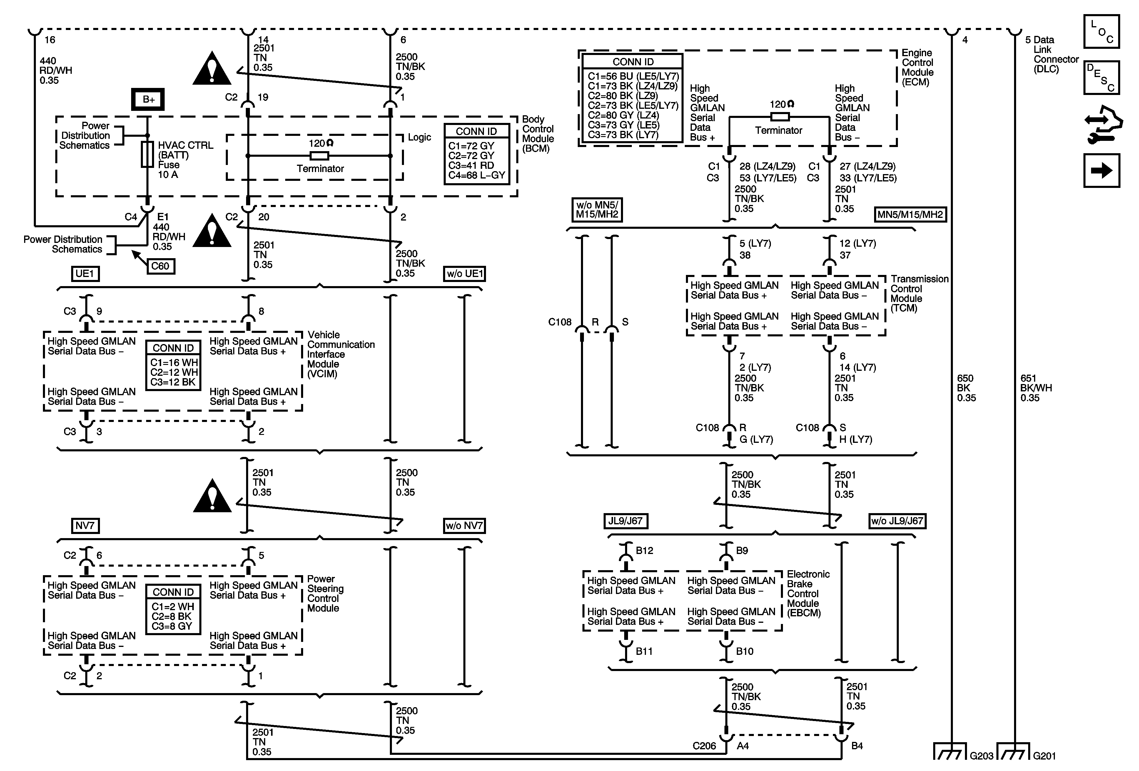
🢒 Power, Ground, High Speed GMLAN Serial Data
Power, Ground, High Speed GMLAN Serial Data
Power, Ground, High Speed GMLAN Serial Data
Master Electrical Component List
Data Link Communications Description and Operation
Control Module References
Low Speed GMLAN Serial Data (1 of 2)
Data Communication Schematic Icons
Data Communication Schematic Icons
Data Communication Schematic Icons
G203
G201