GM Service Manual Online
For 1990-2009 cars only
Figure 1:

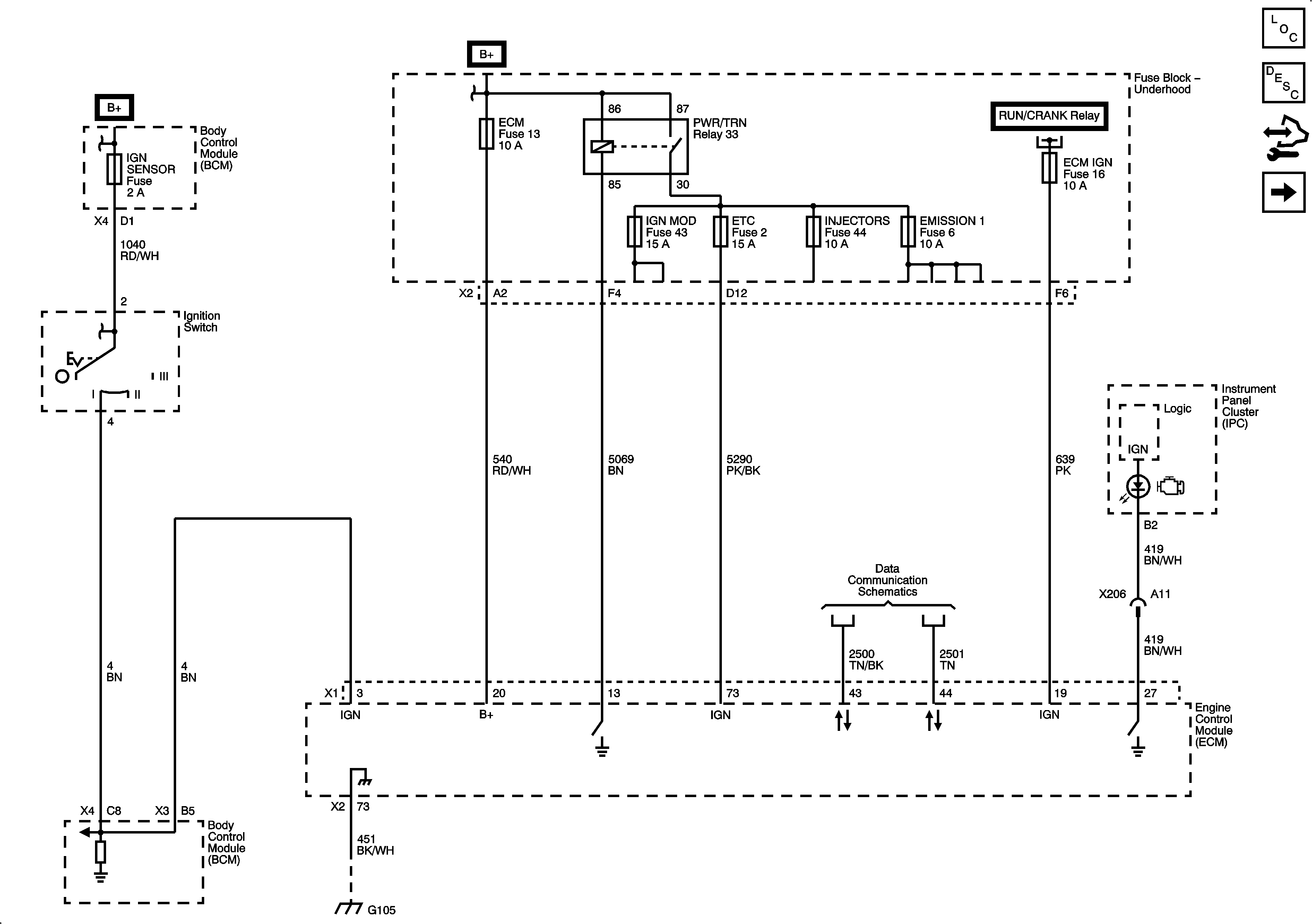
Module Power, Ground, Serial Data, and MIL


Object Number: 1912522  Size: FS
Master Electrical Component List
Engine Control Module Description
Control Module References
5 Volt and Low References
Figure 2:

5 Volt and Low Reference


Object Number: 1912525  Size: FS
Master Electrical Component List
Engine Control Module Description
Control Module References
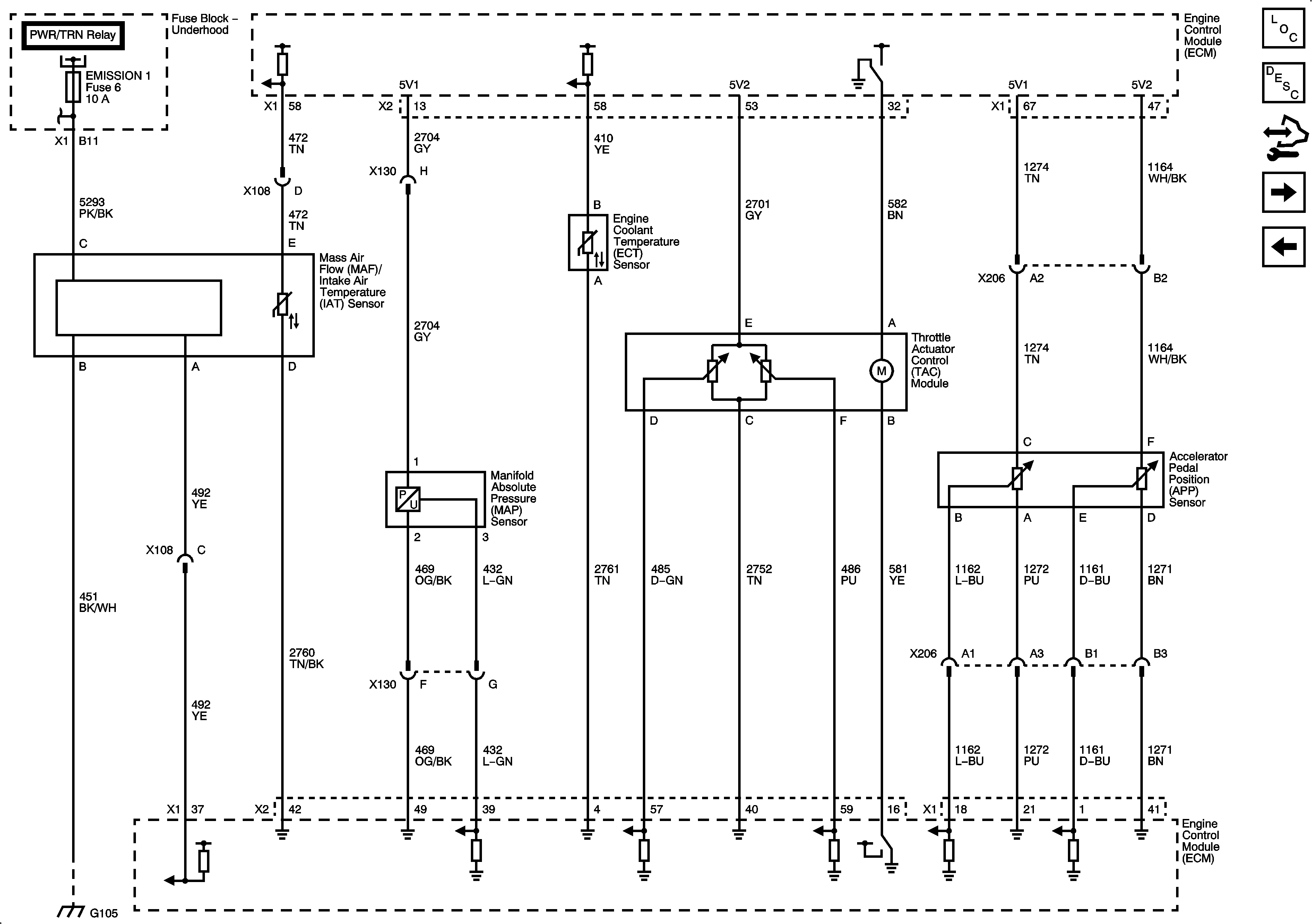
Engine Data Sensors - Pressure, Temperature, and Throttle Controls
Module Power, Ground, Serial Data and MIL
Figure 3:

Engine Data Sensors Pressure, Temperature, and Throttle Control


Object Number: 1912530  Size: FS
Master Electrical Component List
Engine Control Module Description
Control Module References
Engine Data Sensors - HO2S
5 Volt and Low References
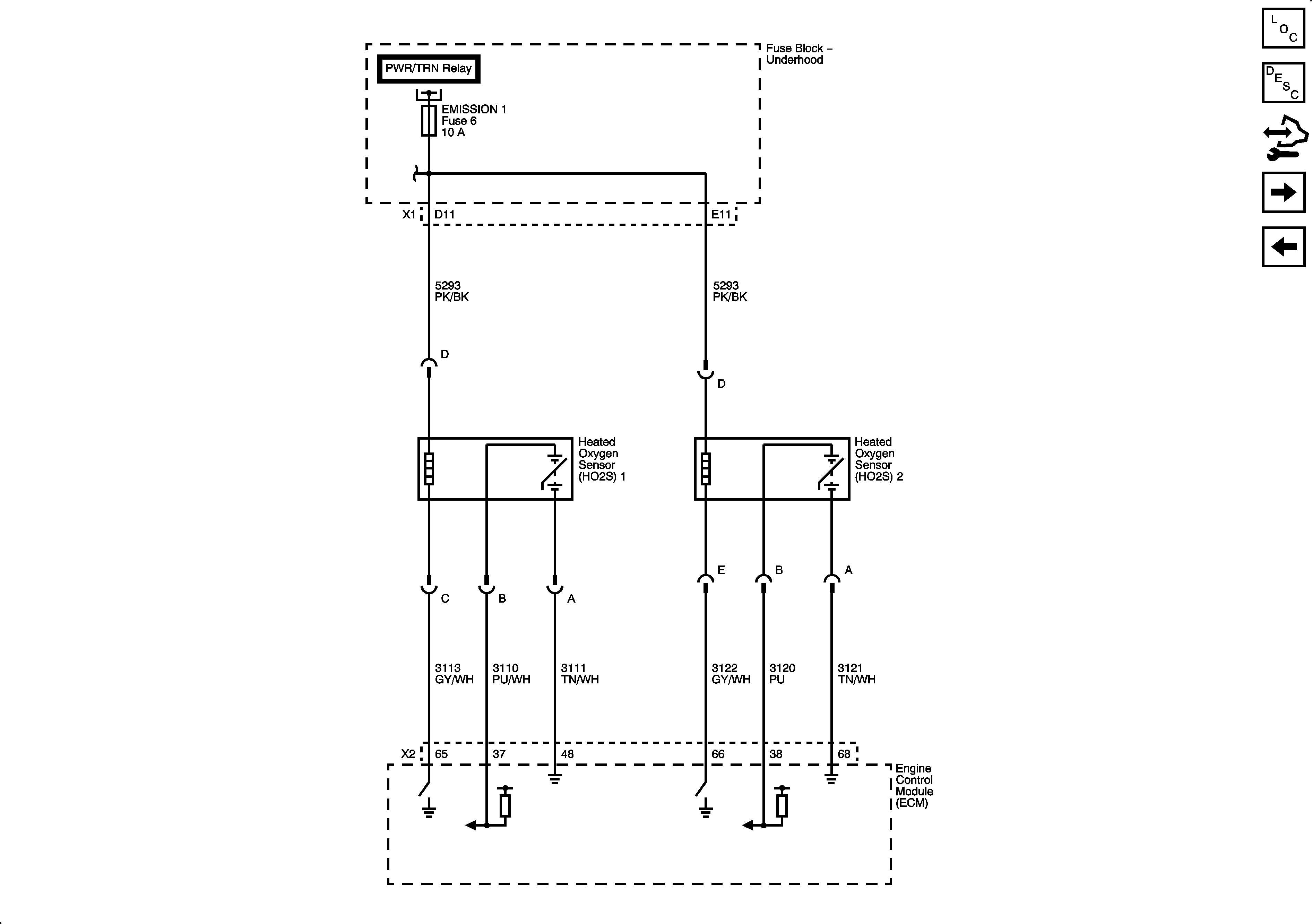
Figure 4:

Engine Data Sensors - HO2S


Object Number: 1912534  Size: FS
Master Electrical Component List
Engine Control Module Description
Control Module References
Ignition Controls - Ignition System
Engine Data Sensors - Pressure, Temperature, and Throttle Controls
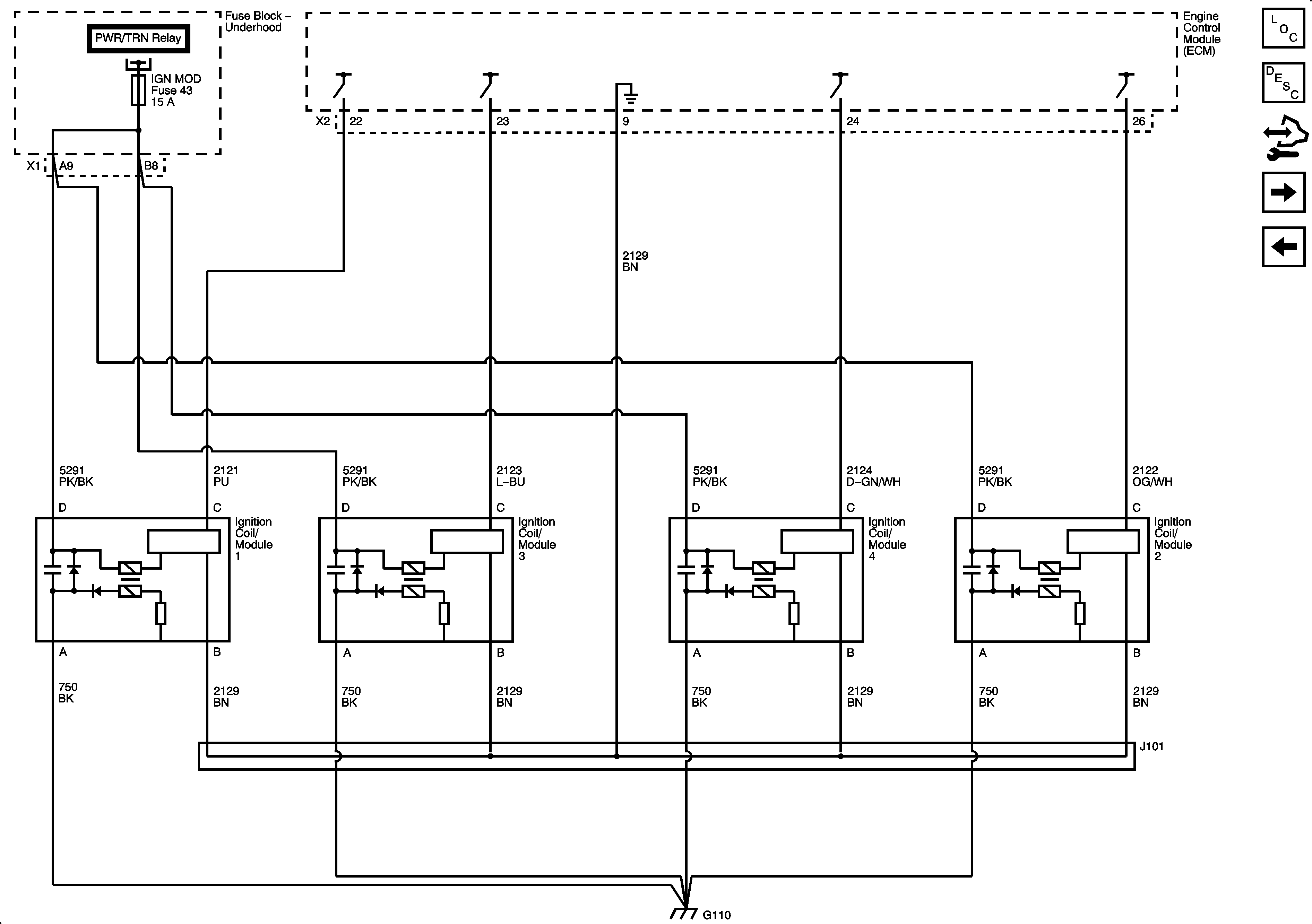
Figure 5:

Ignition Controls - Ignition System


Object Number: 1912536  Size: FS
Master Electrical Component List
Engine Control Module Description
Control Module References
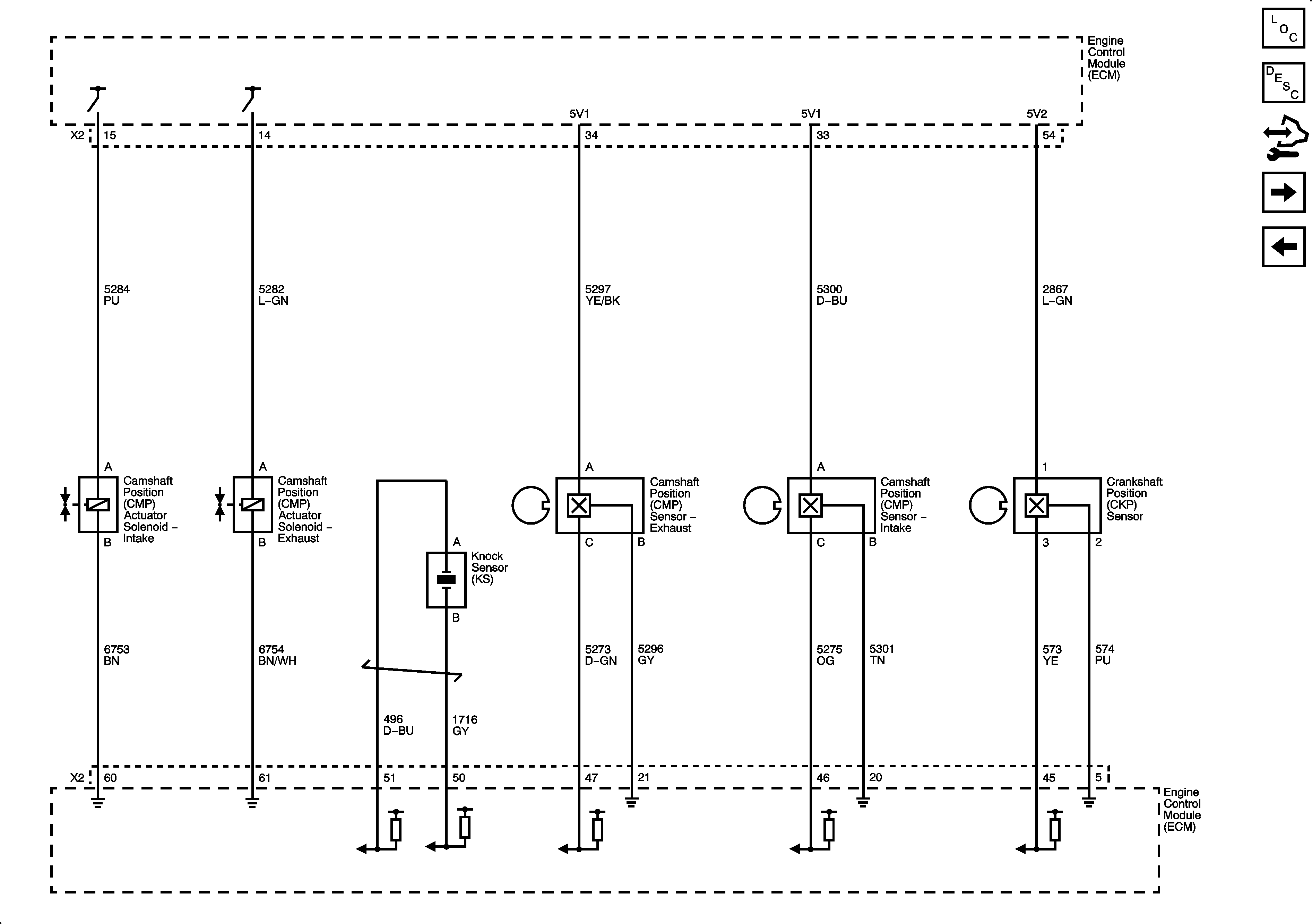
Ignition Controls - Sensors/Actuators
Engine Data Sensors - HO2S
Figure 6:

Ignition Controls - Sensors/Actuators


Object Number: 1912538  Size: FS
Master Electrical Component List
Engine Control Module Description
Control Module References
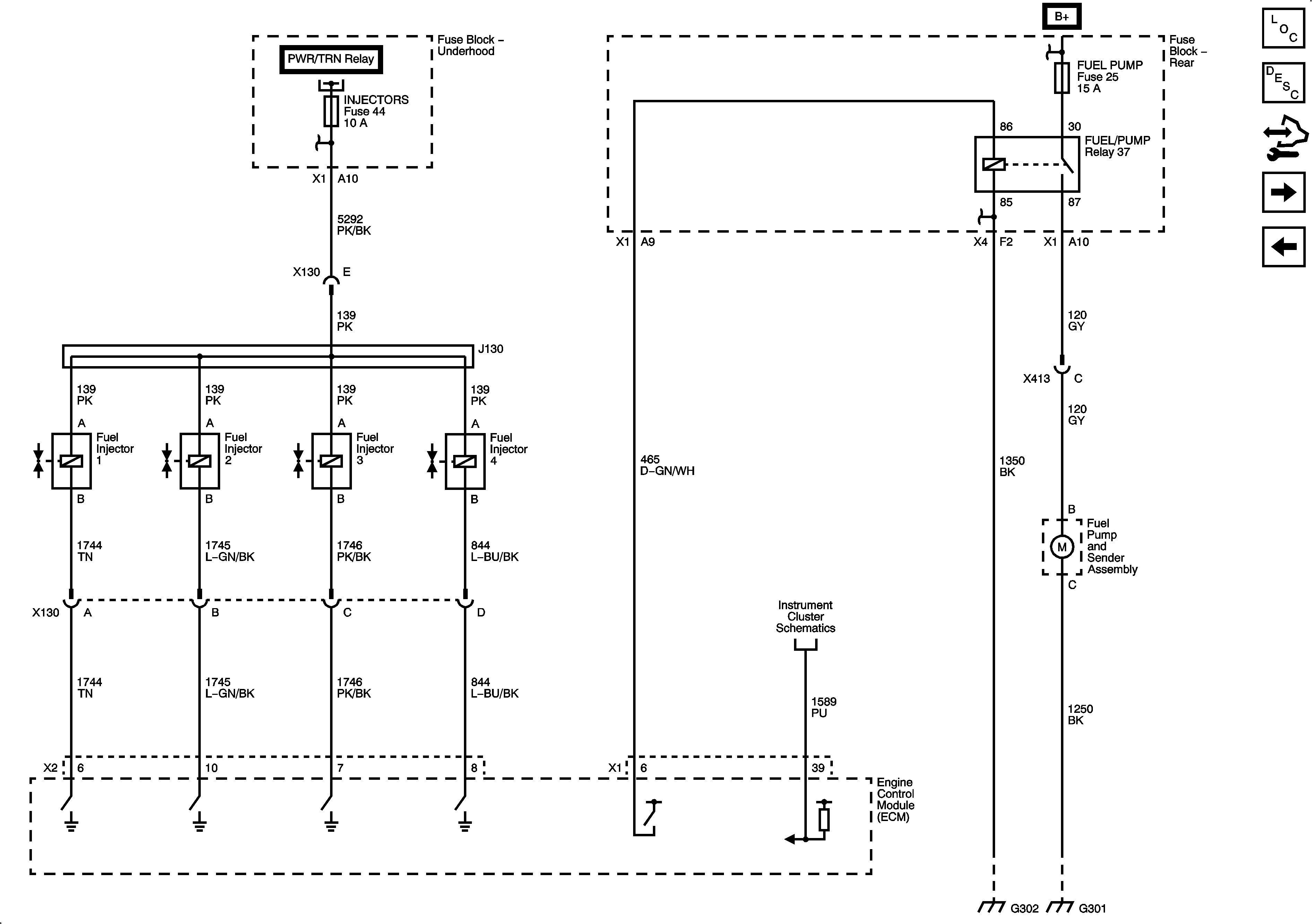
Fuel Controls - Fuel Injectors and Fuel Pump Controls
Ignition Controls - Ignition System
Figure 7:

Fuel Controls - Fuel Injectors and Fuel Pump Controls


Object Number: 1912541  Size: FS
Master Electrical Component List
Engine Control Module Description
Control Module References
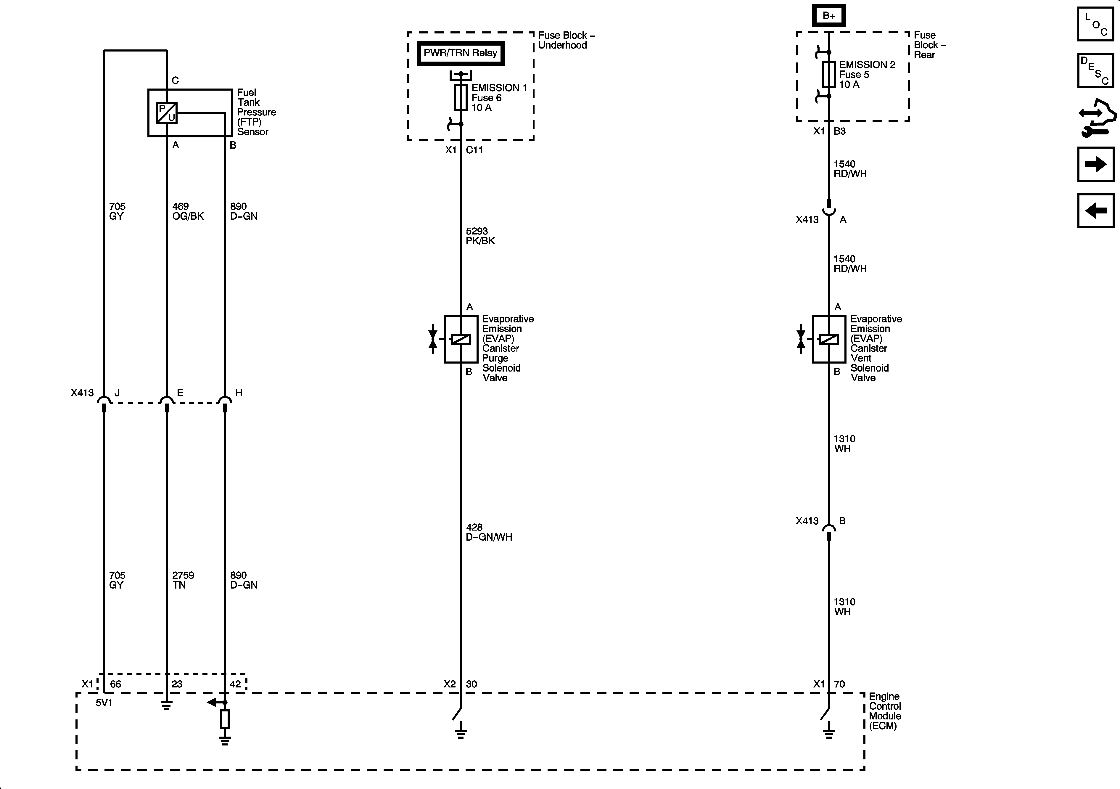
Fuel Controls - EVAP Controls
Ignition Controls - Sensors/Actuators
Figure 8:

Fuel Controls - EVAP Controls


Object Number: 1912543  Size: FS
Master Electrical Component List
Engine Control Module Description
Control Module References
Monitored/Controlled Subsystem References
Fuel Controls - Fuel Injectors and Fuel Pump Controls
Figure 9:

Monitored/Controlled Subsystem References


Object Number: 1912545  Size: FS
Master Electrical Component List
Engine Control Module Description
Control Module References
Controlled/Monitored Subsystem References
Fuel Controls - EVAP Controls