GM Service Manual Online
For 1990-2009 cars only
Figure 1:

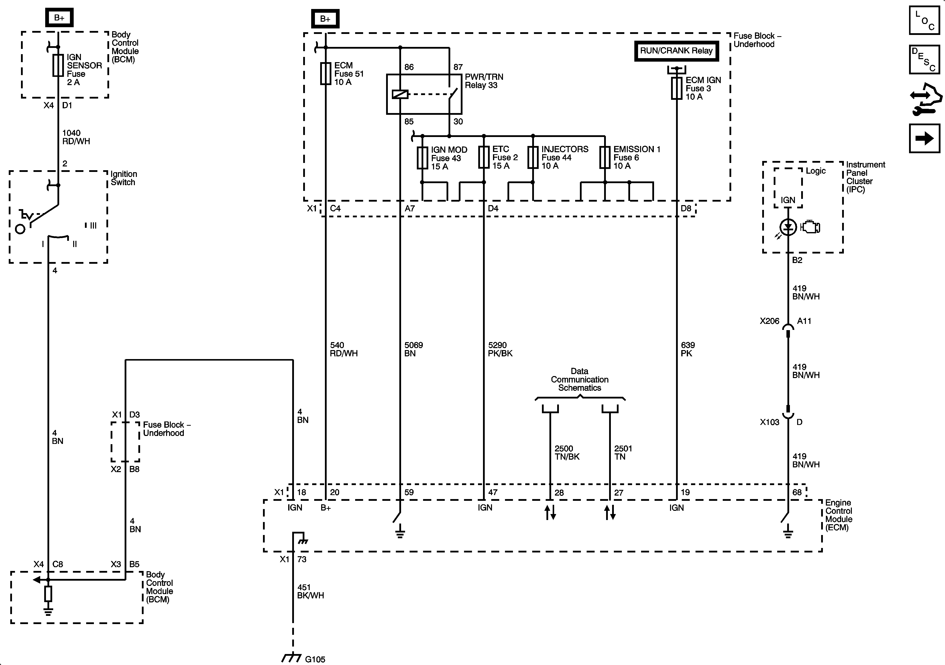
Module Power, Ground, Serial Data, and MIL


Object Number: 1912557  Size: FS
Master Electrical Component List
Engine Control Module Description
Control Module References
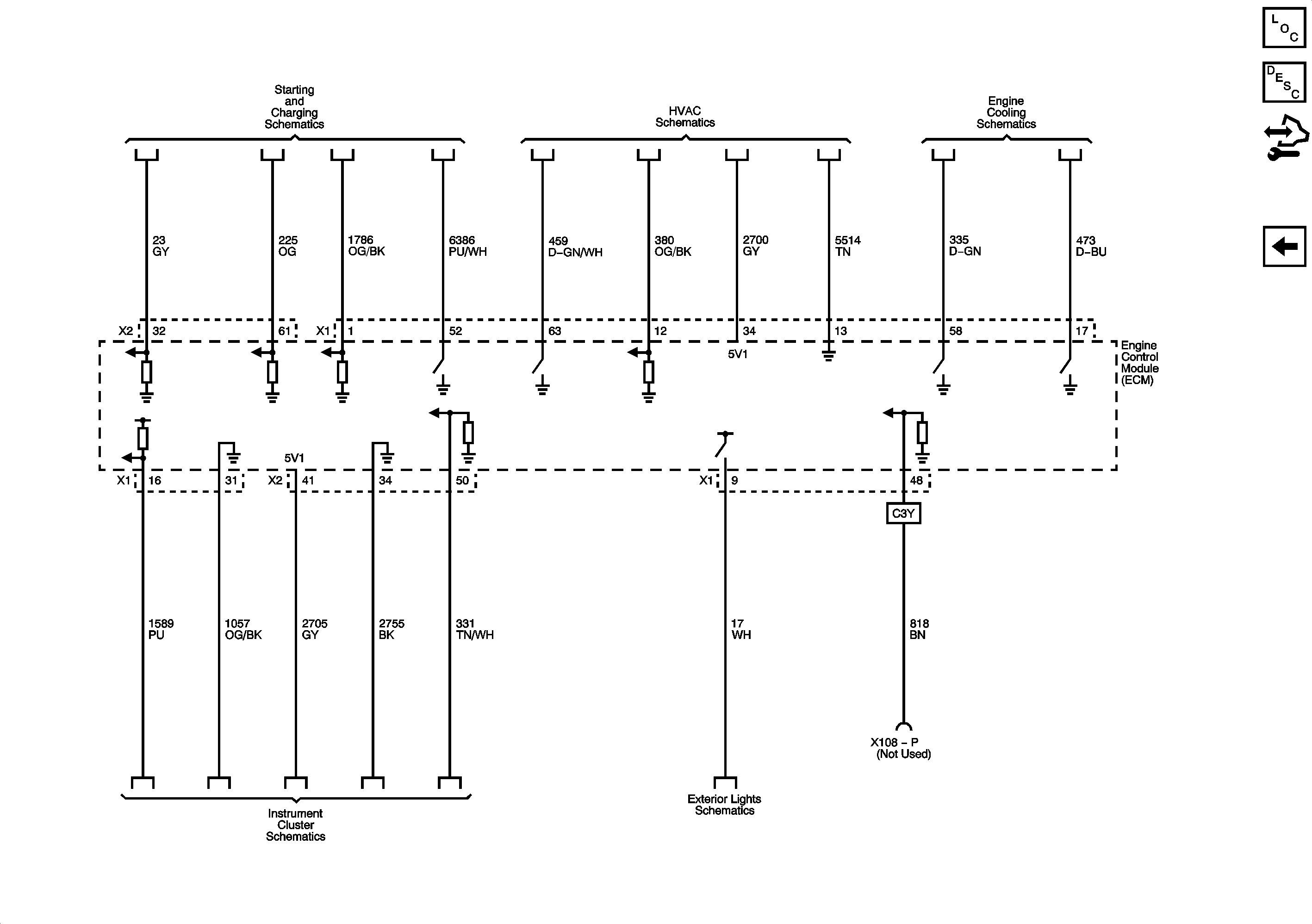
5 Volt and Low References
Figure 2:

5 Volt and Low References


Object Number: 1912562  Size: FS
Master Electrical Component List
Engine Control Module Description
Control Module References
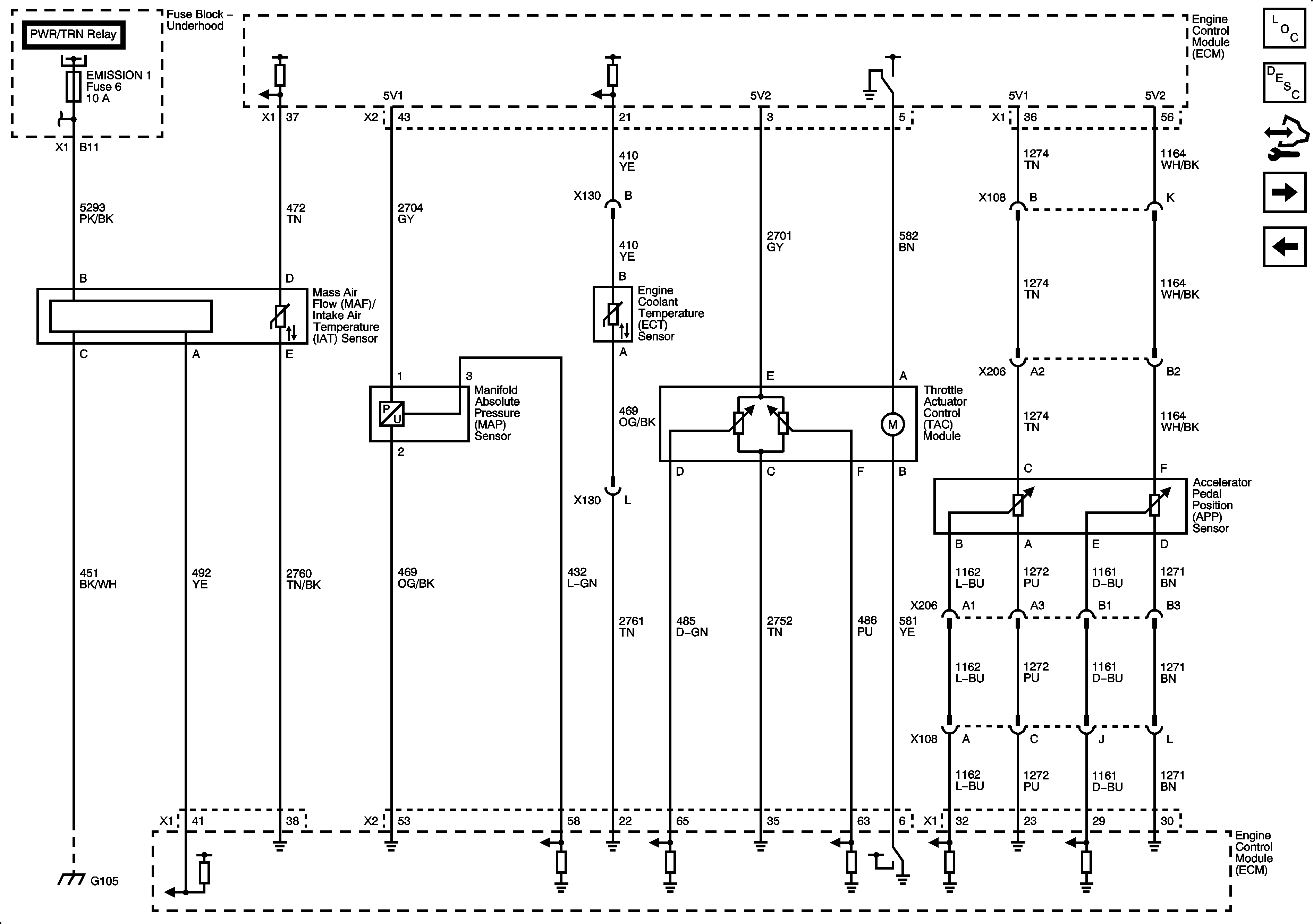
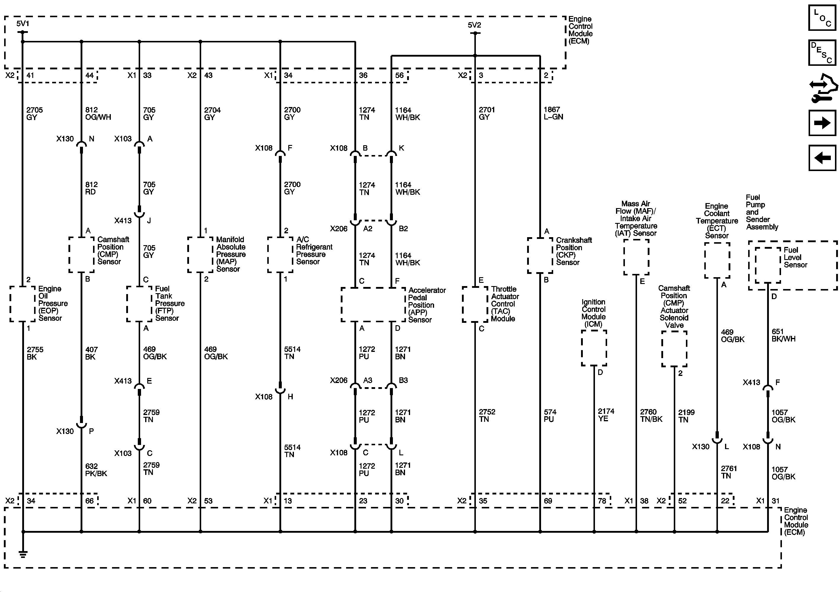
Engine Data Sensors - Pressure, Temperature, and Throttle Controls
Module Power, Ground, Serial Data, and MIL
Figure 3:

Engine Data Sensors - Pressure, Temperature, and Throttle Controls


Object Number: 1912565  Size: FS
Master Electrical Component List
Engine Control Module Description
Control Module References
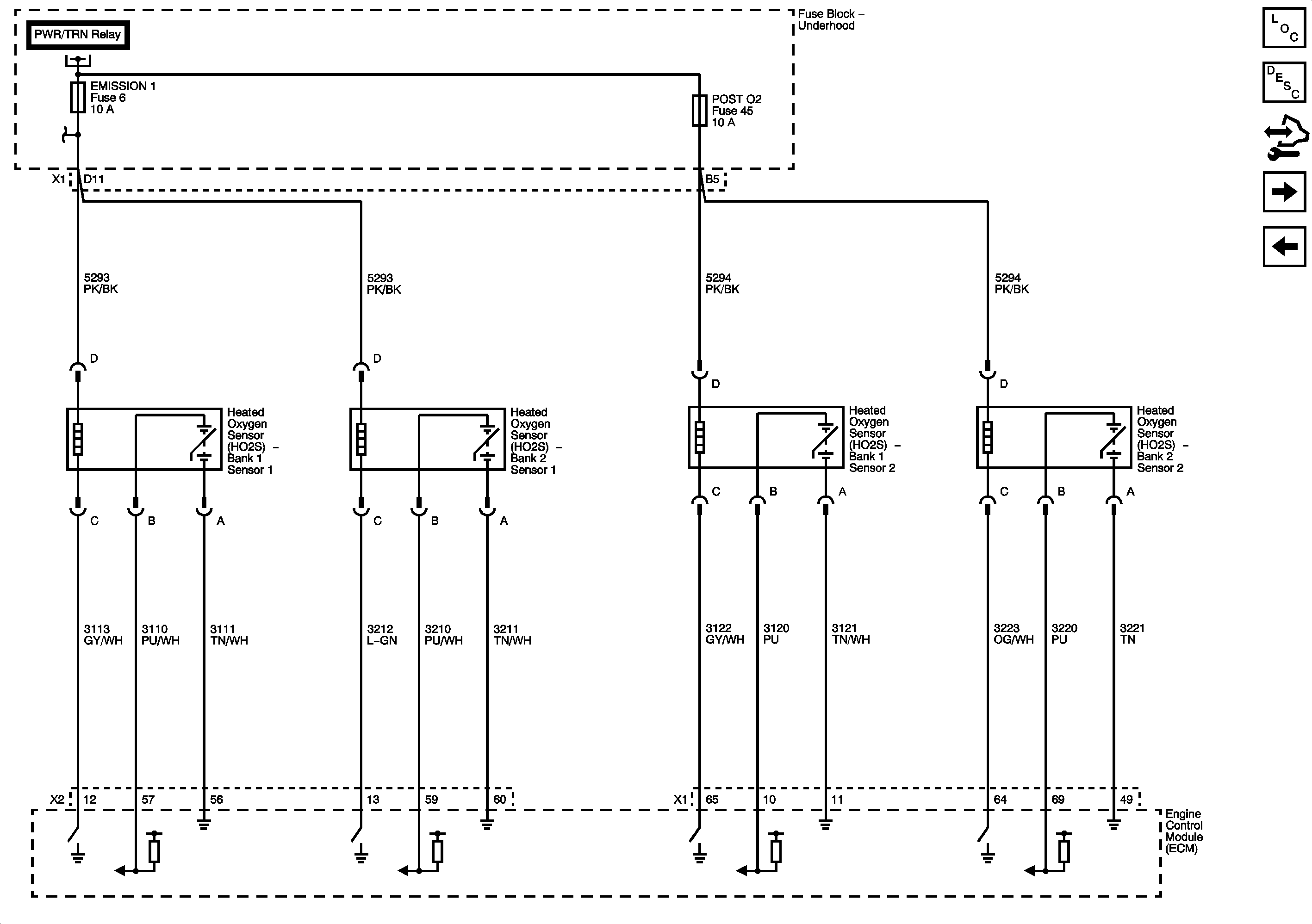
Engine Data Sensors - HO2S
5 Volt and Low References
Figure 4:

Engine Data Sensors - HO2S


Object Number: 1912569  Size: FS
Master Electrical Component List
Engine Control Module Description
Control Module References
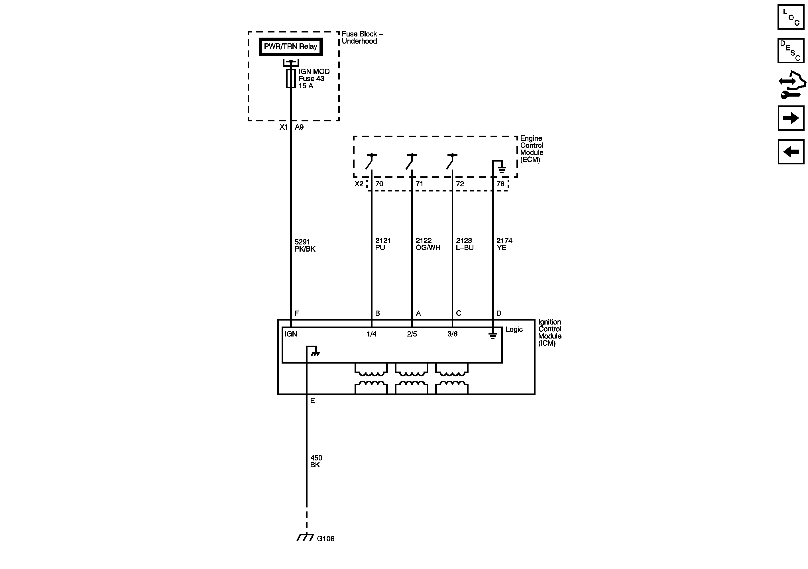
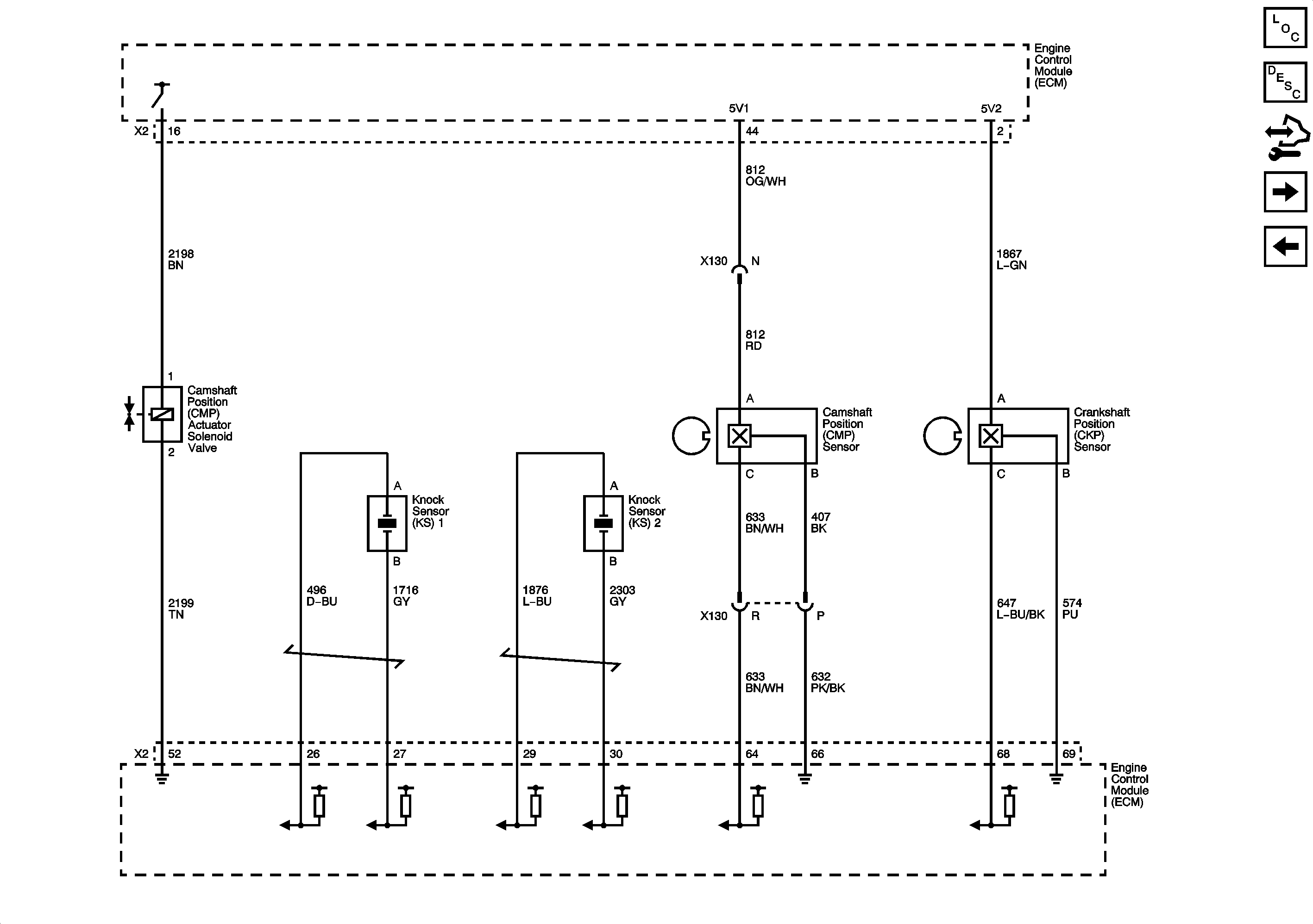
Ignition Controls - Ignition System
Engine Data Sensors - Pressure, Temperature, and Throttle Controls
Figure 5:

Ignition Controls - Ignition System


Object Number: 1912571  Size: FS
Master Electrical Component List
Engine Control Module Description
Control Module References
Ignition Controls - Sensors/Actuators
Engine Data Sensors - HO2S
Figure 6:

Ignition Controls - Sensors/Actuators


Object Number: 1912574  Size: FS
Master Electrical Component List
Engine Control Module Description
Control Module References
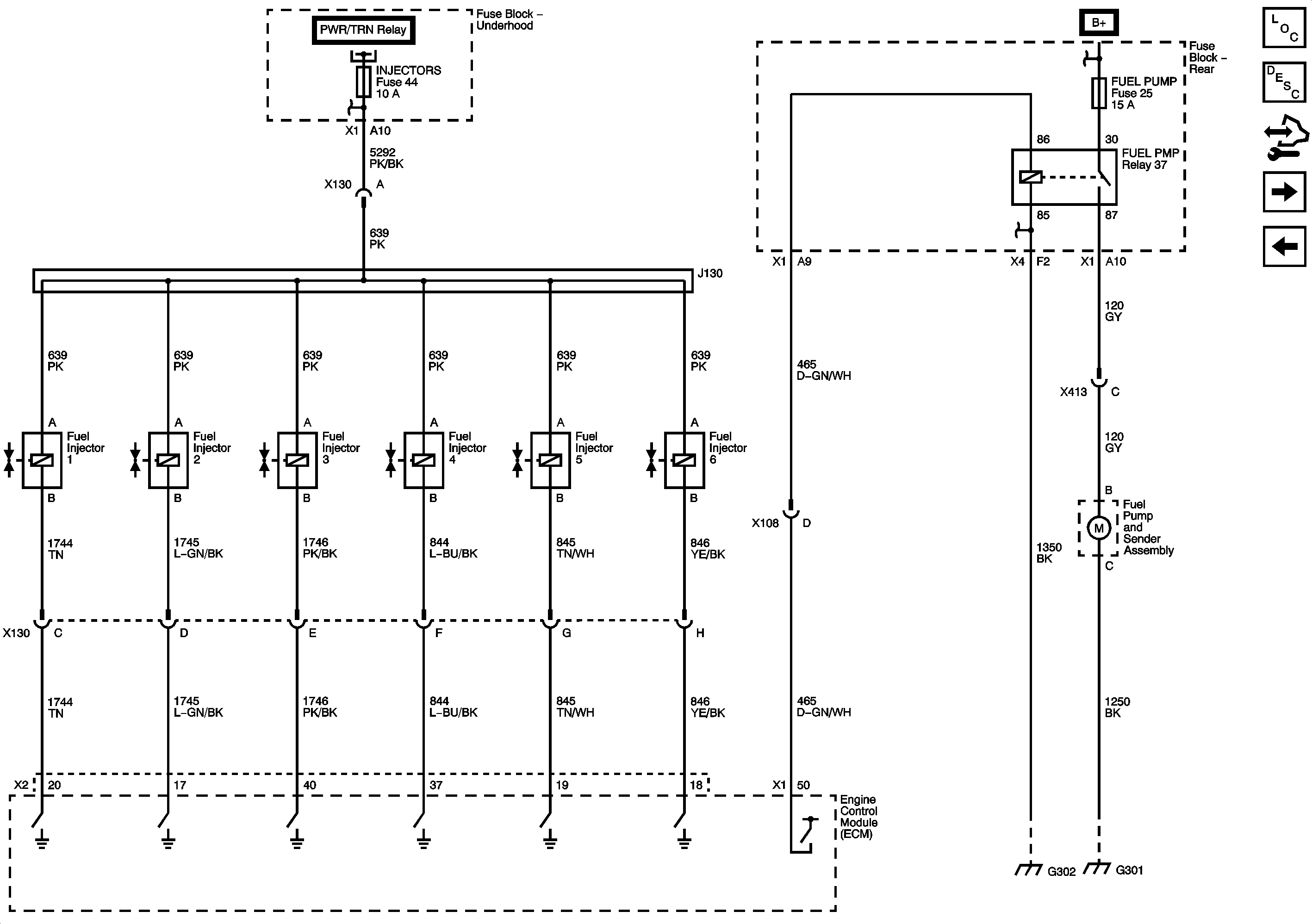
Fuel Injectors and Fuel Pump
Ignition Controls - Ignition System
Figure 7:

Fuel Controls - Fuel Injectors and Fuel Pump Controls


Object Number: 1912577  Size: FS
Master Electrical Component List
Engine Control Module Description
Control Module References
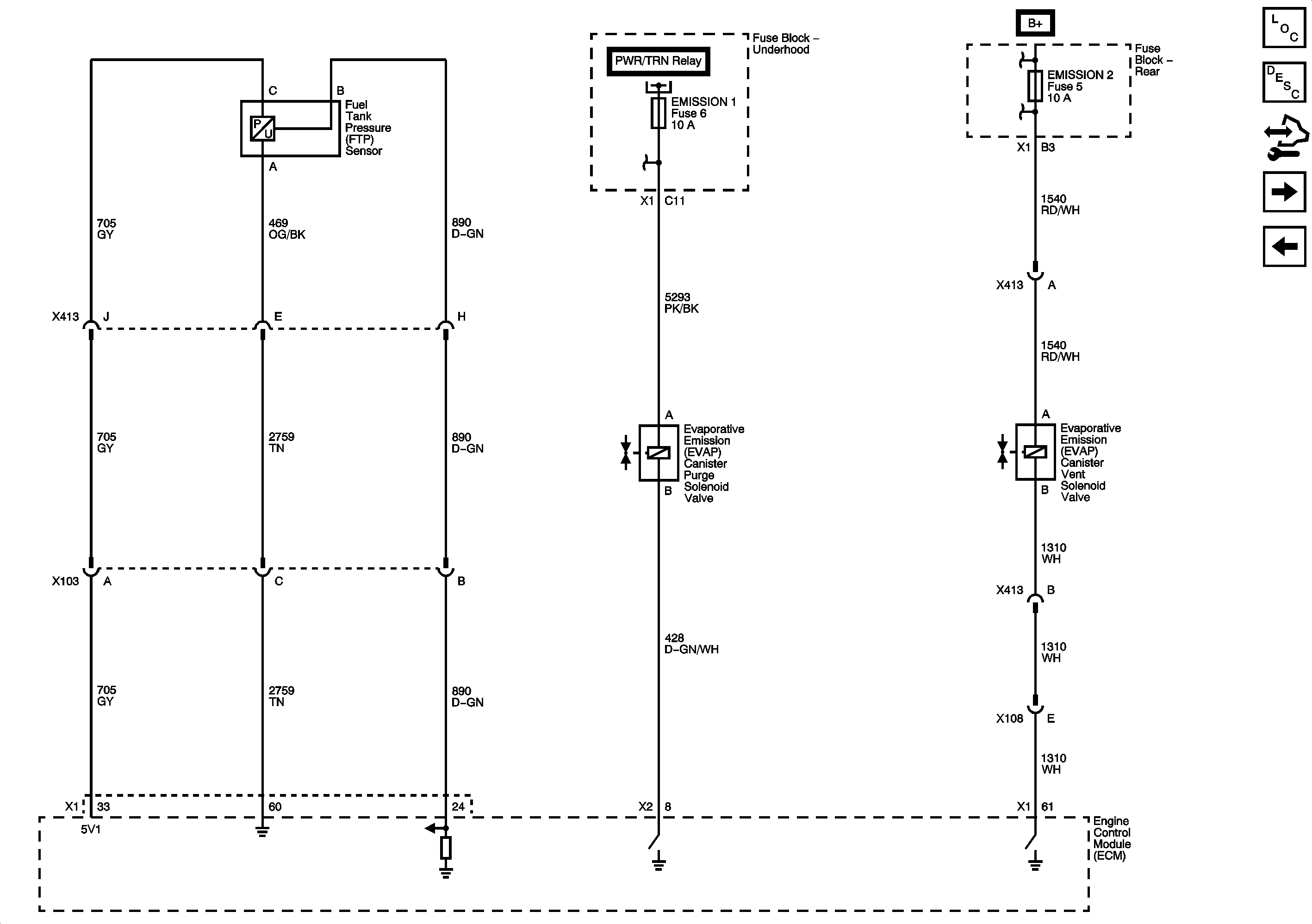
Fuel Controls - EVAP Controls
Ignition Controls - Sensors/Actuators
Figure 8:

Fuel Controls - EVAP Controls


Object Number: 1912580  Size: FS
Master Electrical Component List
Engine Control Module Description
Control Module References
Monitored/Controlled Subsystem References
Fuel Injectors and Fuel Pump
Figure 9:

Monitored/Controlled Subsystem References


Object Number: 1912582  Size: FS
Master Electrical Component List
Engine Control Module Description
Control Module References
Fuel Controls - EVAP Controls