GM Service Manual Online
For 1990-2009 cars only
Figure 1:

Underhood Fuse Block - B+ Bus


Object Number: 1913496  Size: FS
Master Electrical Component List
Control Module References
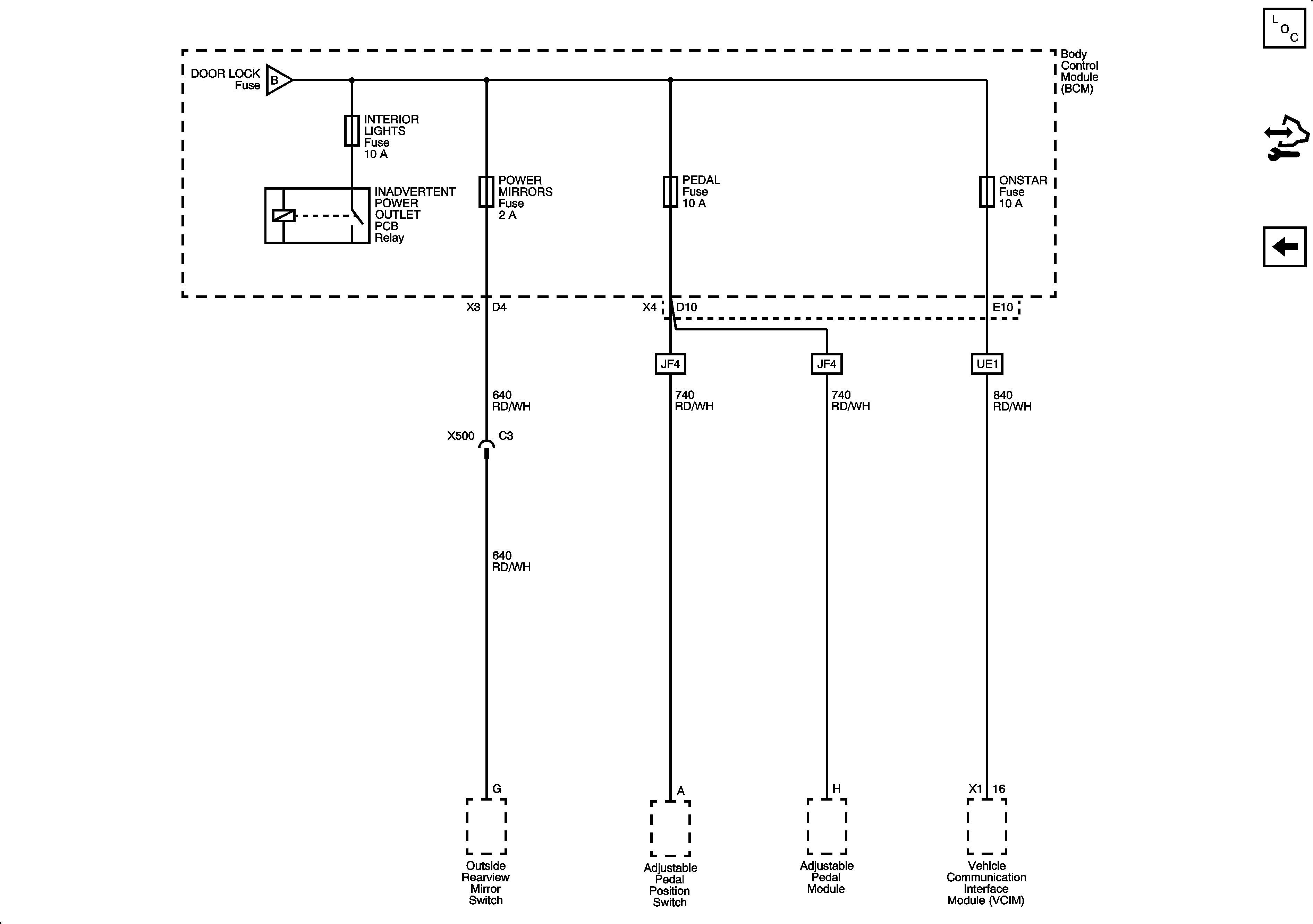
BCM INTERIOR LIGHTS, ONSTAR, PEDAL and POWER MIRRORS Fuses
Figure 2:

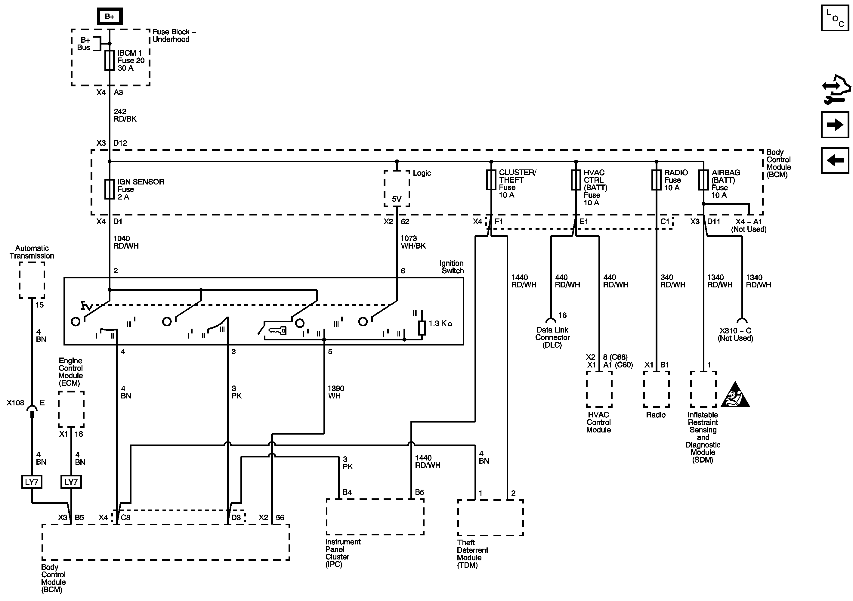
Underhood Fuse Block - IBCM 1, Body Control Module (BCM), AIRBAG (BATT), CLUSTER/THEFT, HVAC CTRL (BATT), IGN SENSOR and RADIO Fuses and Ignition Switch


Object Number: 1913380  Size: FS
Master Electrical Component List
Control Module References
Underhood Fuse Block RBEC 1 Fuse and Rear Fuse Block AUDIO AMP, BACK UP LP, CIG/AUX, FOLDING TOP LOGIC POWER HTD ST, RKE/XM/DVD/UGD, RR DEFOG and SUN RF Fuses and BACK UP LP and RR DEFOG Relays
Figure 3:

Underhood Fuse Block RBEC 1 and Rear Fuse Block AUDIO AMP, BACK UP LP, CIG/AUX, FOLDING TOP LOGIC POWER HTD ST, RKE/XM/DVD/UGD, RR DEFOG and SUN RF Fuses and BACK UP LP and RR DEFOG Relays


Object Number: 1913383  Size: FS
Master Electrical Component List
Control Module References
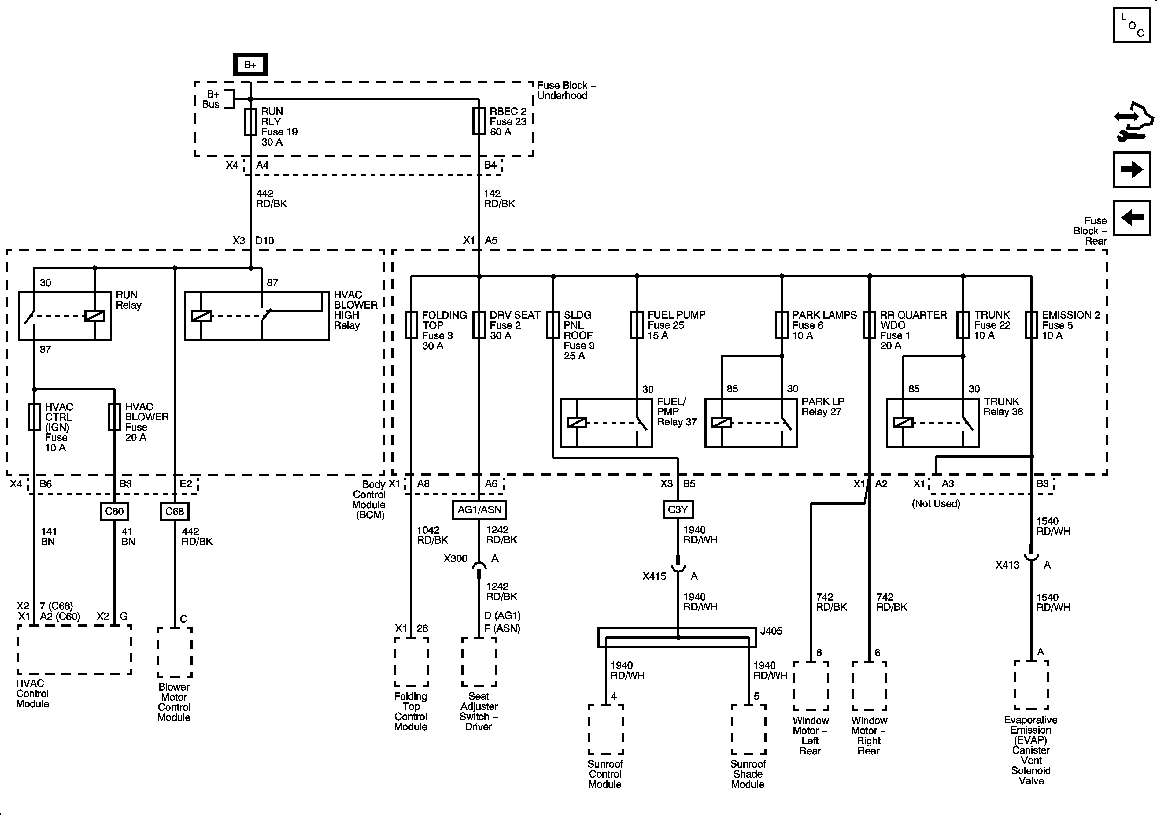
Underhood Fuse Block RBEC 2 Fuse and RUN RLY, BCM HVAC BLOWER HIGH and RUN Relays, HVAC BLOWER and HVAC CTRL (IGN) Fuses, Rear Fuse Block FUEL, PARK LPS and TRUNK Relays, DRV ST, EMISSION 2, FOLDING T
Underhood Fuse Block IBCM 1 Fuse, BCM AIRBAG (BATT), CLUSTER/THEFT, HVAC CTRL (BATT), IGN SENSOR and RADIO Fuses and Ignition Switch
Figure 4:

Underhood Fuse Block RBEC 2 Fuse and RUN RLY, BCM, HVAC BLOWER HIGH and RUN Relays, HVAC BLOWER and HVAC CTRL (IGN) Fuses, Rear Fuse Block FUEL, PARK LPSand TRUNK Relays, DRV ST, EMISSION 2, FOLDING T


Object Number: 1913386  Size: FS
Master Electrical Component List
Control Module References
Underhood Fuse Block RBEC 2 Fuse and RUN RLY, BCM HVAC BLOWER HIGH and RUN Relays, HVAC BLOWER and HVAC CTRL (IGN) Fuses, Rear Fuse Block FUEL, PARK LPS and TRUNK
Underhood Fuse Block RBEC 1 Fuse and Rear Fuse Block AUDIO AMP, BACK UP LP, CIG/AUX, FOLDING TOP LOGIC POWER HTD ST, RKE/XM/DVD/UGD, RR DEFOG and SUN RF Fuses and BACK UP LP and RR DEFOG Relays
Figure 5:

Underhood Fuse Block DRL, LO/BEAM and HI/BEAM Relay, ABS, DRL, EPS, IBCM 1, IBCM 2, LT HI BEAM, LT LOW BEAM, PCM, PWR WDO CPE/CONV, RT HI BEAM, RT LOW BEAM, and TCM Fuses


Object Number: 1913392  Size: FS
Master Electrical Component List
Control Module References
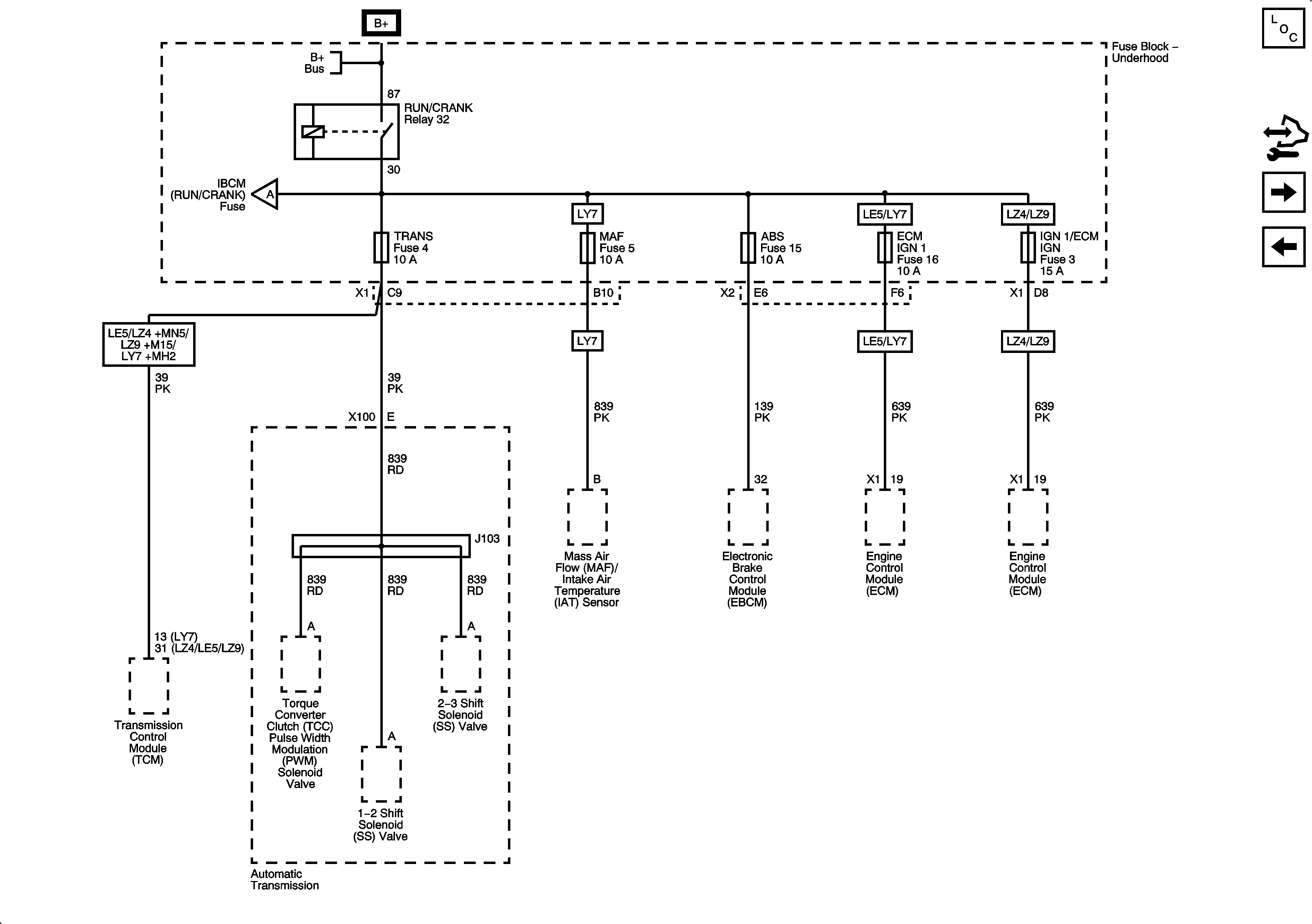
Underhood Fuse Block RUN/CRANK Relay, ABS, IGN 1, INJ, PCM IGN 1 and TRANS Fuses
Underhood Fuse Block RBEC 2 Fuse and RUN RLY, BCM HVAC BLOWER HIGH and RUN Relays, HVAC BLOWER and HVAC CTRL (IGN) Fuses, Rear Fuse Block FUEL, PARK LPS and TRUNK Relays, DRV ST, EMISSION 2, FOLDING T
Figure 6:

Underhood Fuse Block RUN/CRANK Relay, ABS, IGN 1, INJ, PCM IGN 1 and TRANS Fuses


Object Number: 1913408  Size: FS
Master Electrical Component List
Control Module References
Underhood Fuse Block A/C CLUTCH and PWR/TRN Relays, EMISSION 1, ETC, IGN MOD and IMTV/DOD Fuses
Underhood Fuse Block RBEC 2 Fuse and RUN RLY, BCM HVAC BLOWER HIGH and RUN Relays, HVAC BLOWER and HVAC CTRL (IGN) Fuses, Rear Fuse Block FUEL, PARK LPS and TRUNK
Figure 7:

Underhood Fuse Block A/C CLUTCH and PWR/TRN Relays, EMISSION 1, ETC, IGN MOD and IMTV/DOD Fuses


Object Number: 1913412  Size: FS
Master Electrical Component List
Control Module References
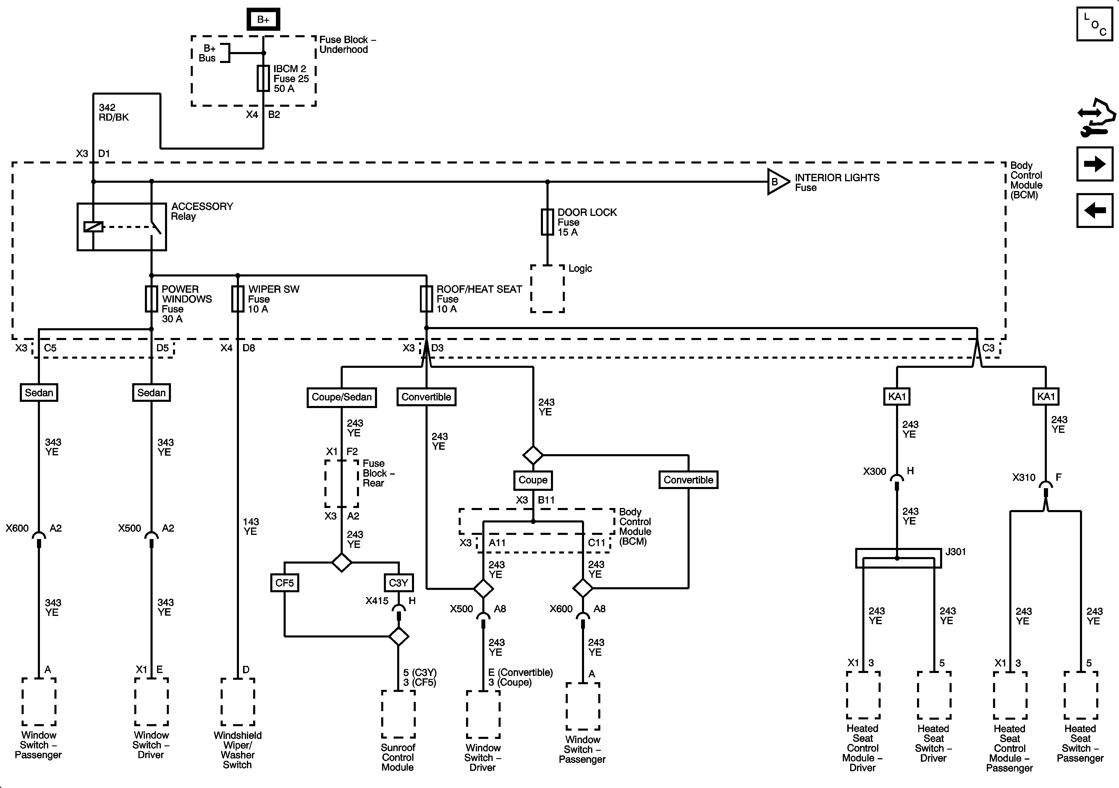
Underhood Fuse Block IBCM 2 Fuse, BCM ACCESSORY Relay, DOOR LOCK, POWER WINDOWS, ROOF/HEAT SEAT and WIPER SW Fuses
Underhood Fuse Block RUN/CRANK Relay, ABS, IGN 1, INJ, PCM IGN 1 and TRANS Fuses
Figure 8:

Underhood Fuse Block IBCM 2 Fuse, BCM ACCESSORY Relay, DOOR LOCK, POWER WINDOWS, ROOF/HEAT SEAT and WIPER SW Fuses


Object Number: 1913417  Size: FS
Master Electrical Component List
Control Module References
Underhood Fuse Block IBCM (RUN/CRANK), BCM AIRBAG (IGN), EPS and RUN/CRANK Fuses
Underhood Fuse Block A/C CLUTCH and PWR/TRN Relays, EMISSION 1, ETC, IGN MOD and IMTV/DOD Fuses
Figure 9:

Underhood Fuse Block IBCM (RUN/CRANK), BCM AIRBAG (IGN), EPS and RUN/CRANK Fuses


Object Number: 1913421  Size: FS
Master Electrical Component List
Control Module References
BCM INTERIOR LIGHTS, ONSTAR, PEDAL and POWER MIRRORS Fuses
Underhood Fuse Block IBCM 2 Fuse, BCM ACCESSORY Relay, DOOR LOCK, POWER WINDOWS, ROOF/HEAT SEAT and WIPER SW Fuses
Figure 10:

BCM INTERIOR LIGHTS, ONSTAR™, PEDAL and POWER MIRRORS Fuses


Object Number: 1913423  Size: FS
Master Electrical Component List
Control Module References
Underhood Fuse Block B+
Underhood Fuse Block IBCM (RUN/CRANK), BCM AIRBAG (IGN), EPS and RUN/CRANK Fuses