GM Service Manual Online
For 1990-2009 cars only
Makes
🢒
Pontiac
🢒
2008
🢒
G6
🢒
Diagnostic Navigation
🢒
Vehicle Diagnostic Information
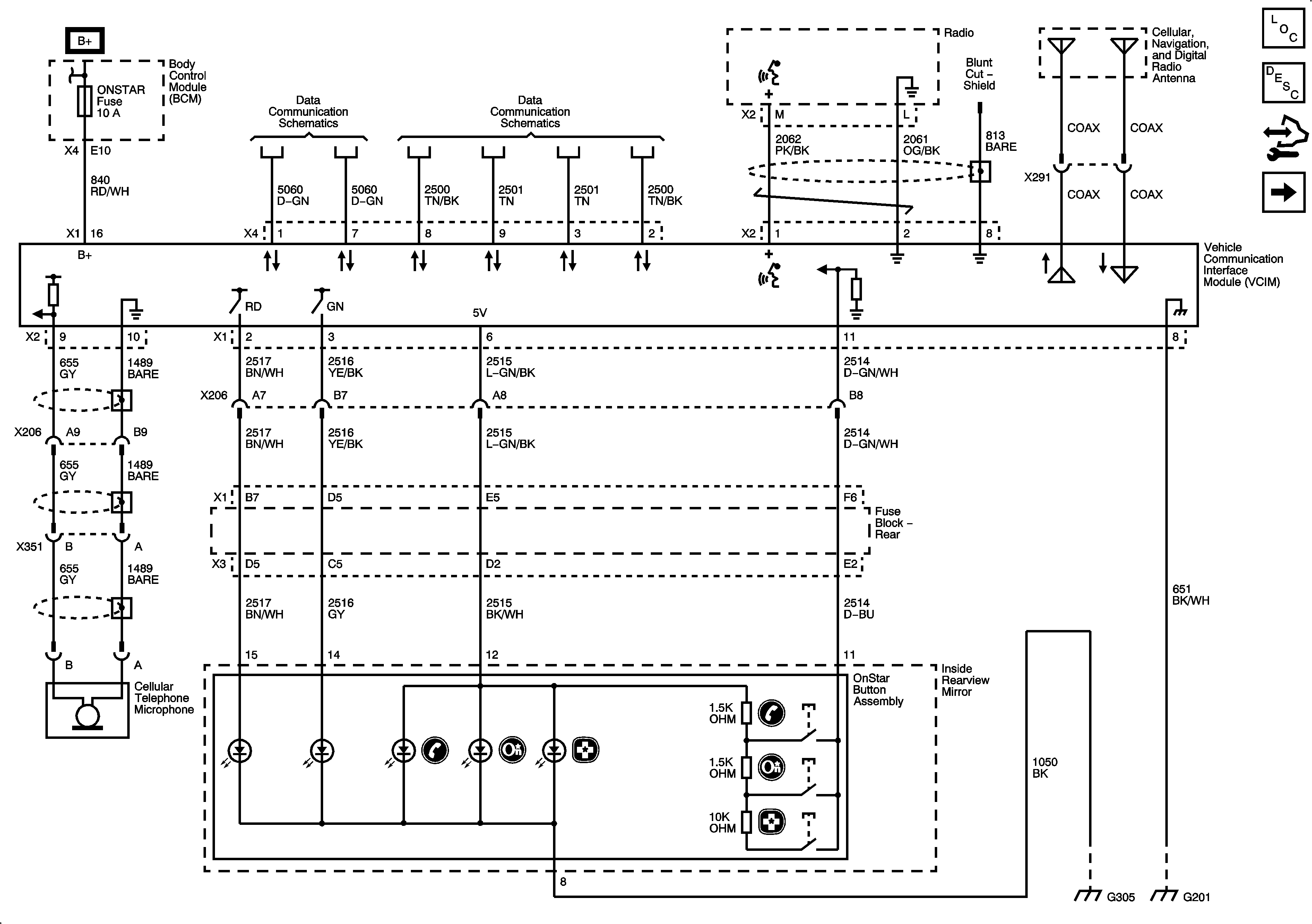
🢒 OnStar Schematics
Figure
1:
Onstar (Coupe/Sedan)
Master Electrical Component List
OnStar Description and Operation
Control Module References
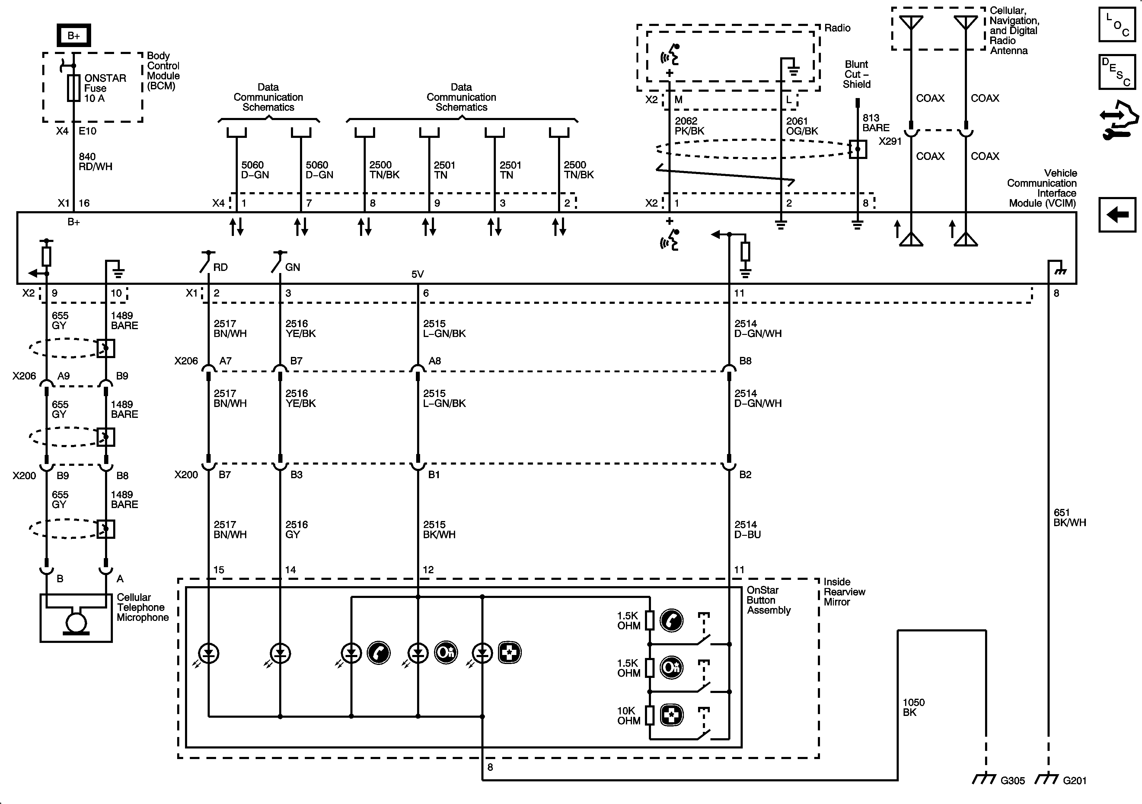
OnStar - Convertible
Figure
2:
Onstar (Convertible)
Master Electrical Component List
OnStar Description and Operation
Control Module References
OnStar - Coupe/Sedan