GM Service Manual Online
For 1990-2009 cars only
Makes
🢒
Pontiac
🢒
2008
🢒
G6
🢒
Diagnostic Navigation
🢒
Vehicle Diagnostic Information
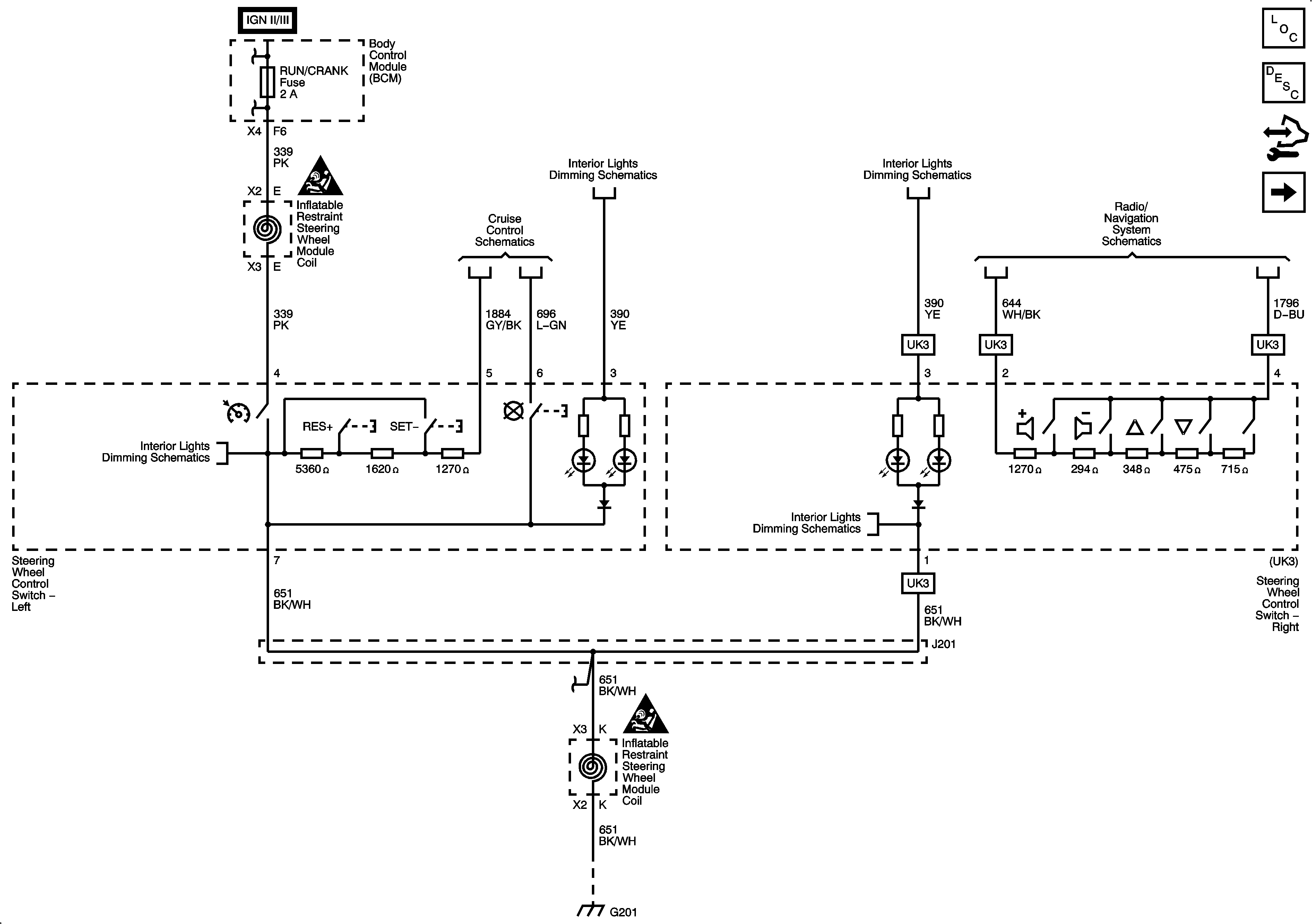
🢒 Steering Wheel Secondary/Configurable Control Schematics
Figure
1:
3-Spoke
Master Electrical Component List
Steering Wheel Controls Description and Operation
Control Module References
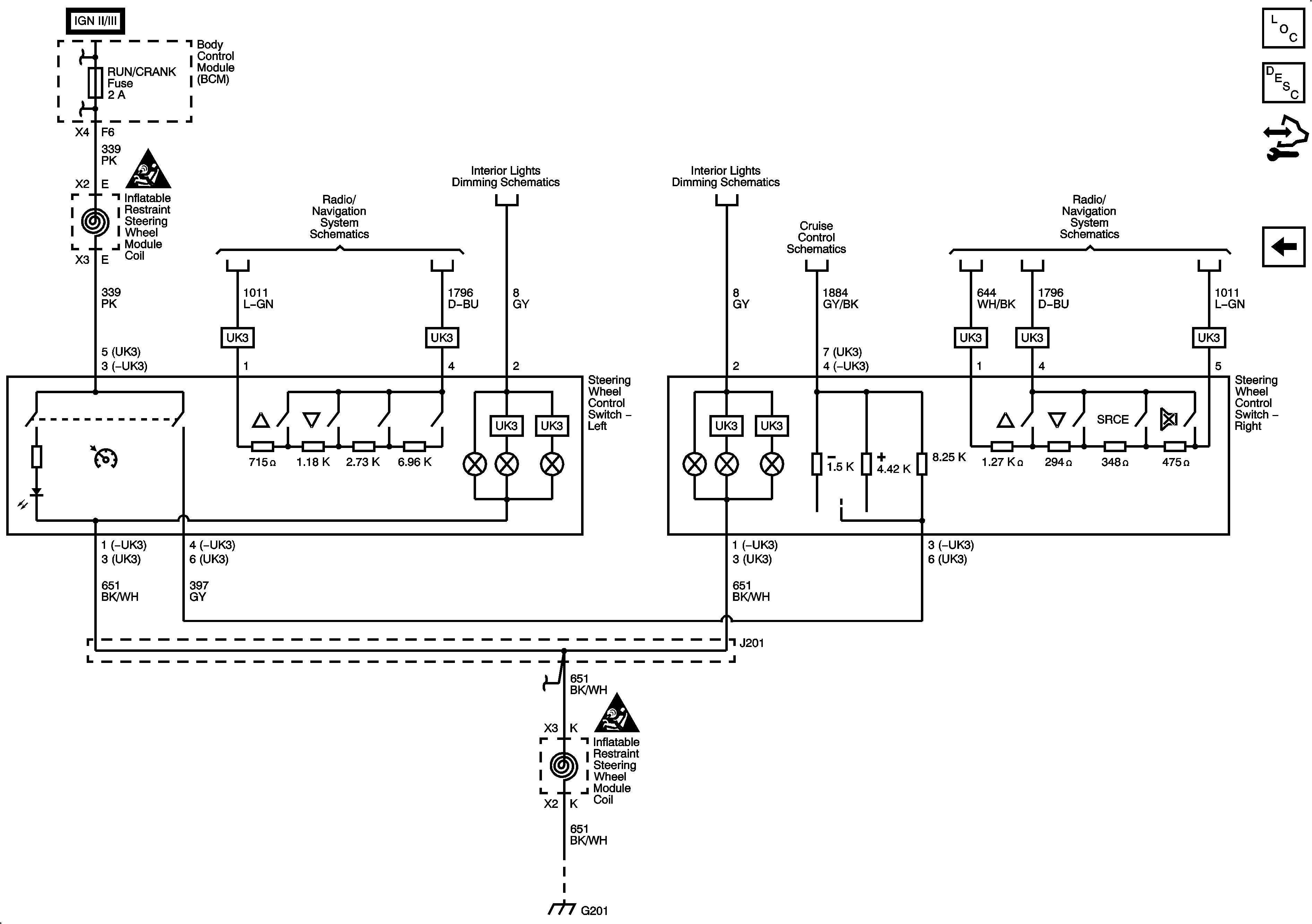
4 Spoke
Figure
2:
4-Spoke
Master Electrical Component List
Steering Wheel Controls Description and Operation
Control Module References
3 Spoke