GM Service Manual Online
For 1990-2009 cars only
Makes
🢒
Pontiac
🢒
2008
🢒
G6
🢒
Diagnostic Navigation
🢒
Vehicle Diagnostic Information
🢒 Data Communication Schematics
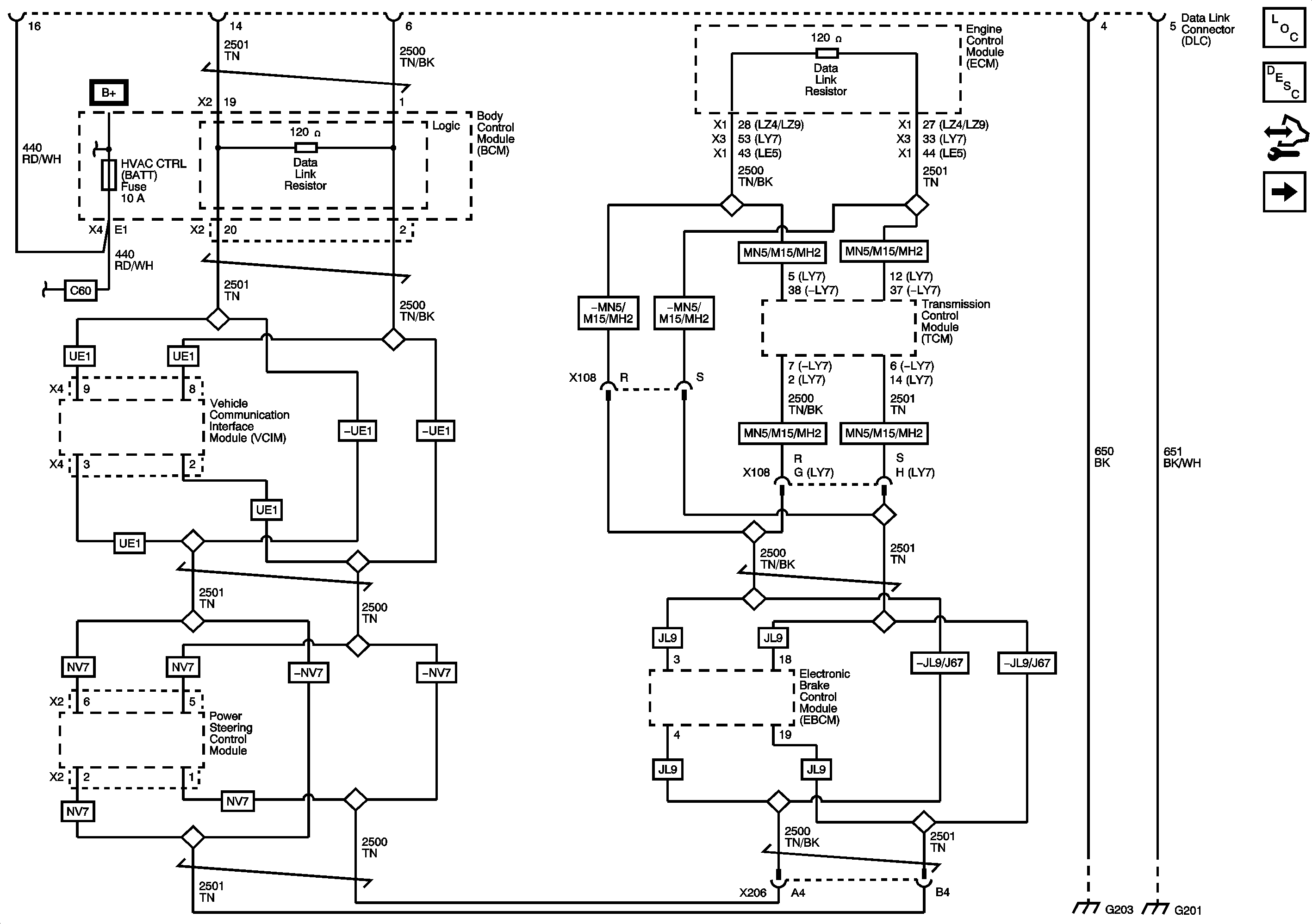
Figure
1:
Power, Ground, High Speed GMLAN Serial Data
Master Electrical Component List
Data Link Communications Description and Operation
Control Module References
Low Speed GMLAN Serial Data (1 of 2)
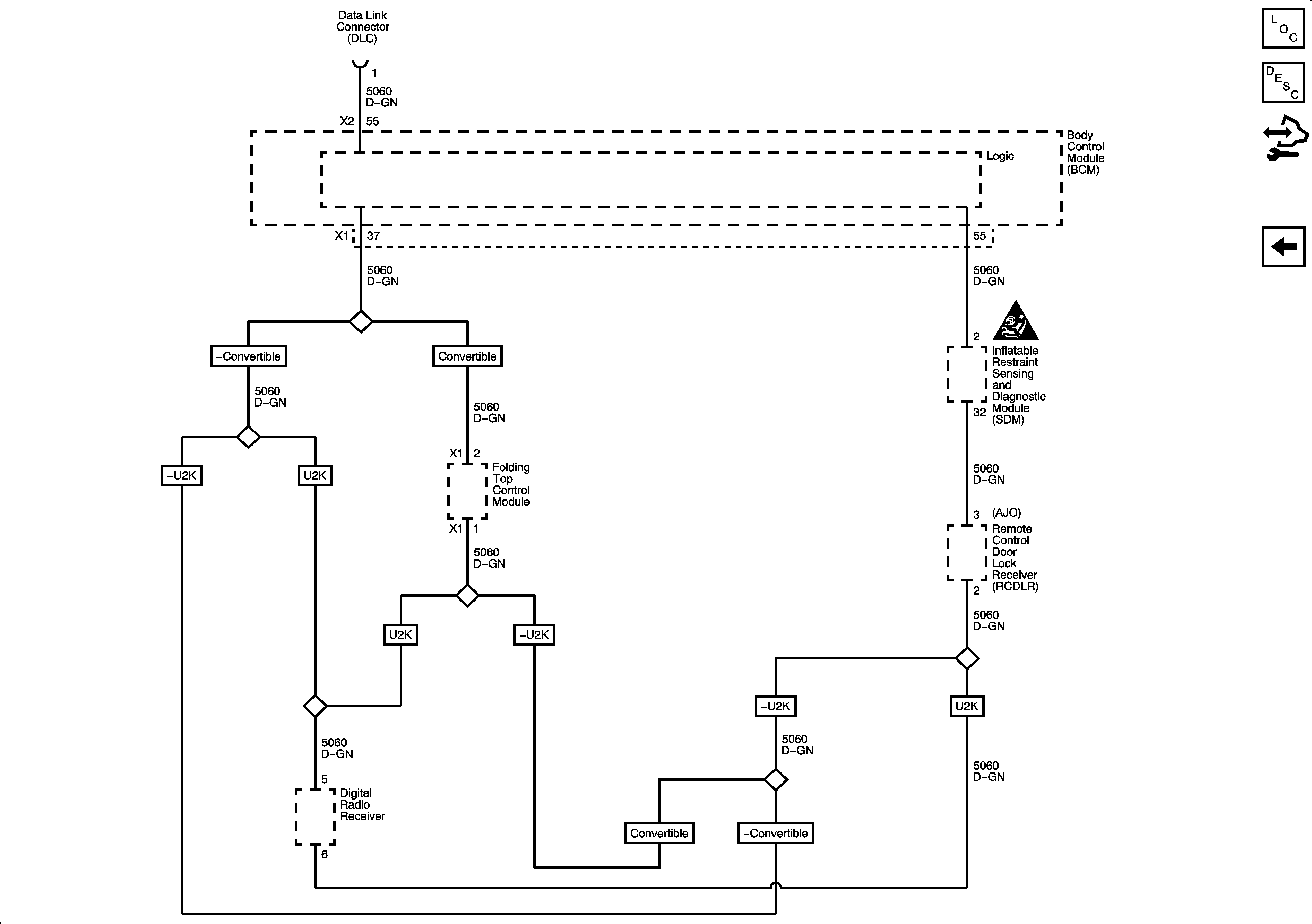
Figure
2:
Low Speed GMLAN Serial Data (1 of 2)
Master Electrical Component List
Data Link Communications Description and Operation
Control Module References
Low Speed GMLAN Serial Data (2 of 2)
Power, Ground, High Speed GMLAN Serial Data
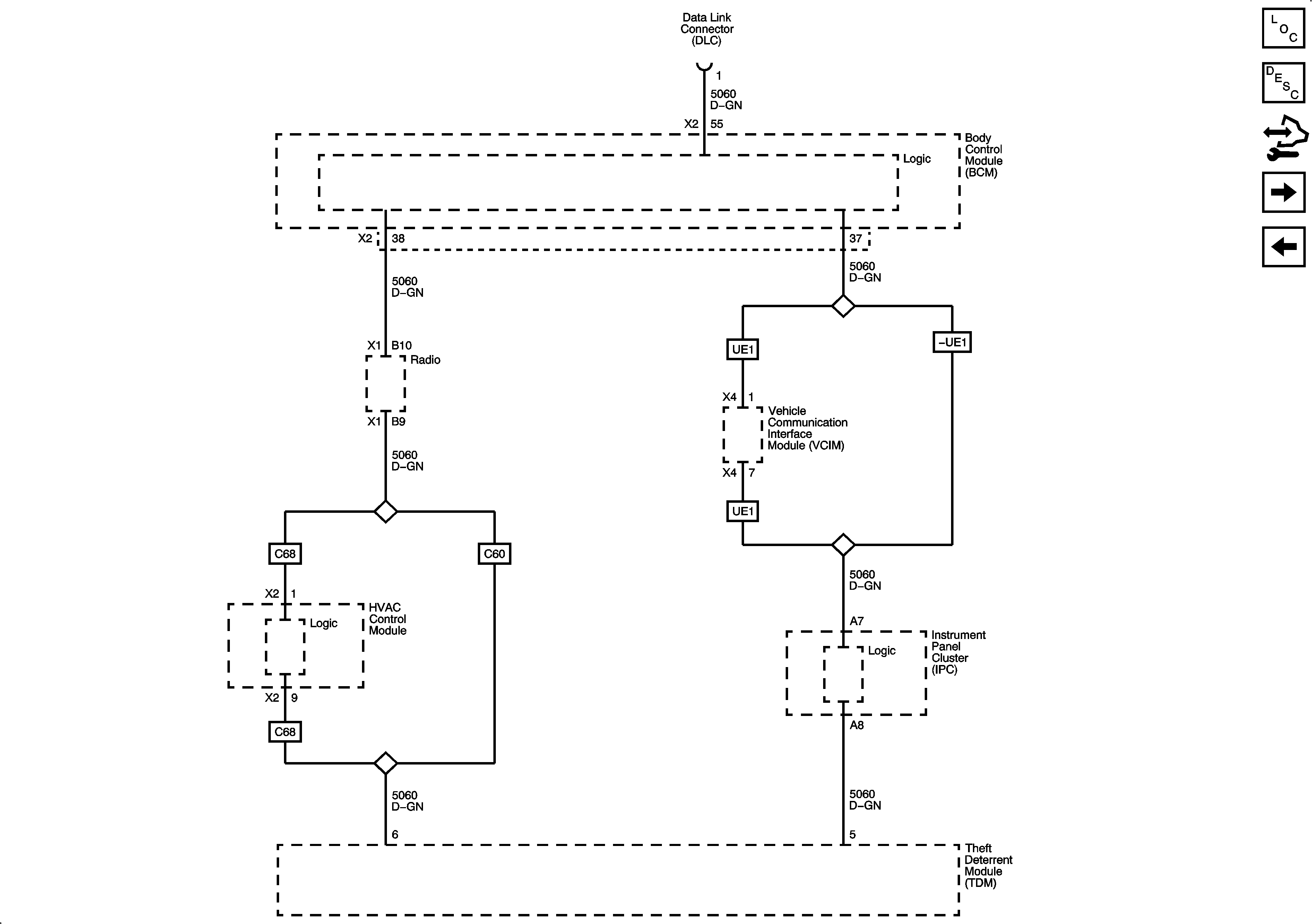
Figure
3:
Low Speed Serial Data (2 of 2)
Master Electrical Component List
Data Link Communications Description and Operation
Control Module References
Low Speed GMLAN Serial Data (1 of 2)