GM Service Manual Online
For 1990-2009 cars only
Figure 1:

Blower Motor Controls, Ground and Power


Object Number: 1912496  Size: FS
Master Electrical Component List
Air Temperature Description and Operation
Control Module References
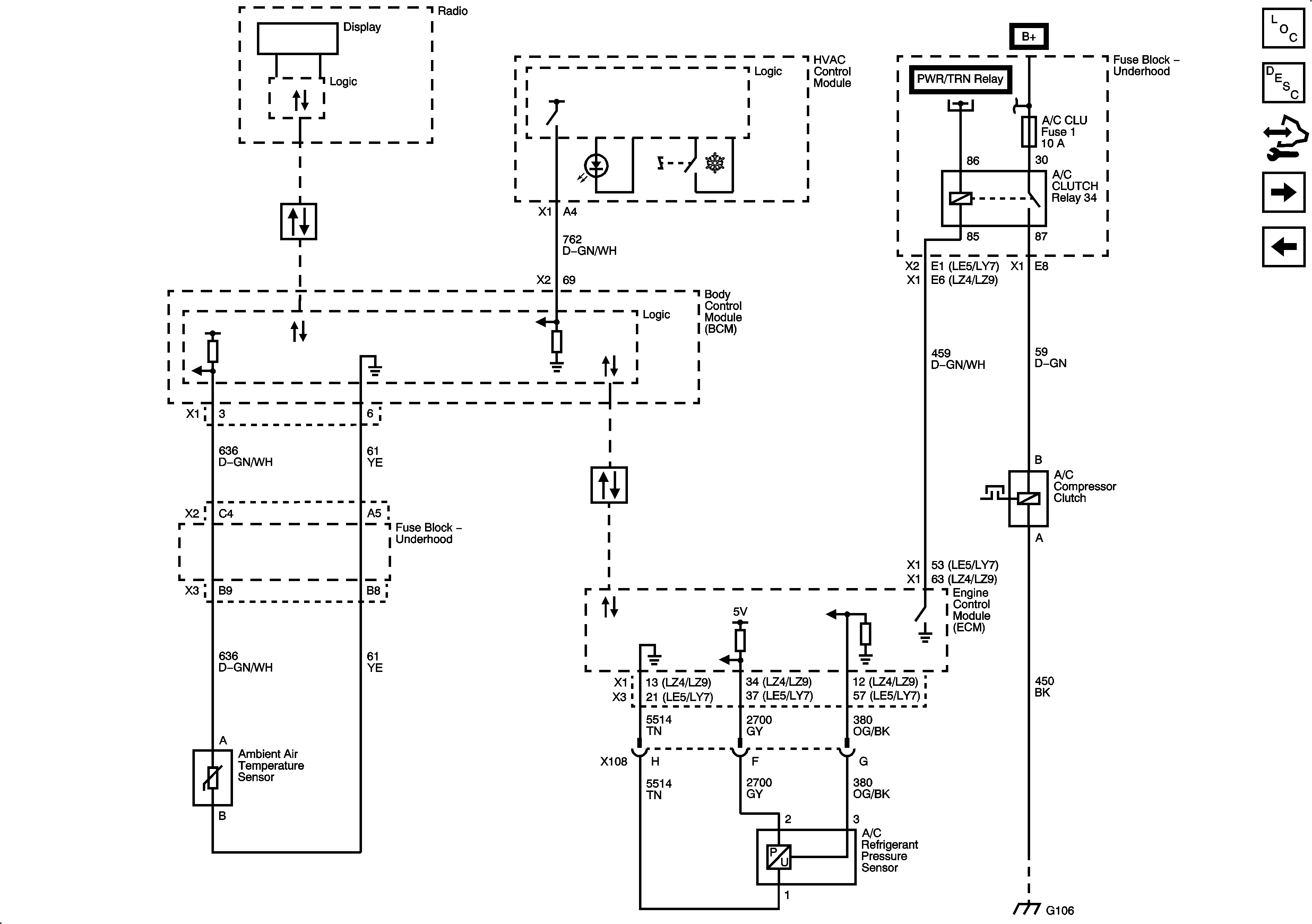
Ambient Air Temperature Sensor and Compressor Controls
Figure 2:

Ambient Air Temperature Sensor and Compressor Controls


Object Number: 1912498  Size: FS
Master Electrical Component List
Automatic Day-Night Mirror Description and Operation
Control Module References
Air Temperature and Mode Controls
Blower Motor Controls, Ground and Power
Figure 3:

Air Temperature and Mode Controls


Object Number: 1912500  Size: FS
Master Electrical Component List
Air Delivery Description and Operation
Control Module References
Ambient Air Temperature Sensor and Compressor Controls