GM Service Manual Online
For 1990-2009 cars only
Figure 1:

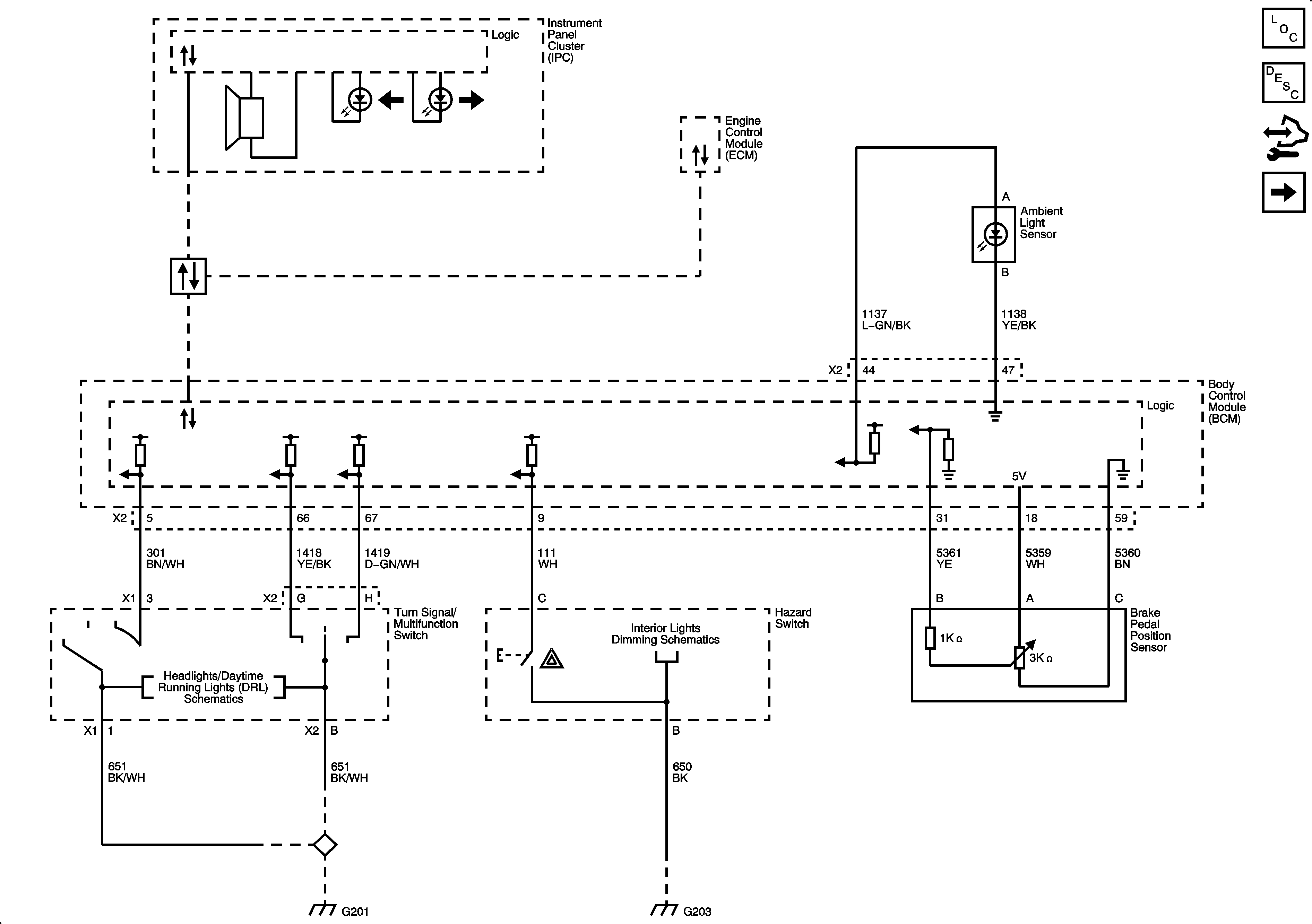
Ambient Light Sensor, Brake Pedal Position Sensor, Hazard Switch and Turn Signal/Multifunction Switch


Object Number: 1913155  Size: FS
Master Electrical Component List
Exterior Lighting Systems Description and Operation
Control Module References
Turn Signals and Stop Lamps
Figure 2:

Turn Signals and Stop Lamps


Object Number: 1913158  Size: FS
Master Electrical Component List
Exterior Lighting Systems Description and Operation
Control Module References
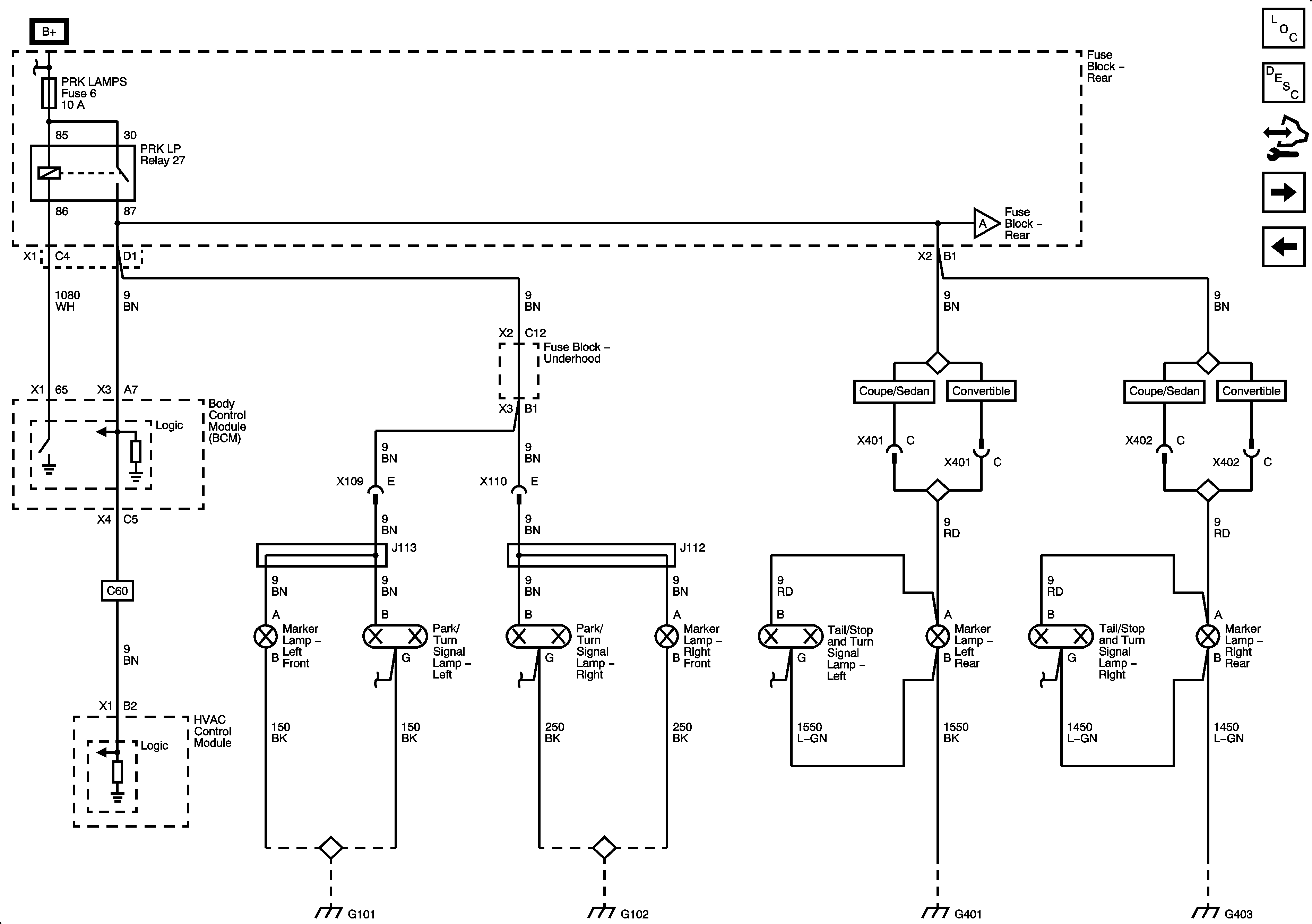
Park Lamps
Ambient Light Sensor, Brake Pedal Position Sensor, Hazard Switch, and Turn Signal/Malfunction Switch
Figure 3:

Park Lamps


Object Number: 1913162  Size: FS
Master Electrical Component List
Exterior Lighting Systems Description and Operation
Control Module References
License Lamps and Backup Lamps
Turn Signals and Stop Lamps
Figure 4:

License Lamps and Backup Lamps


Object Number: 1913165  Size: FS
Master Electrical Component List
Exterior Lighting Systems Description and Operation
Control Module References
Park Lamps