GM Service Manual Online
For 1990-2009 cars only
Makes
🢒
Pontiac
🢒
2008
🢒
G6
🢒
Diagnostic Navigation
🢒
Vehicle Diagnostic Information
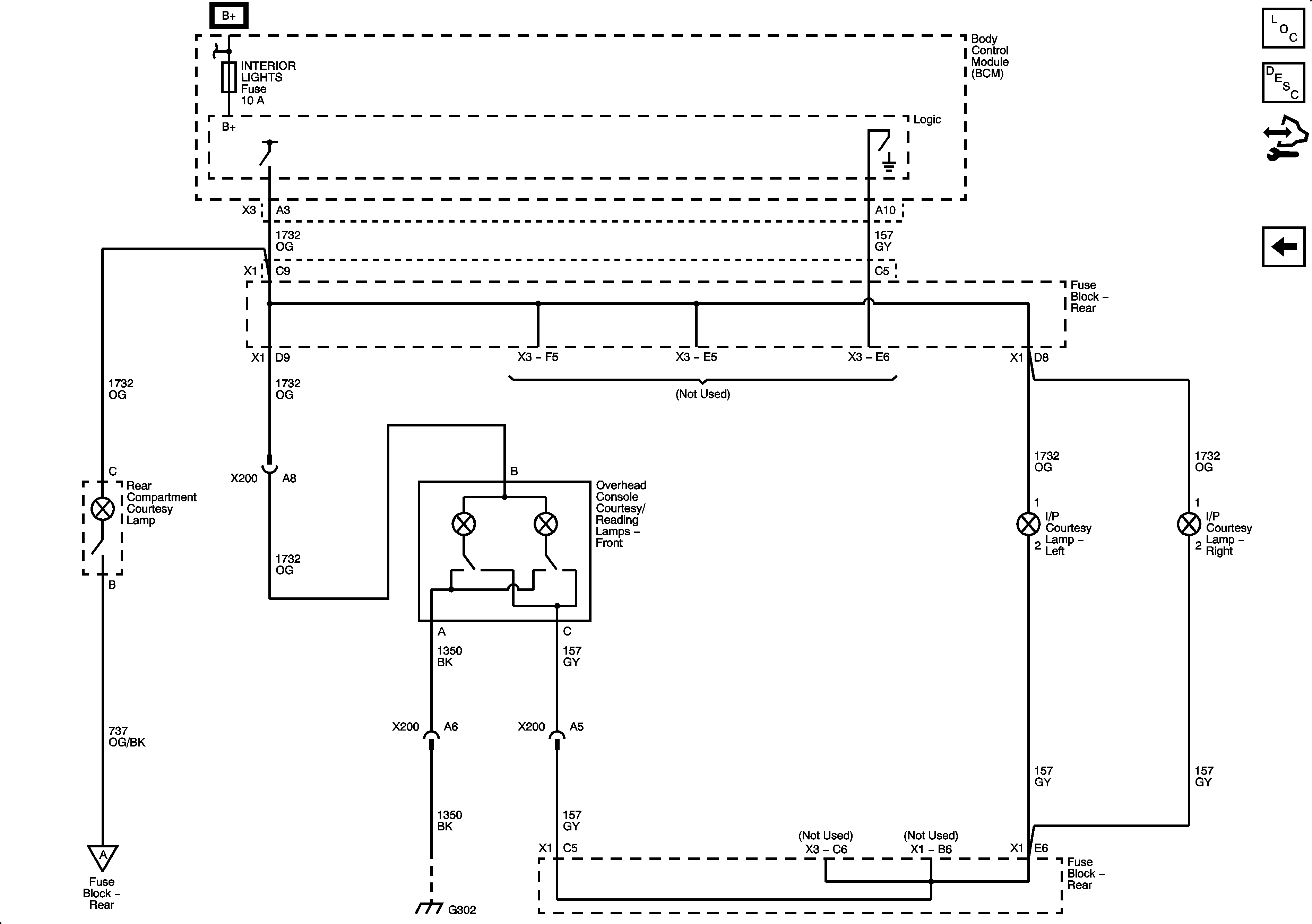
🢒 Interior Lights Schematics
Figure
1:
Inputs
Master Electrical Component List
Interior Lighting Systems Description and Operation
Control Module References
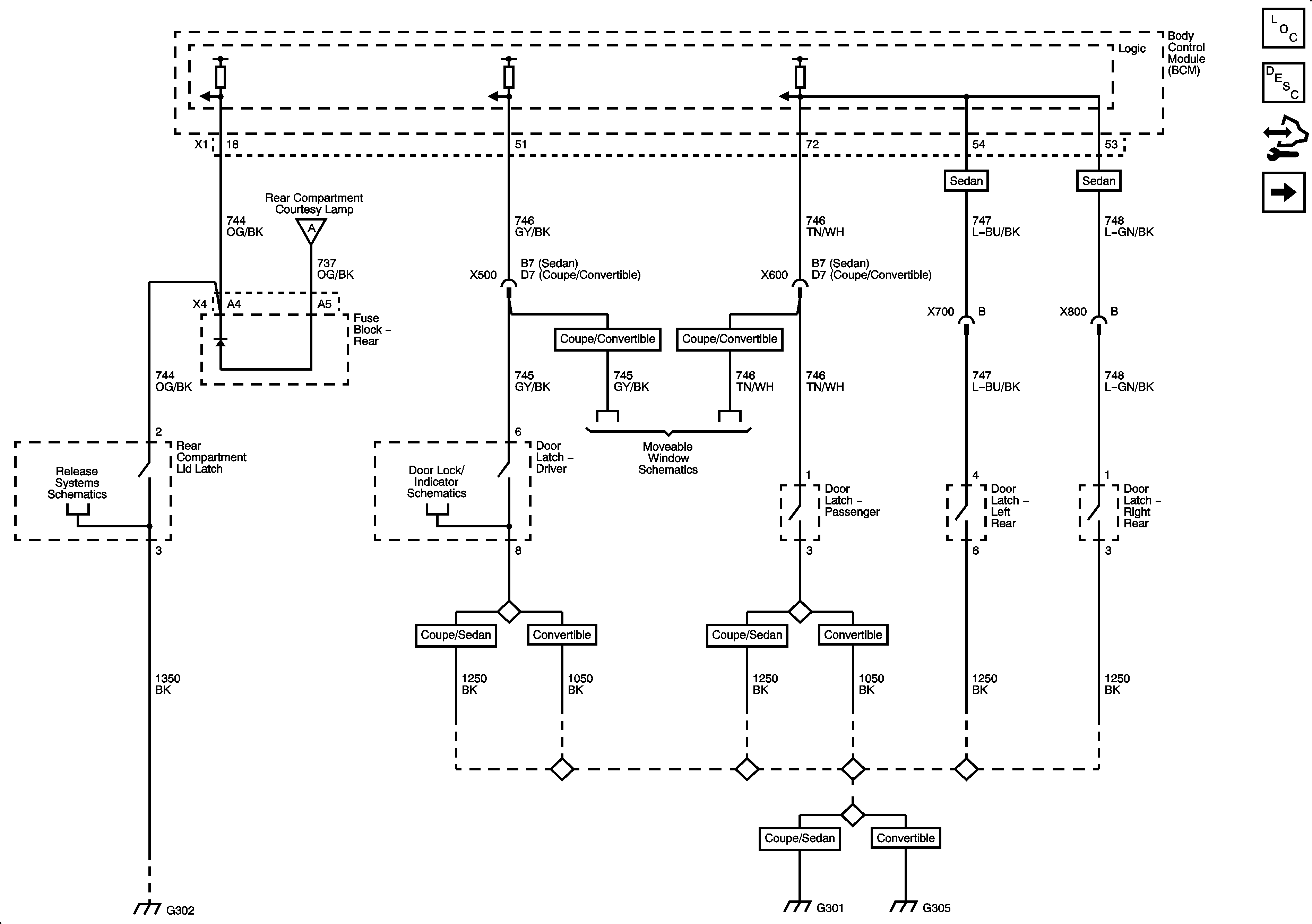
Outputs - Coupe/Sedan
Figure
2:
Outputs (Coupe/Sedan)
Master Electrical Component List
Interior Lighting Systems Description and Operation
Control Module References
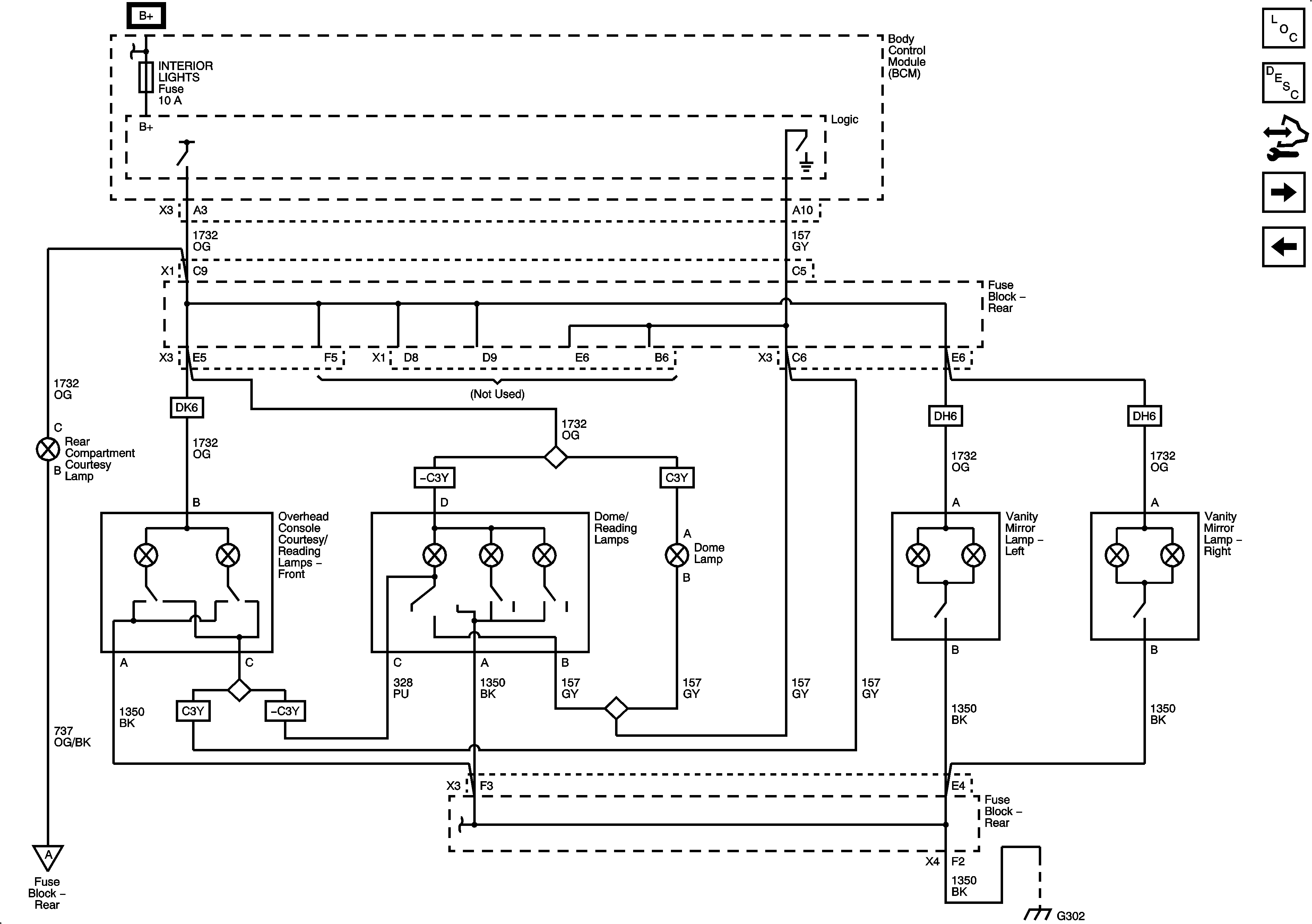
Outputs - Convertible
Inputs
Figure
3:
Outputs (Convertible)
Master Electrical Component List
Interior Lighting Systems Description and Operation
Control Module References
Outputs - Coupe/Sedan