GM Service Manual Online
For 1990-2009 cars only
Makes
🢒
Pontiac
🢒
2008
🢒
G6
🢒
Body Systems
🢒
Mirrors
🢒 Inside Rearview Mirror Schematics
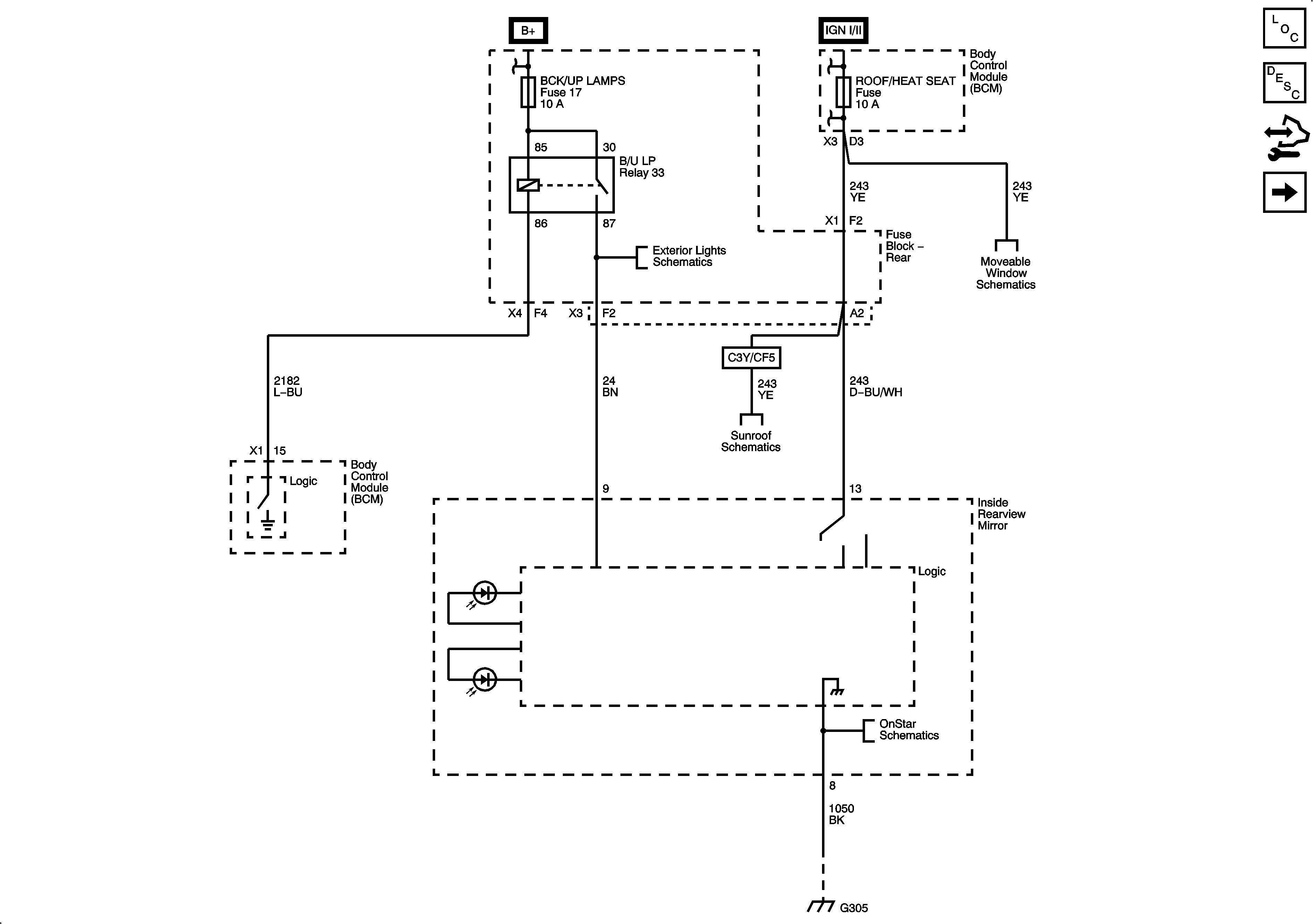
Figure
1:
Coupe/Sedan
Master Electrical Component List
Automatic Day-Night Mirror Description and Operation
Control Module References
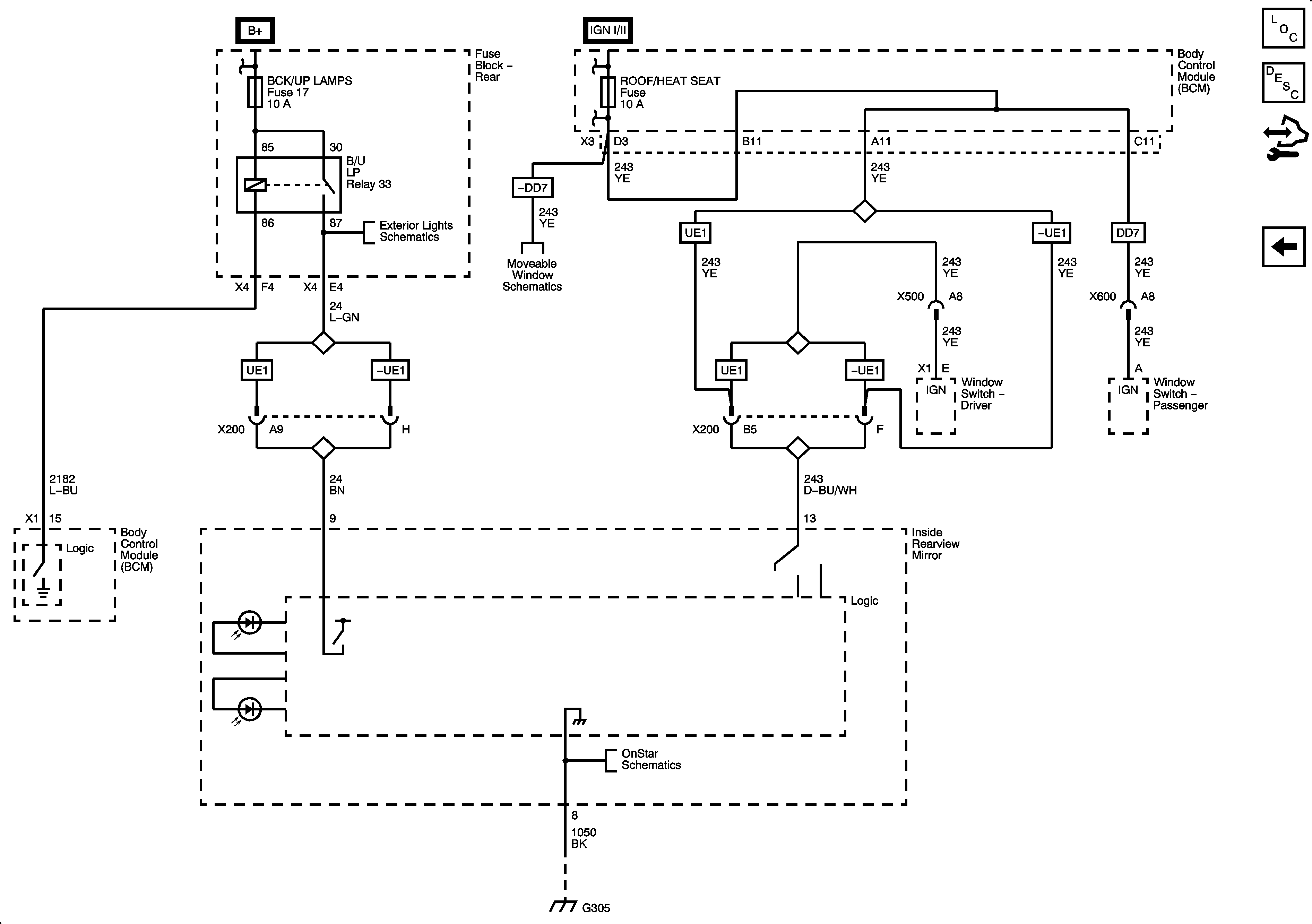
Inside Rearview Mirror - Convertible
Figure
2:
Convertible
Master Electrical Component List
Automatic Day-Night Mirror Description and Operation
Control Module References
Inside Rearview Mirror - Coupe/Sedan