GM Service Manual Online
For 1990-2009 cars only
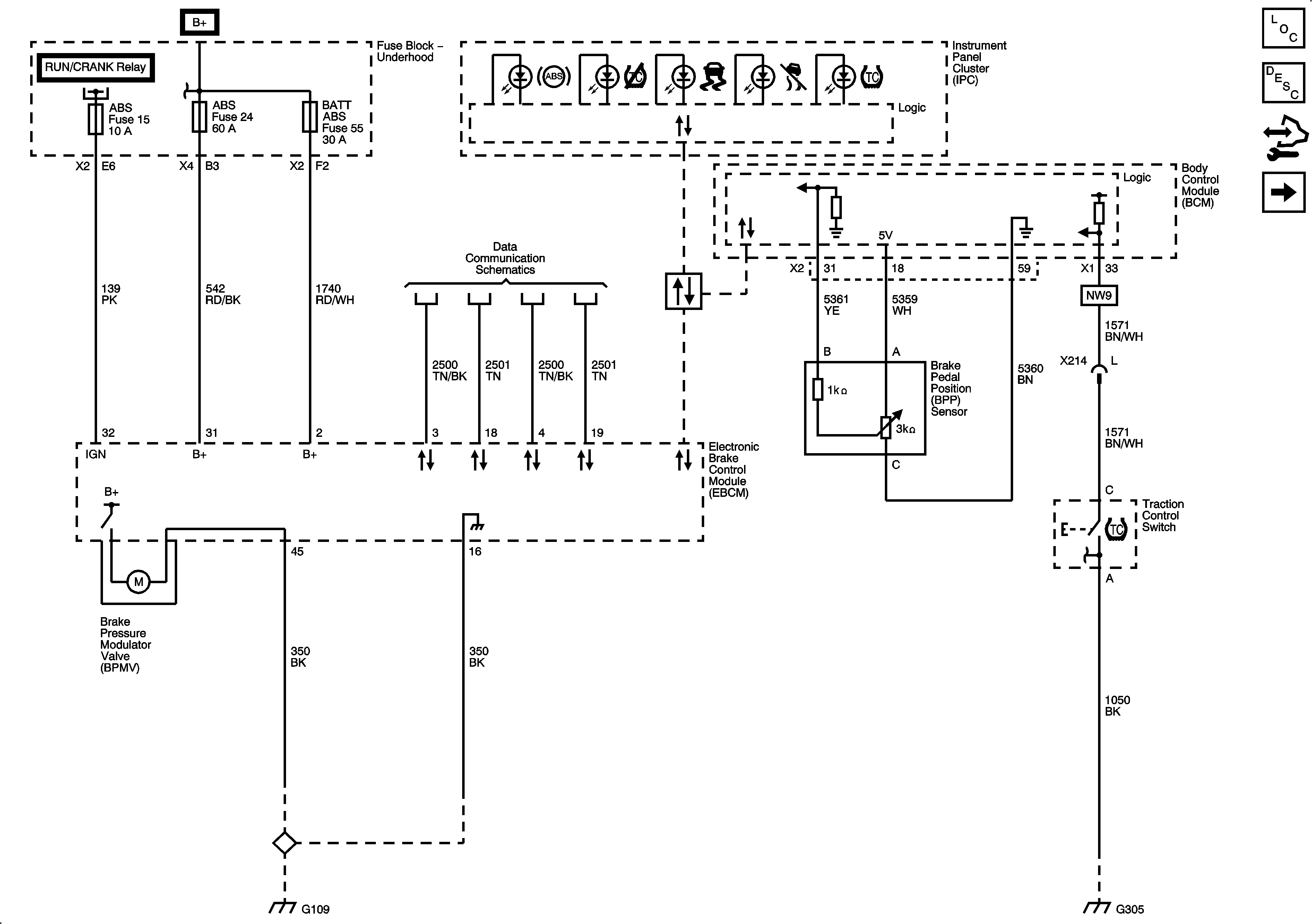
Figure 1:

Power, Ground, DLC, Indicators, Traction Control Switch, and Brake Pedal Position Sensor


Object Number: 1912505  Size: FS
Master Electrical Component List
ABS Description and Operation
Control Module References
Wheel Speed Sensors
Figure 2:

Wheel Speed Sensors


Object Number: 1912508  Size: FS
Master Electrical Component List
ABS Description and Operation
Control Module References
Yaw and Lateral Accelerometer Sensor, and Steering Wheel Position Sensor (FX3)
Power, Ground, DLC, Indicators, Traction Control Switch, and Brake Pedal Position Sensor
Figure 3:

YAW and Lateral Accelerometer Sensor, and Steering Wheel Position Sensor (FX3)


Object Number: 1912510  Size: FS
Master Electrical Component List
ABS Description and Operation
Control Module References
Wheel Speed Sensors