GM Service Manual Online
For 1990-2009 cars only
Makes
🢒
Pontiac
🢒
2008
🢒
G6
🢒
Transmission/Transaxle
🢒
Automatic Transaxle - 4T45-E
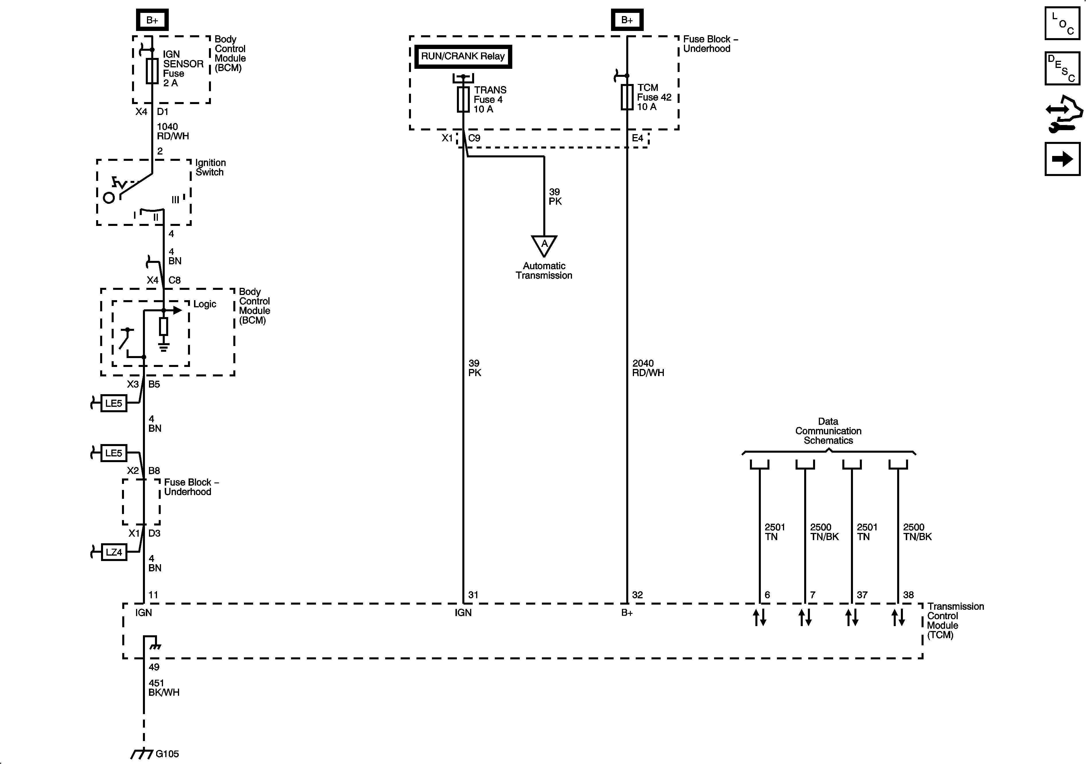
🢒 Automatic Transmission Controls Schematics
Figure
1:
Power, Ground, and Serial Data
Master Electrical Component List
Electronic Component Description
Control Module References
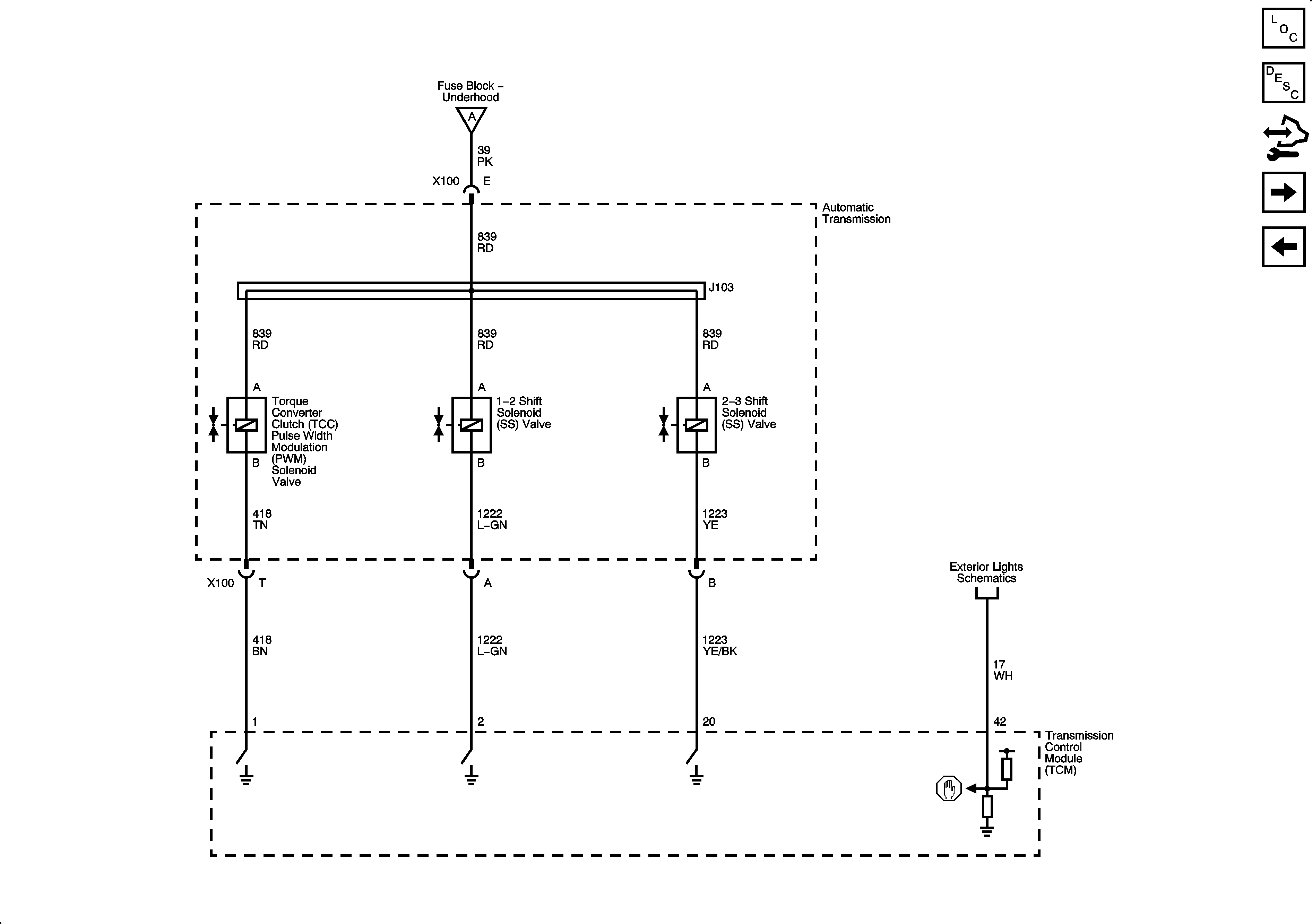
Shift/TCC Solenoids
Figure
2:
Shift/TCC Solenoids
Master Electrical Component List
Electronic Component Description
Control Module References
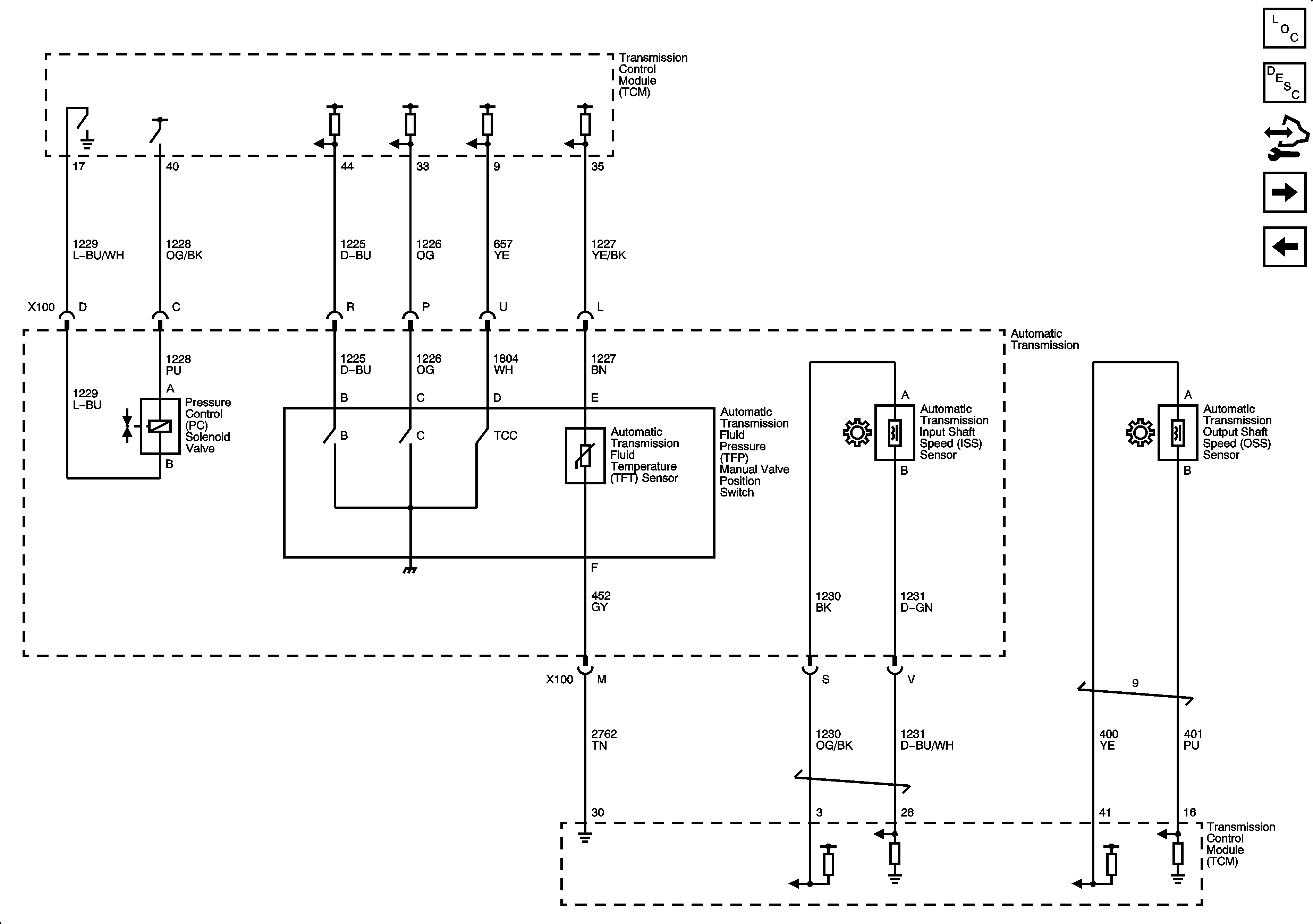
ISS, OSS, PC Solenoid, and TFP Switches
Power, Ground, and Serial Data
Figure
3:
ISS, OSS, PC Solenoid, and TFP Switches
Master Electrical Component List
Electronic Component Description
Control Module References
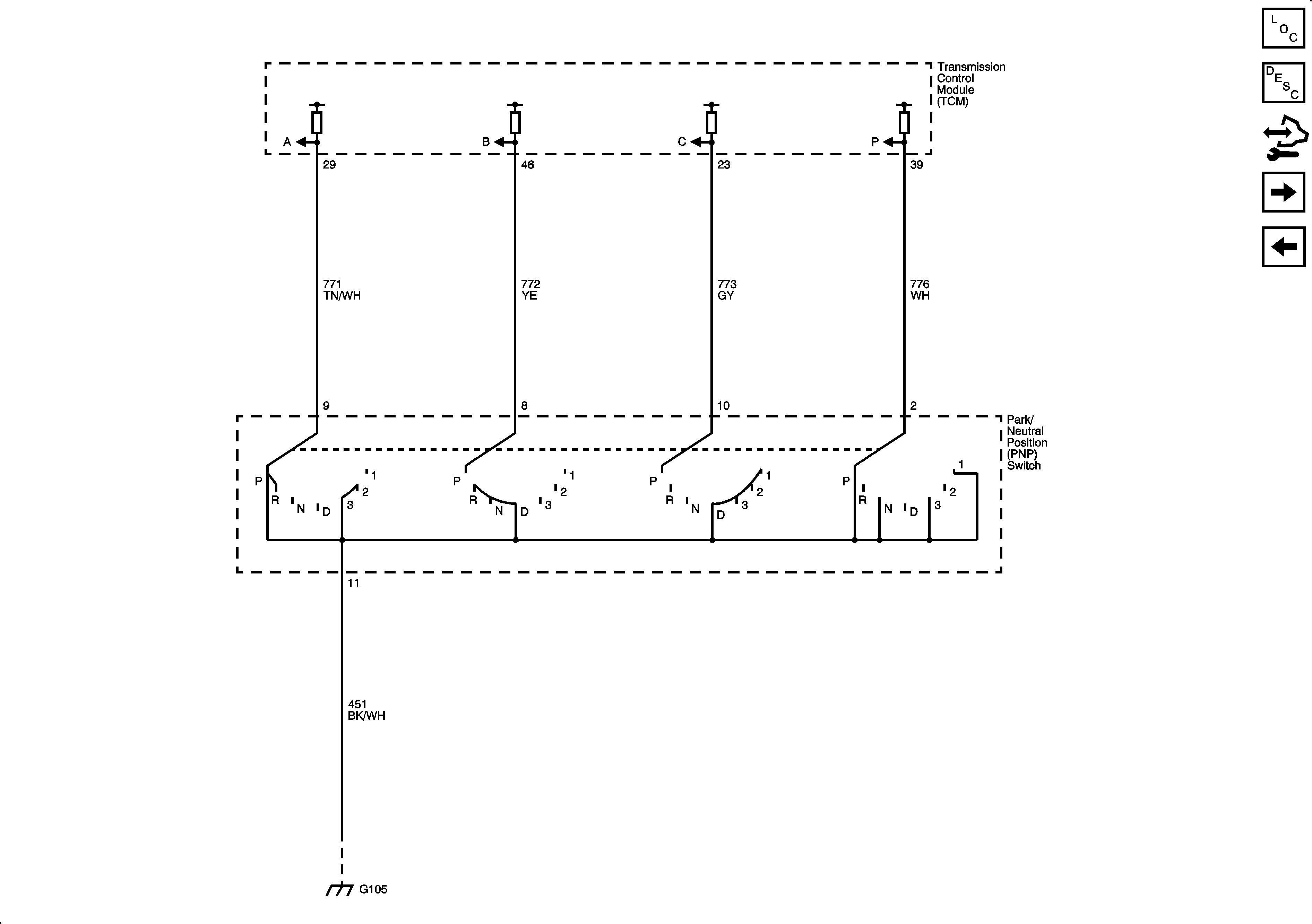
PNP Switch
Shift/TCC Solenoids
Figure
4:
PNP Switch
Master Electrical Component List
Electronic Component Description
Control Module References
Tap Up/Tap Down Switch (LZ4)
ISS, OSS, PC Solenoid, and TFP Switches
Figure
5:
Tap Up/Tap Down Switch (LZ4)
Master Electrical Component List
Electronic Component Description
Control Module References
DLC, Ground and Power
PNP Switch