GM Service Manual Online
For 1990-2009 cars only
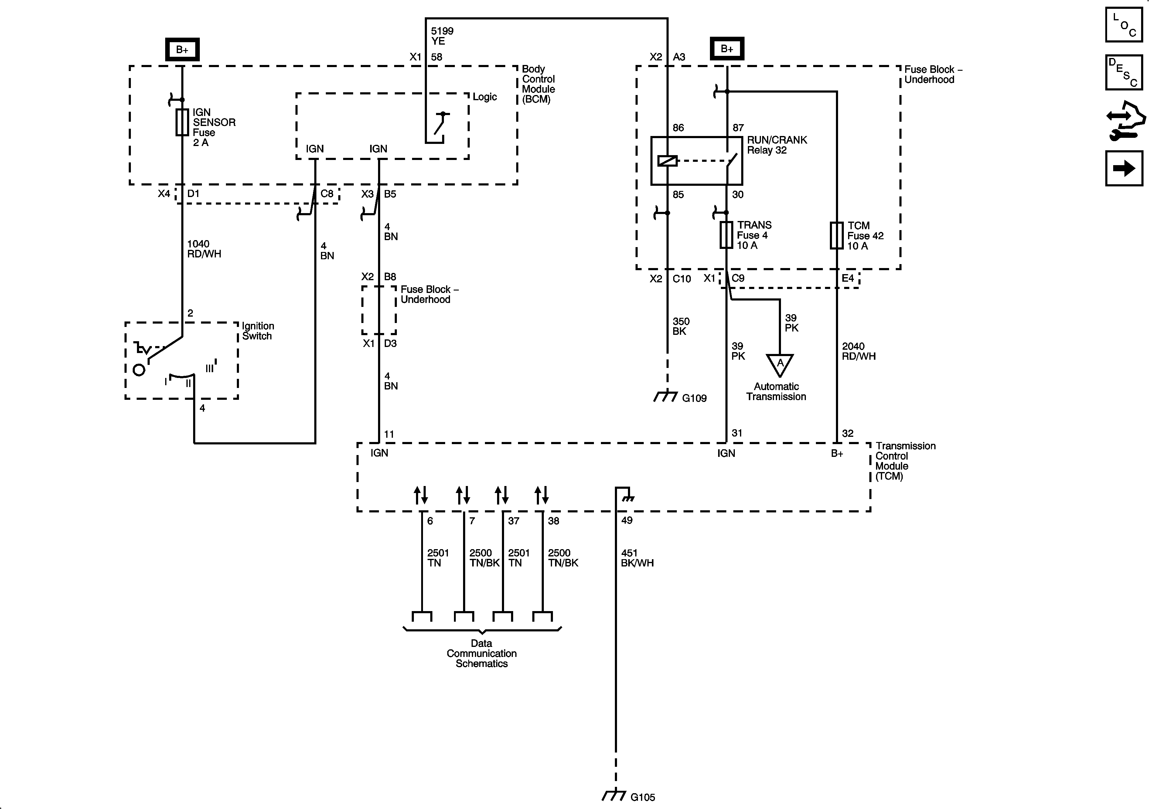
Figure 1:

DLC, Ground and Power


Object Number: 1912700  Size: FS
Master Electrical Component List
Electronic Component Description
Control Module References
Shift Solenoids, TCC and TFT
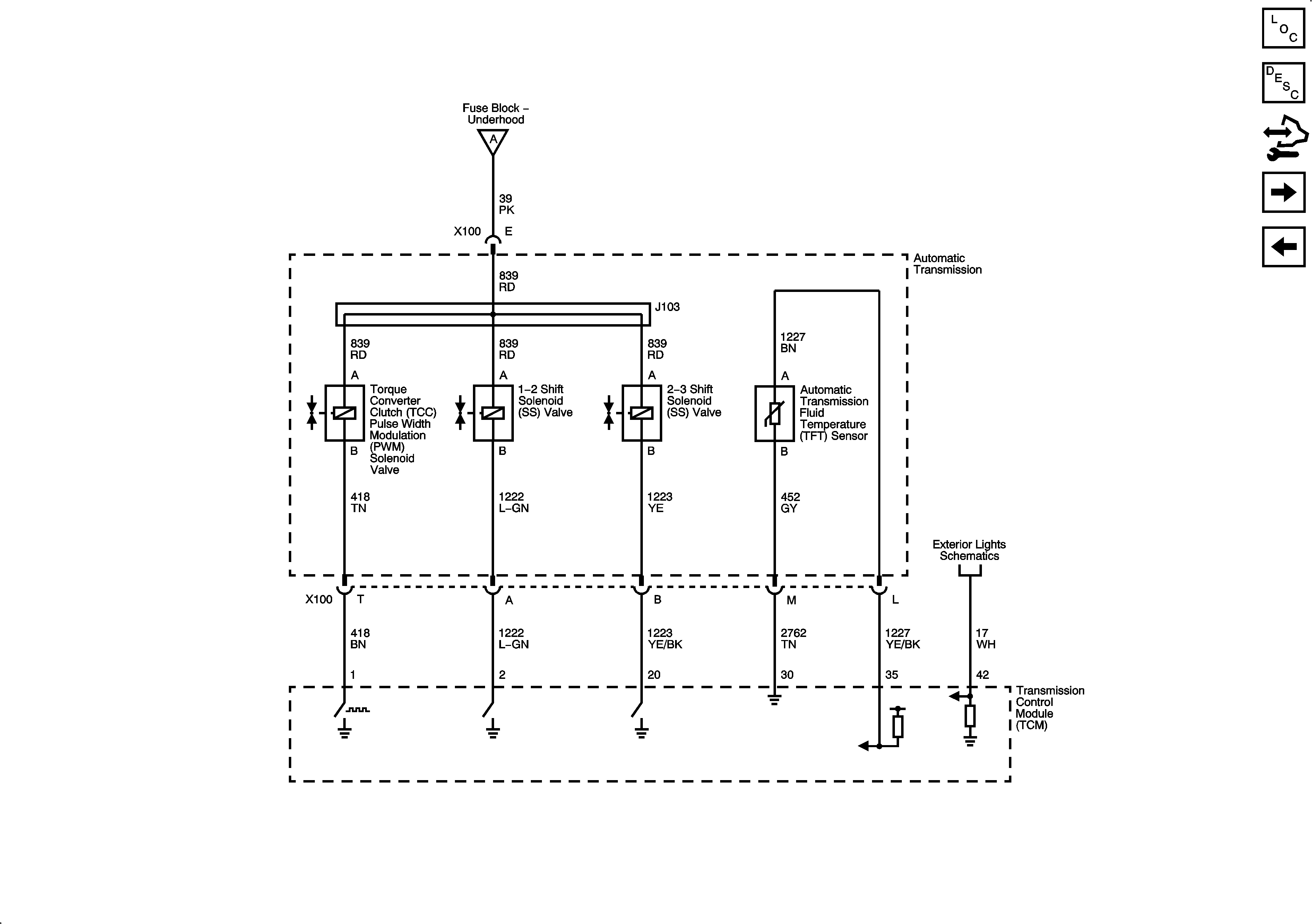
Figure 2:

Shift Solenoids, TCC and TFT


Object Number: 1912705  Size: FS
Master Electrical Component List
Electronic Component Description
Control Module References
ISS, Pressure Controls and VSS
DLC, Ground and Power
Figure 3:

ISS, Pressure Control and VSS


Object Number: 1912707  Size: FS
Master Electrical Component List
Electronic Component Description
Control Module References
Internal Mode Switch (IMS)
Shift Solenoids, TCC and TFT
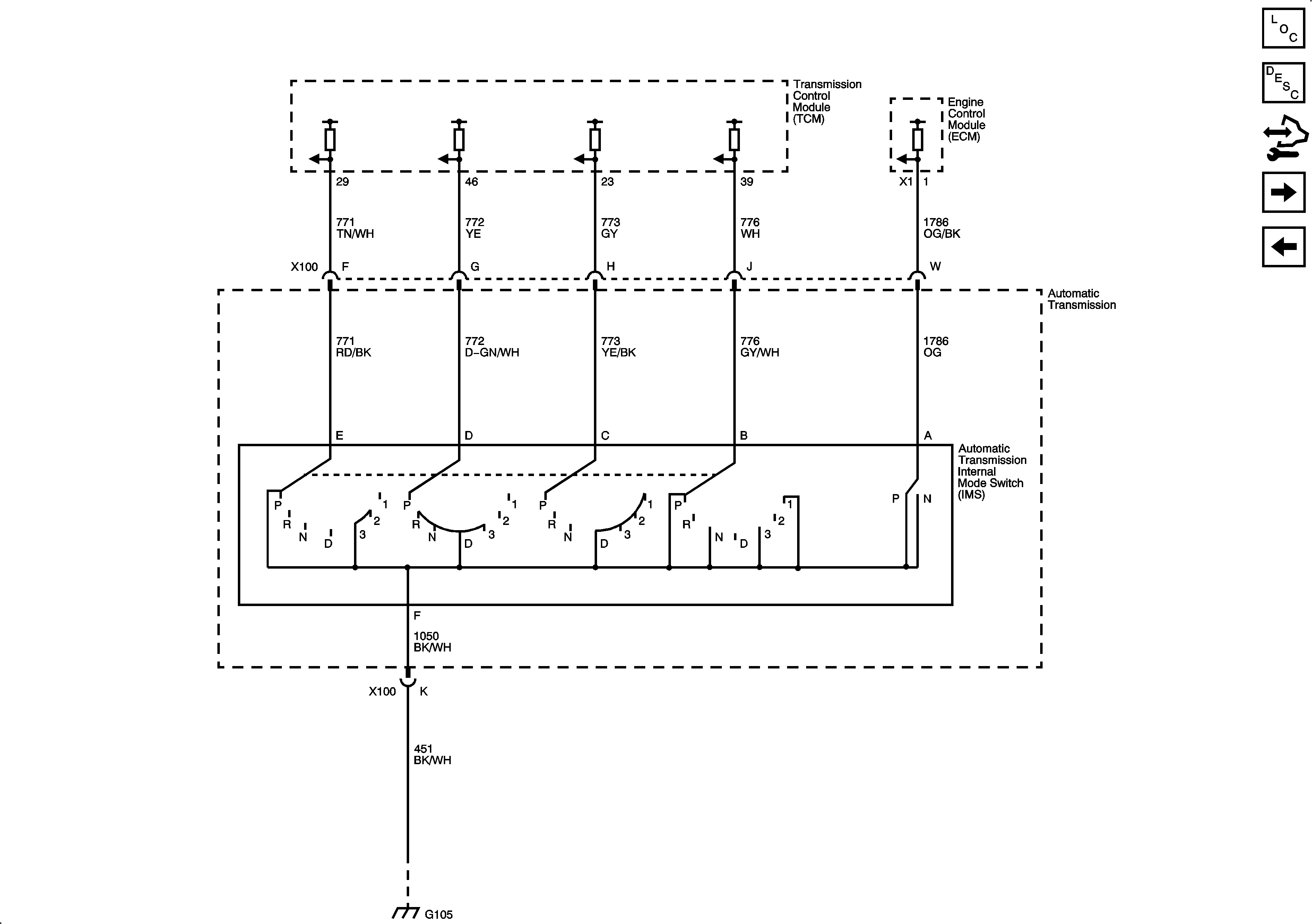
Figure 4:

Internal Mode Switch (IMS)


Object Number: 1912709  Size: FS
Master Electrical Component List
Electronic Component Description
Control Module References
Tap Up/Tap Down Switch
ISS, Pressure Controls and VSS
Figure 5:

Tap Up/Tap Down Switch


Object Number: 1912715  Size: FS
Master Electrical Component List
Electronic Component Description
Control Module References
Internal Mode Switch (IMS)