GM Service Manual Online
For 1990-2009 cars only
Makes
🢒
Pontiac
🢒
2008
🢒
G6
🢒
Transmission/Transaxle
🢒
Automatic Transmission - 6T70/6T75
🢒 Automatic Transmission Controls Schematics
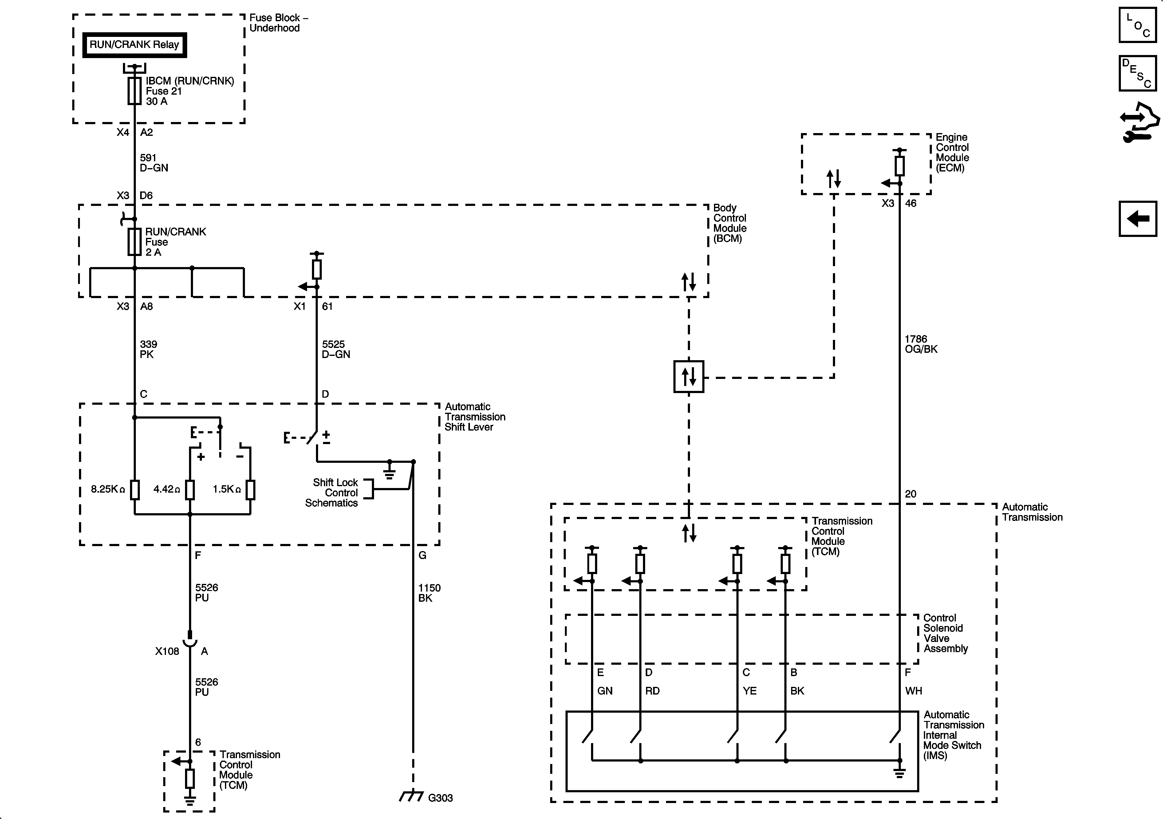
Figure
1:
Ground and Power
Master Electrical Component List
Transmission General Description
Control Module References
BCM, EBCM, ECM
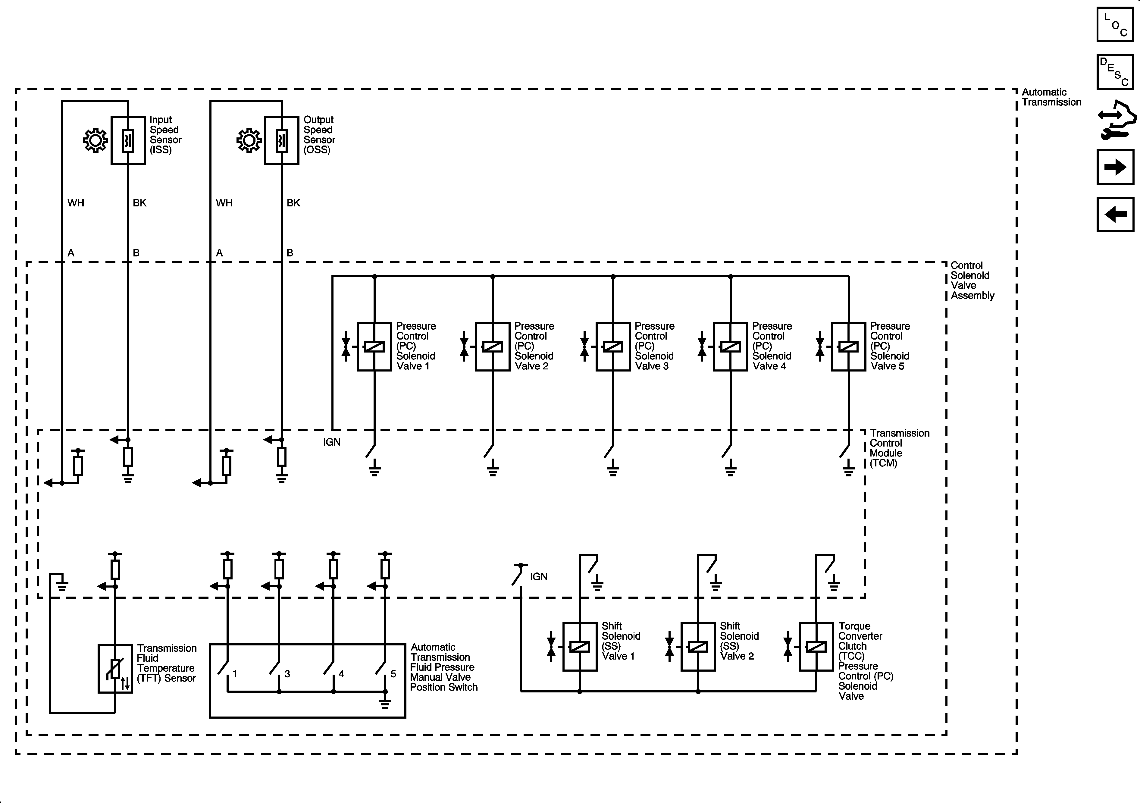
Figure
2:
BCM, EBCM, ECM
Master Electrical Component List
Transmission General Description
Control Module References
BCM, Tap Up/Tap Down Switch
Ground and Power
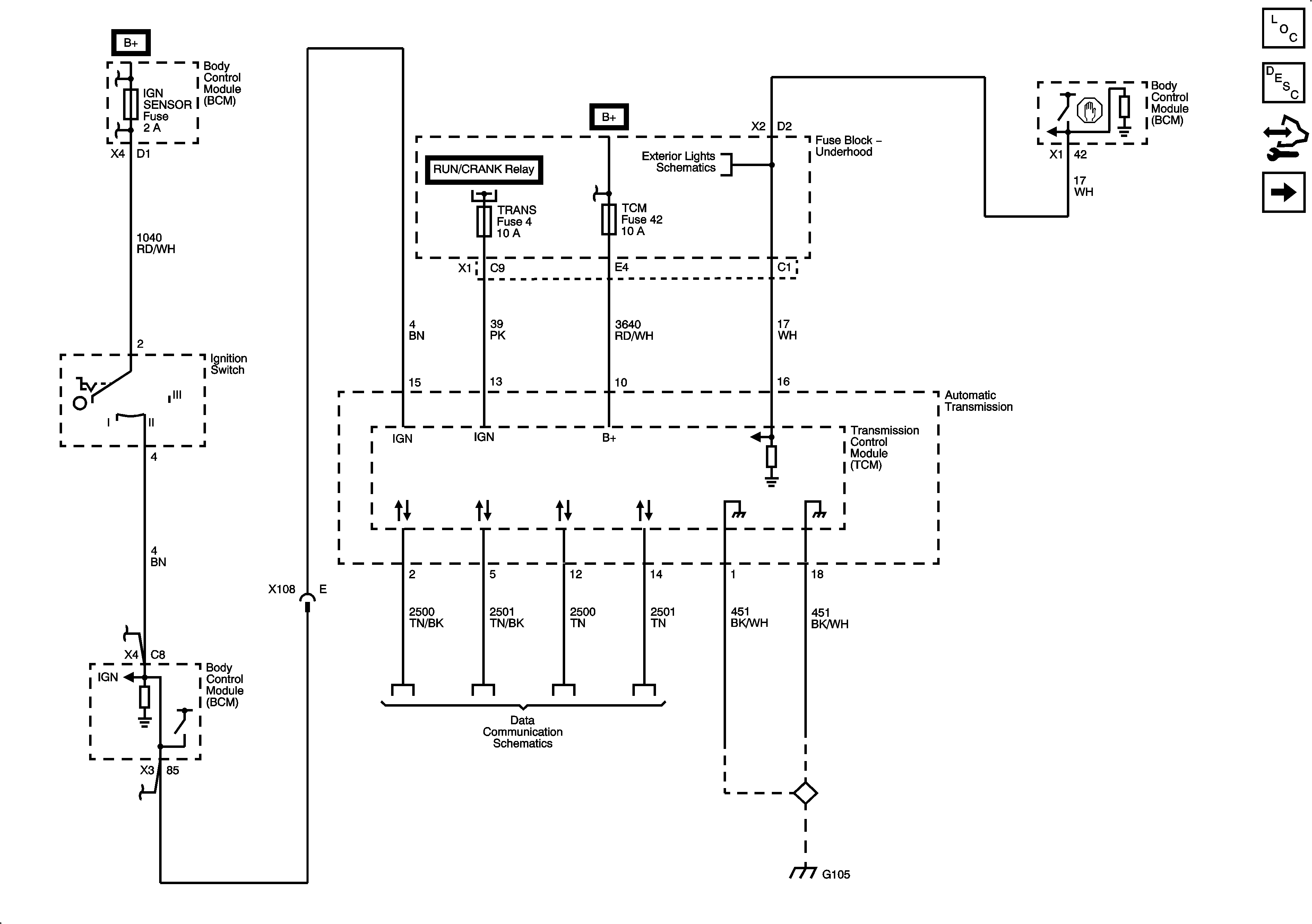
Figure
3:
BCM, Tap Up/Tap Down Switch
Master Electrical Component List
Transmission General Description
Control Module References
BCM, EBCM, ECM