GM Service Manual Online
For 1990-2009 cars only

Removal Procedure

    Important: Do Not disconnect the hydraulic lines from the retractable hydraulic compartment lid cylinders when removing the module. If it become necessary to open the hydraulic lines, refer to Folding Top Hydraulic System Bleeding Procedure .

  1. Open the rear compartment lid.
  2. Remove the rear compartment trim. Refer to Rear Compartment Trim Panel Replacement .
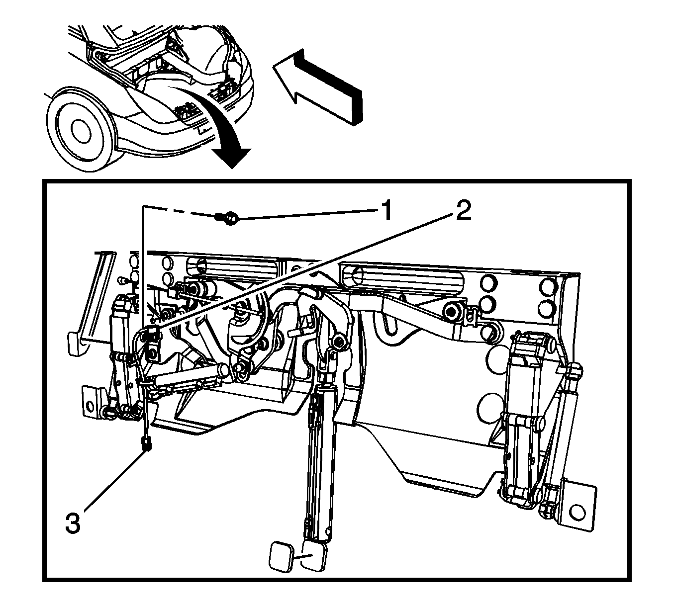
  3. Remove the center hydraulic cylinder pin and clip.

  4. Object Number: 1658906  Size: SH
  5. Remove the module lock clips (1) and pins (2) from each corner.
  6. Important: Using a suitable tool, pull upward on the rear compartment lid latch arms. The latch arm are located in the module assembly (2).


    Object Number: 1658908  Size: SH
  7. Using a suitable tool lift upward on the latch arms (1).

  8. Object Number: 1658980  Size: SH
  9. Open the folding top module.
  10. Pull upward and push forward to open.


    Object Number: 1684182  Size: SH
  11. Remove the rear compartment lid sensor screw (1).
  12. Disconnect the electrical connector from the rear compartment switch (3).
  13. Remove the rear compartment lid switch screw (1) and switch (2) . Refer to Rear Compartment Lid Release Switch Replacement - Rear Compartment Lid Hinge .
  14. Remove the retractable hydraulic compartment lid rear . Refer to Roof Retractable Panel Stowage Compartment Lid Cylinder Replacement - Rear .

  15. Object Number: 1684388  Size: SH
  16. Remove the retractable hydraulic compartment lid cylinder rear lower (2) from the module (1).
  17. Remove both upper and lower pins that secure the rotating links to the bodyside plate.
  18. Remove the lid hinge assembly with the links still attached from the vehicle.

Installation Procedure

    Important: Do Not disconnect the hydraulic lines from the retractable hydraulic compartment lid cylinders when removing the module. If it become necessary to open the hydraulic lines , refer to Folding Top Cylinder Hose Replacement and Folding Top Hydraulic System Bleeding Procedure .

  1. Install the lid hinge assembly with the links still attached to the vehicle.
  2. Install both upper and lower pins that secure the rotating links to the bodyside plate.

  3. Object Number: 1684388  Size: SH
  4. Install the retractable hydraulic compartment lid cylinder rear lower  (2) to the module (1). Refer to Roof Retractable Panel Stowage Compartment Lid Cylinder Replacement - Rear Lower .
  5. Install the retractable hydraulic compartment lid rear . Refer to Roof Retractable Panel Stowage Compartment Lid Cylinder Replacement - Rear .
  6. Notice: Refer to Fastener Notice in the Preface section.


    Object Number: 1684182  Size: SH

    Important: Do Not disconnect the hydraulic lines when opening.

  7. Install the rear compartment lid switch screw (1) and switch (2) . Refer to Rear Compartment Lid Release Switch Replacement - Rear Compartment Lid Hinge .
  8. Tighten
    Tighten the bolts to 2 N·m (18 lb in).

  9. Connect the electrical connector to the rear compartment switch (3).

  10. Object Number: 1658980  Size: SH
  11. Pull upward and then pull rearward to lock in place.
  12. Install the center hydraulic cylinder pin and clip.

  13. Object Number: 1658906  Size: SH
  14. Install the module lock pins (2) clips (1) to each corner.
  15. Install the rear compartment trim. Refer to Rear Compartment Trim Panel Replacement .