GM Service Manual Online
For 1990-2009 cars only
Makes
🢒
Pontiac
🢒
2008
🢒
G6
🢒 Charging System
Charging System
Charging System
Master Electrical Component List
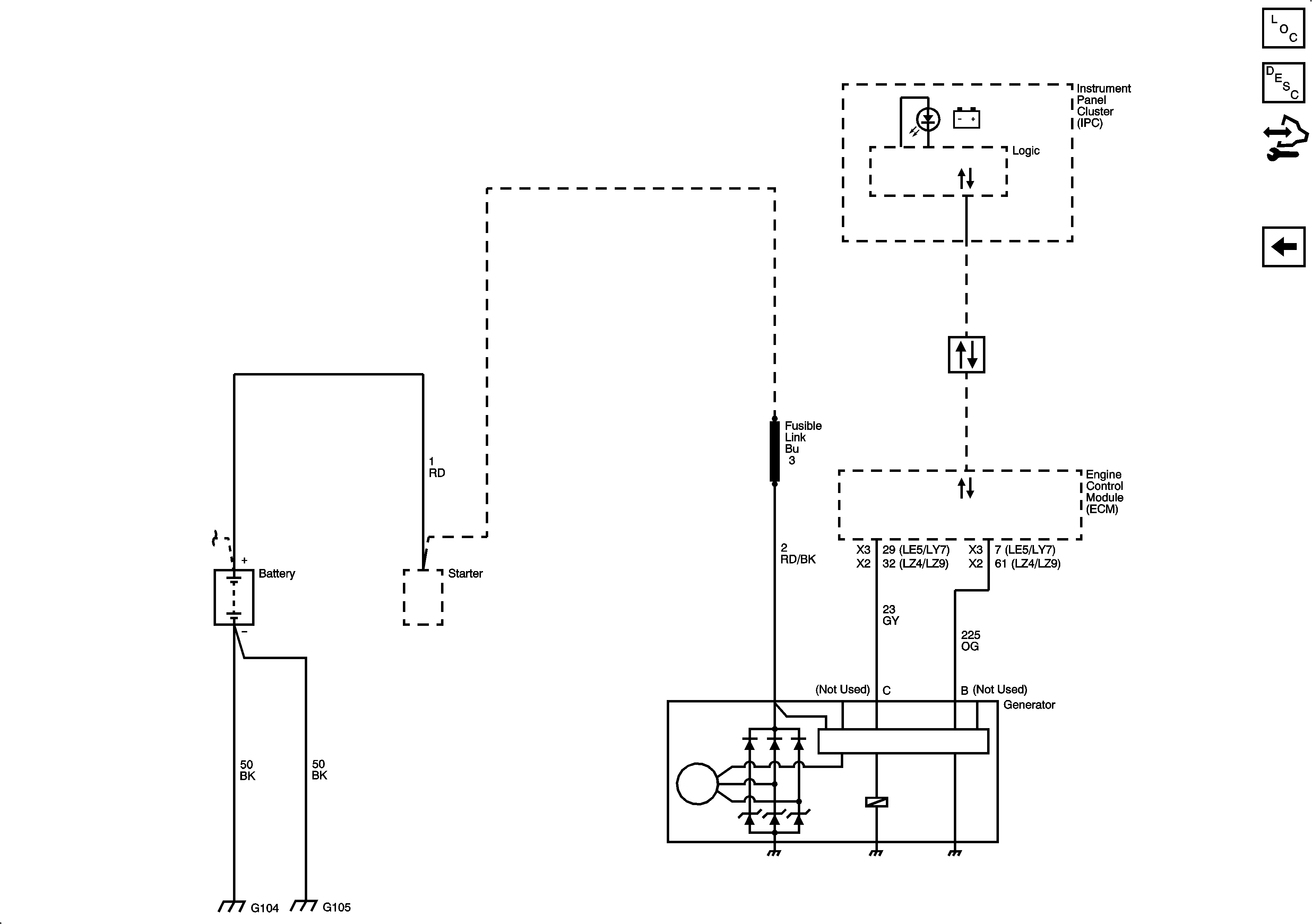
Charging System Description and Operation
Control Module References
Charging
Starting