GM Service Manual Online
For 1990-2009 cars only
Makes
🢒
Pontiac
🢒
2008
🢒
G6
🢒 Sensors
Sensors
Sensors
Master Electrical Component List
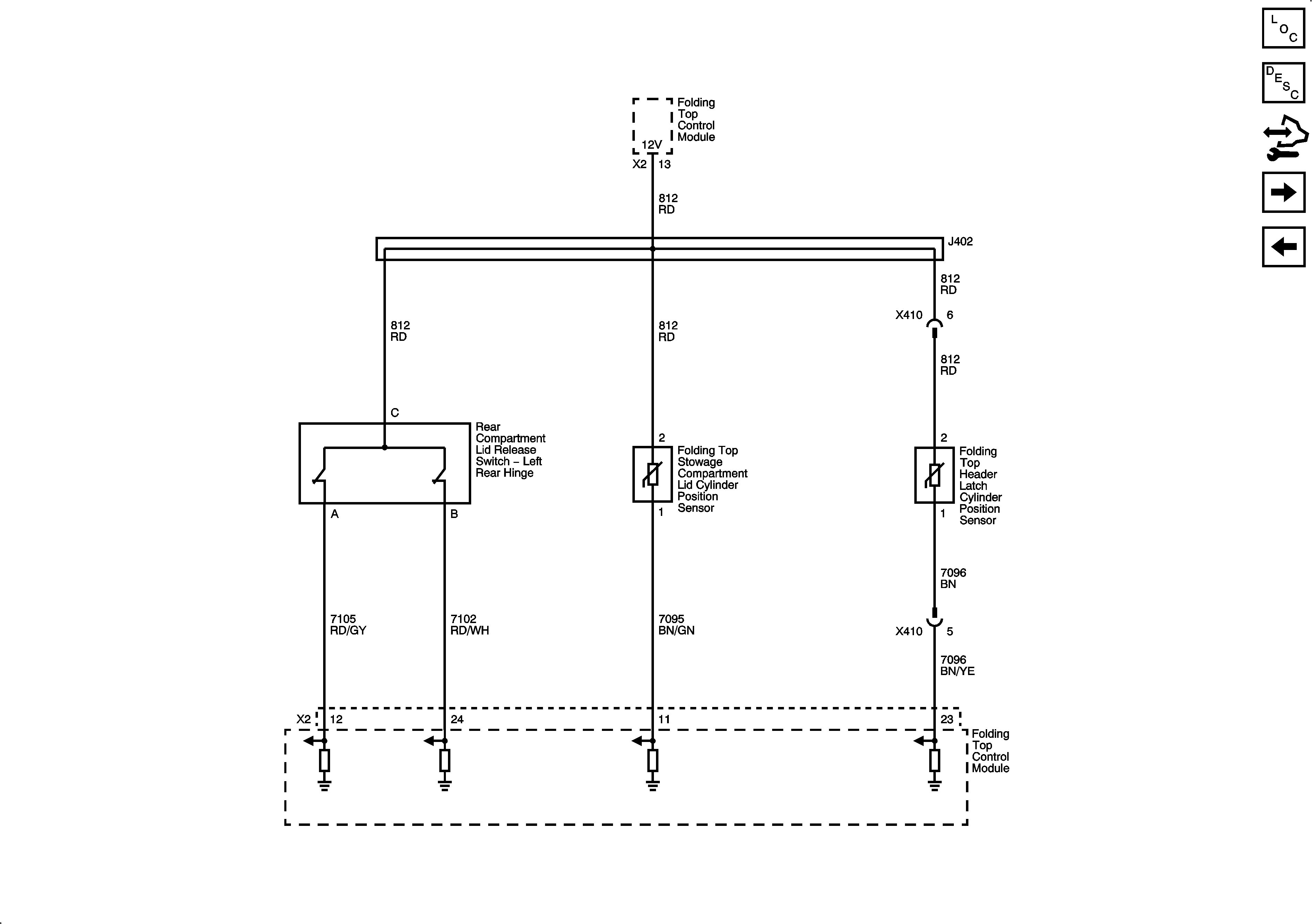
Power Folding Top Description and Operation
Control Module References
Switches 1 of 2
DLC, Ground, Power and References