GM Service Manual Online
For 1990-2009 cars only
Figure 1:

Module Power, Ground, Serial Data, and MIL


Object Number: 2079011  Size: FS
Figure 2:

5-Volt and Low References


Object Number: 1912619  Size: FS
Figure 3:

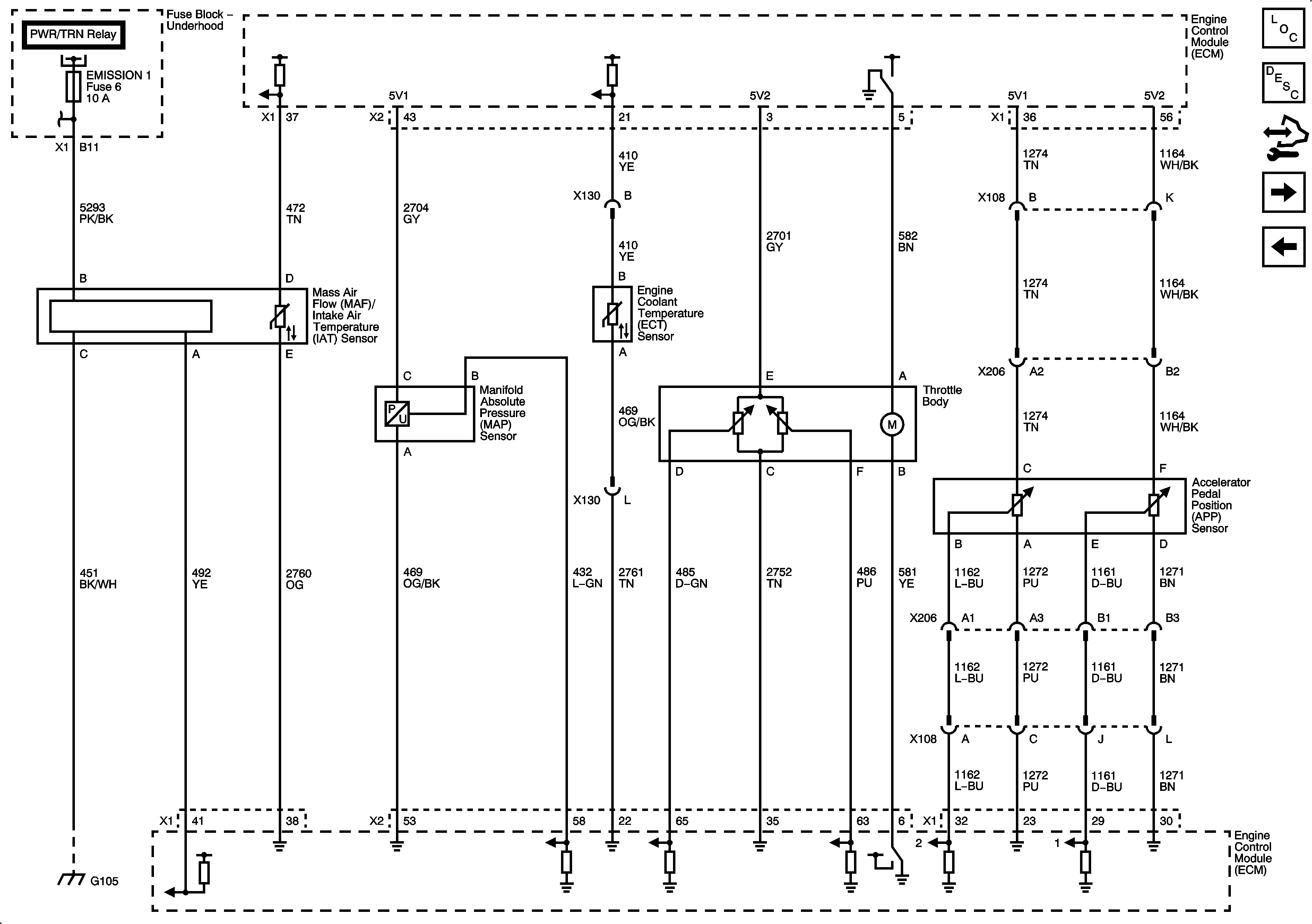
Engine Data Sensors - Pressure, Temperature, and Throttle Controls


Object Number: 2079015  Size: FS
Figure 4:

Engine Data Sensors - HO2S


Object Number: 2079019  Size: FS
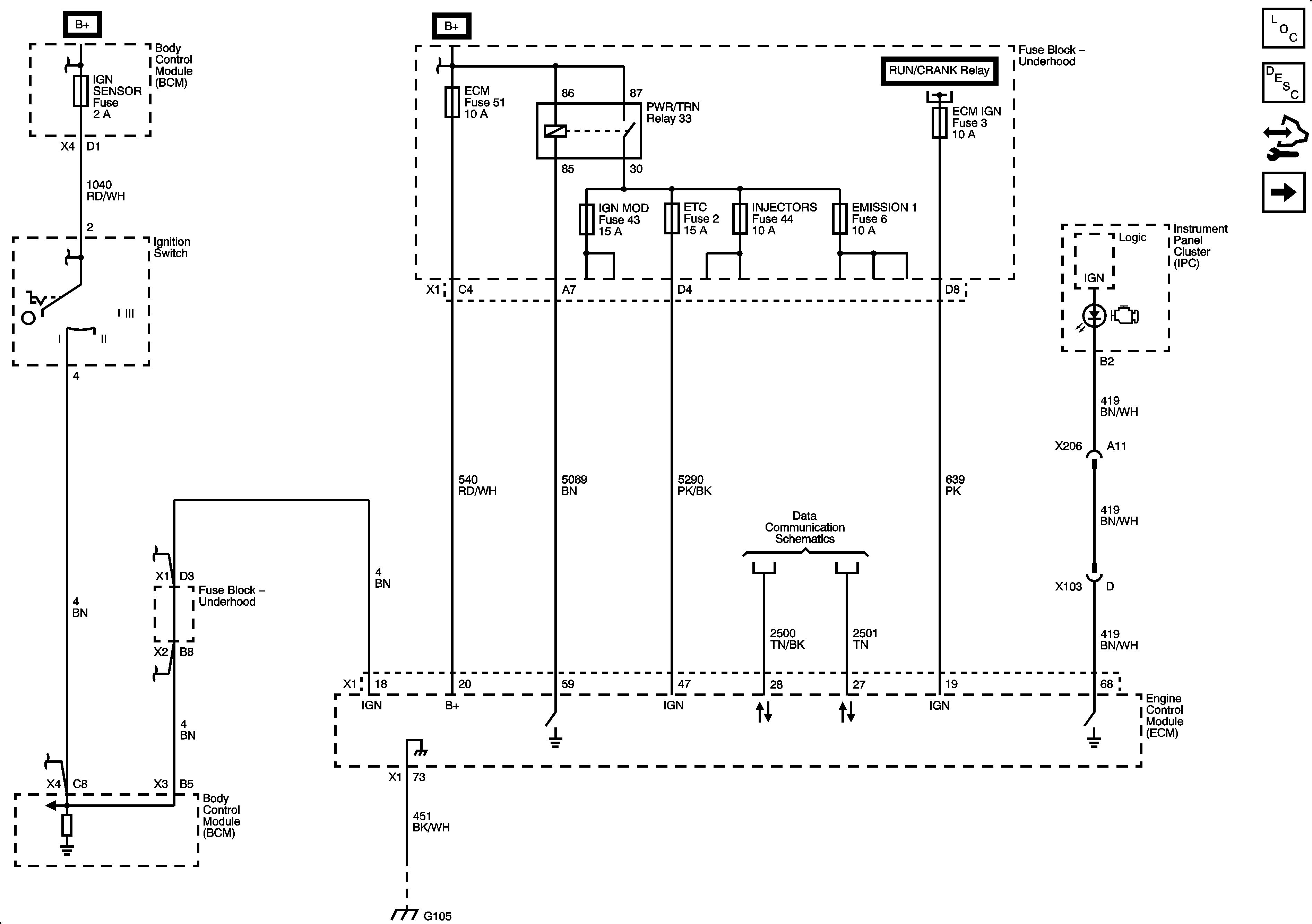
Figure 5:

Ignition Controls - Ignition System


Object Number: 2079021  Size: FS
Figure 6:

Ignition Controls - Sensors/Actuators


Object Number: 2079024  Size: FS
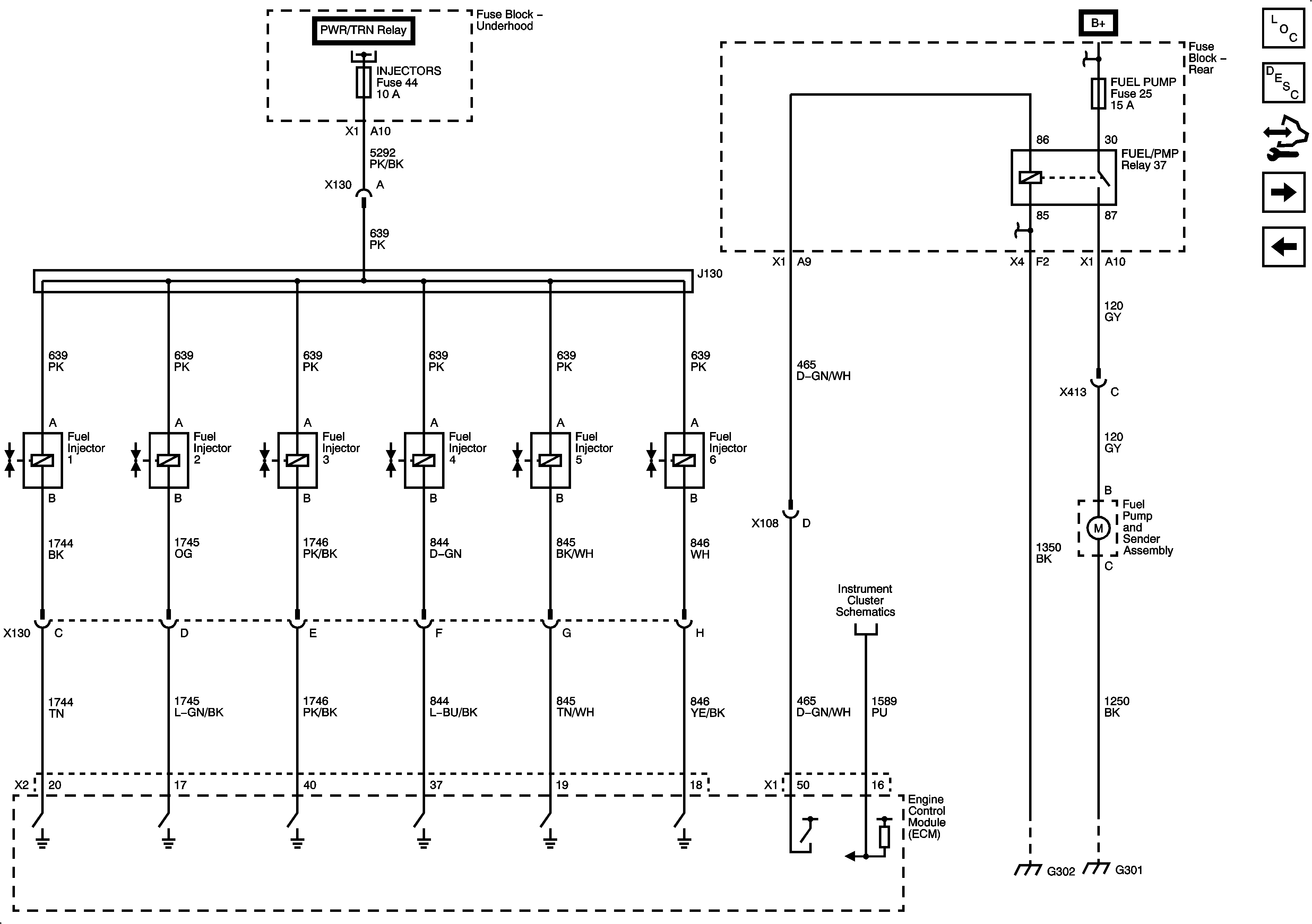
Figure 7:

Fuel Controls - Fuel Injectors and Fuel Pump Controls


Object Number: 2079026  Size: FS
Figure 8:

Fuel Controls - EVAP Controls


Object Number: 2079029  Size: FS
Figure 9:

Controlled/Monitored Subsystem References


Object Number: 2079031  Size: FS