GM Service Manual Online
For 1990-2009 cars only
Makes
🢒
Pontiac
🢒
2009
🢒
G6
🢒
Diagnostic Navigation
🢒
Vehicle Diagnostic Information
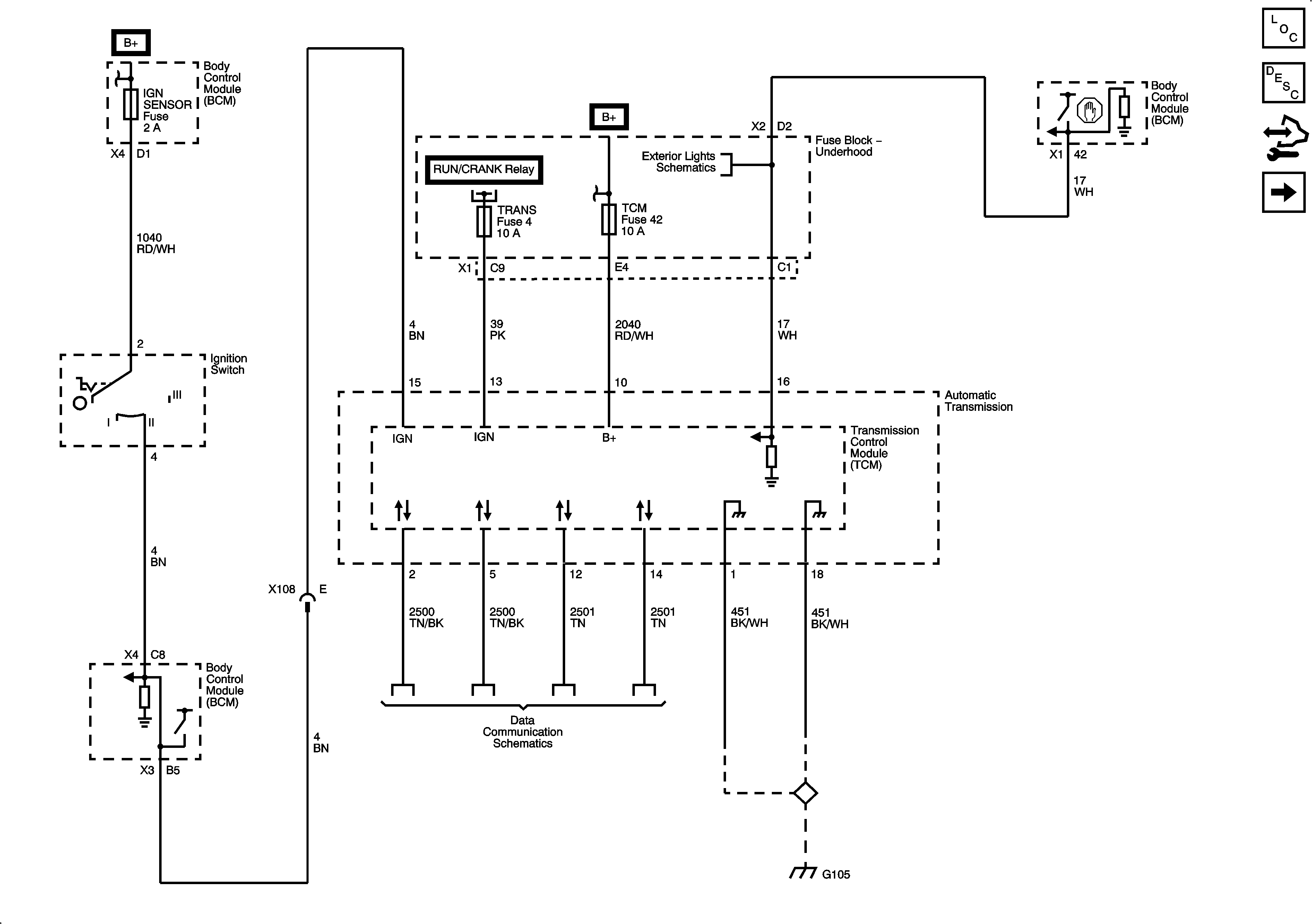
🢒 Automatic Transmission Controls Schematics
Figure
1:
Ground and Power
Figure
2:
BCM, EBCM, ECM
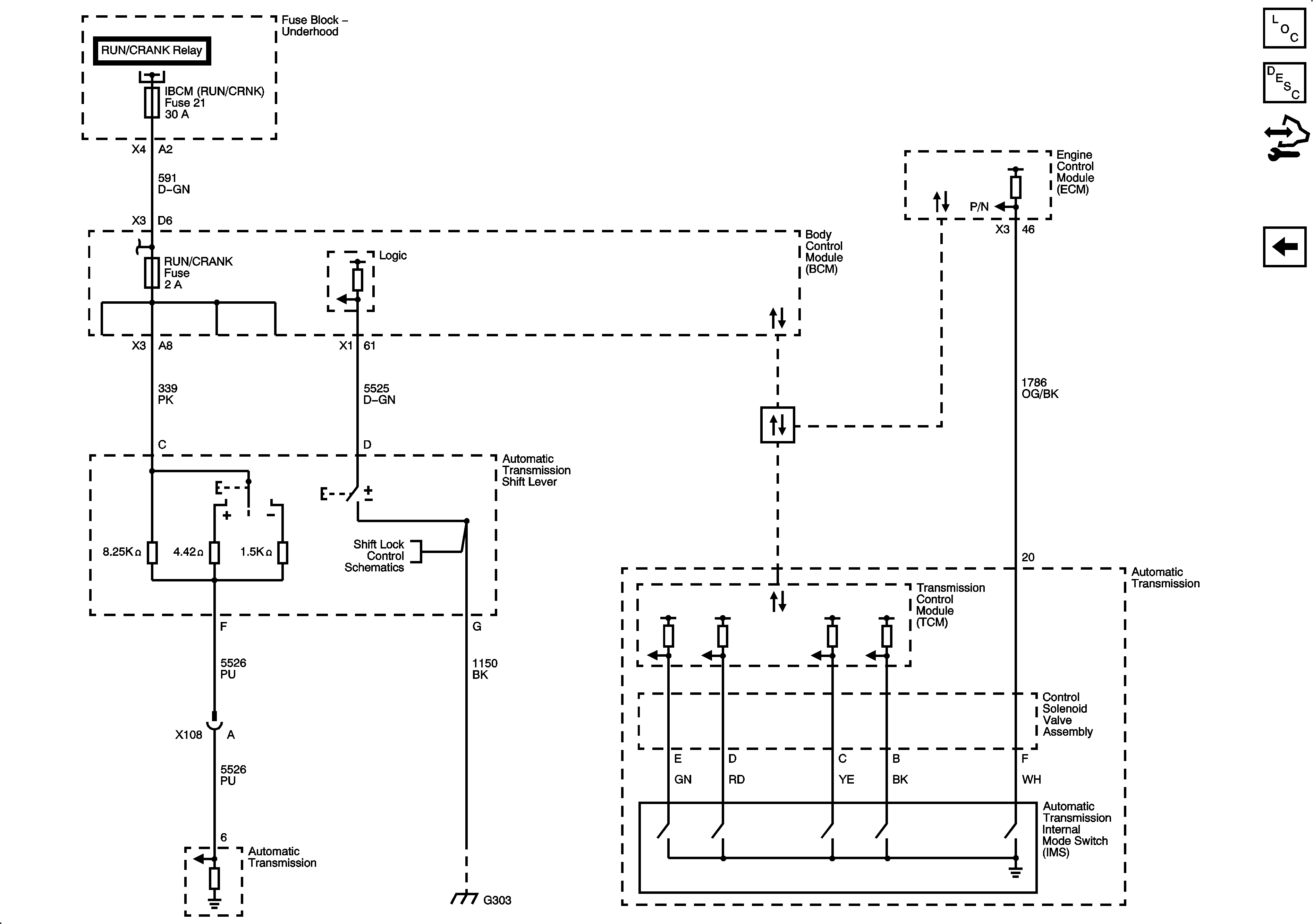
Figure
3:
BCM, Tap Up/Tap Down Switch