GM Service Manual Online
For 1990-2009 cars only
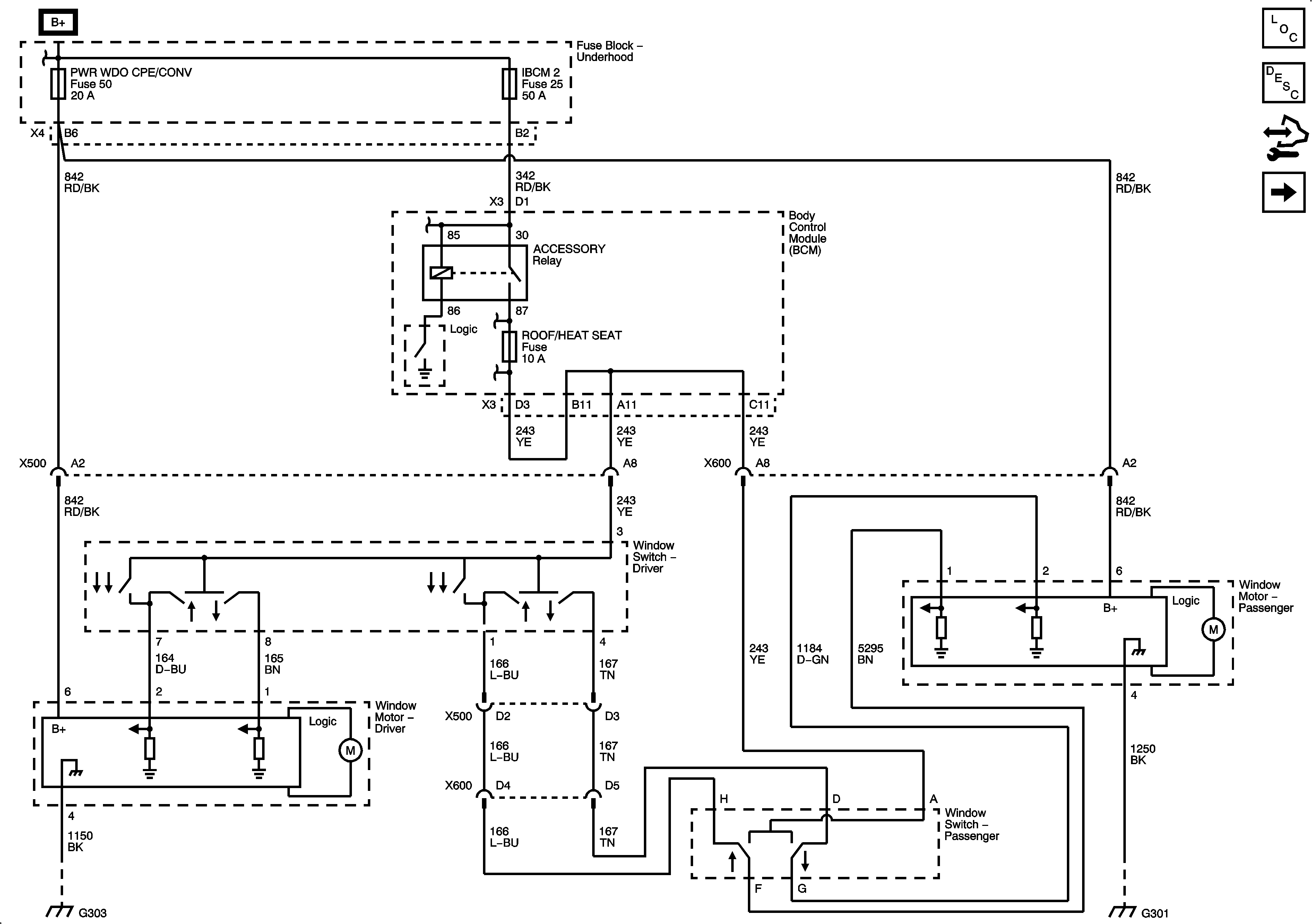
Figure 1:

Window Motors - Coupe


Object Number: 2078398  Size: FS
Figure 2:

Ajar Switches - Coupe


Object Number: 2078321  Size: FS
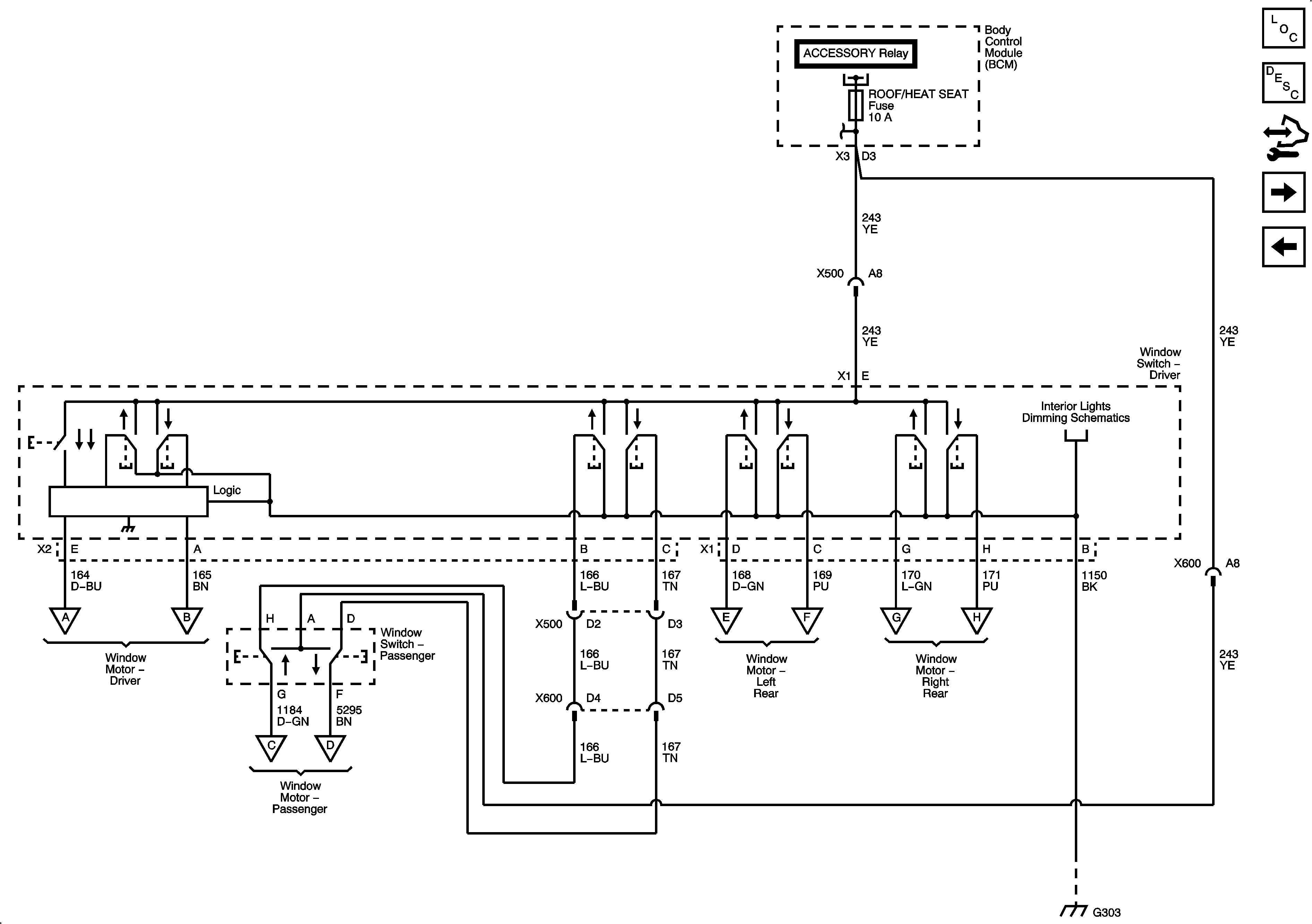
Figure 3:

Sedan


Object Number: 2078413  Size: FS
Figure 4:

Window Switches - Convertible


Object Number: 2078421  Size: FS
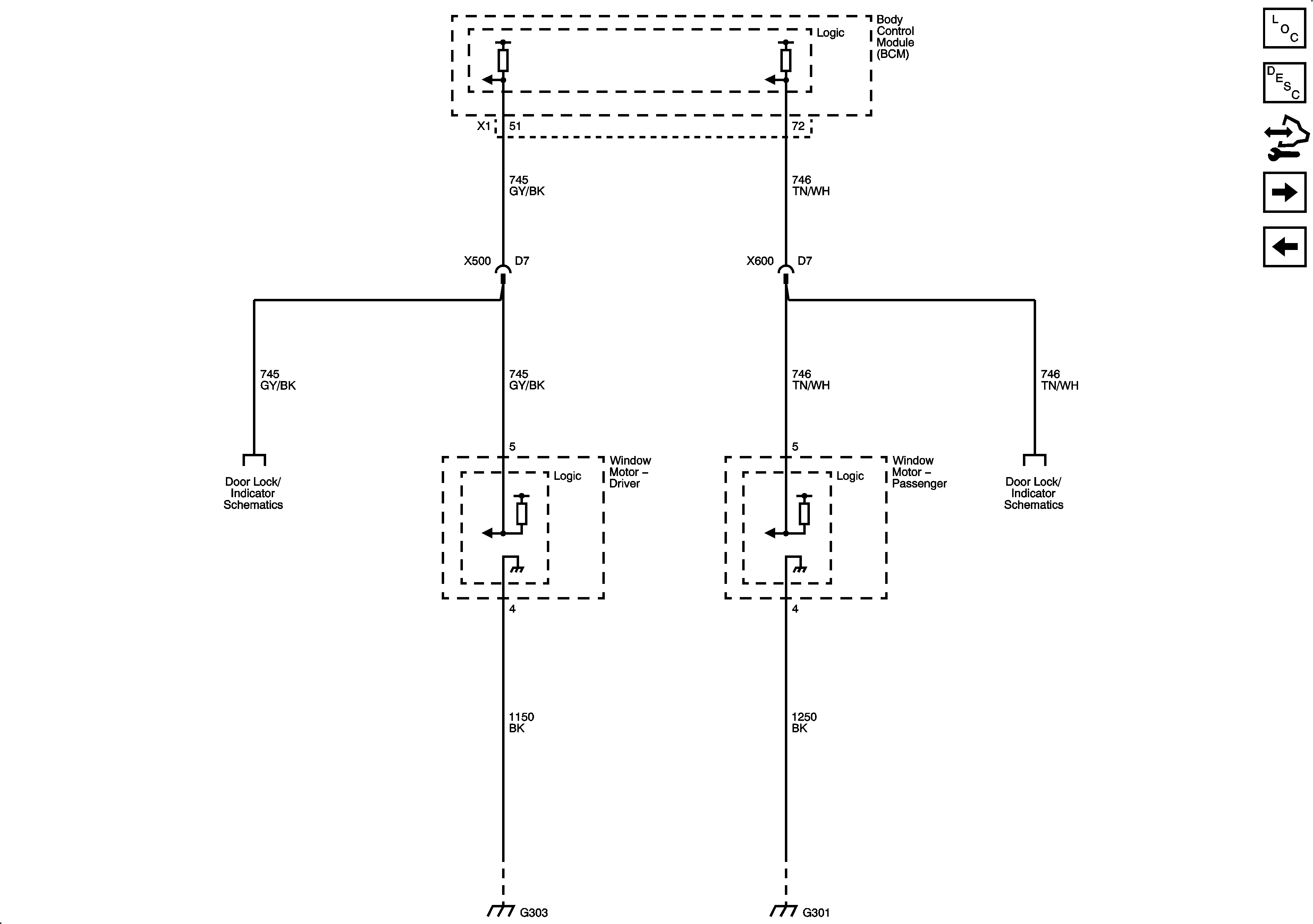
Figure 5:

Front Window Motors - Convertible


Object Number: 2078429  Size: FS
Figure 6:

Rear Window Motors - Convertible


Object Number: 2078457  Size: FS