GM Service Manual Online
For 1990-2009 cars only
Makes
🢒
Pontiac
🢒
2009
🢒
G6
🢒
Diagnostic Navigation
🢒
Vehicle Diagnostic Information
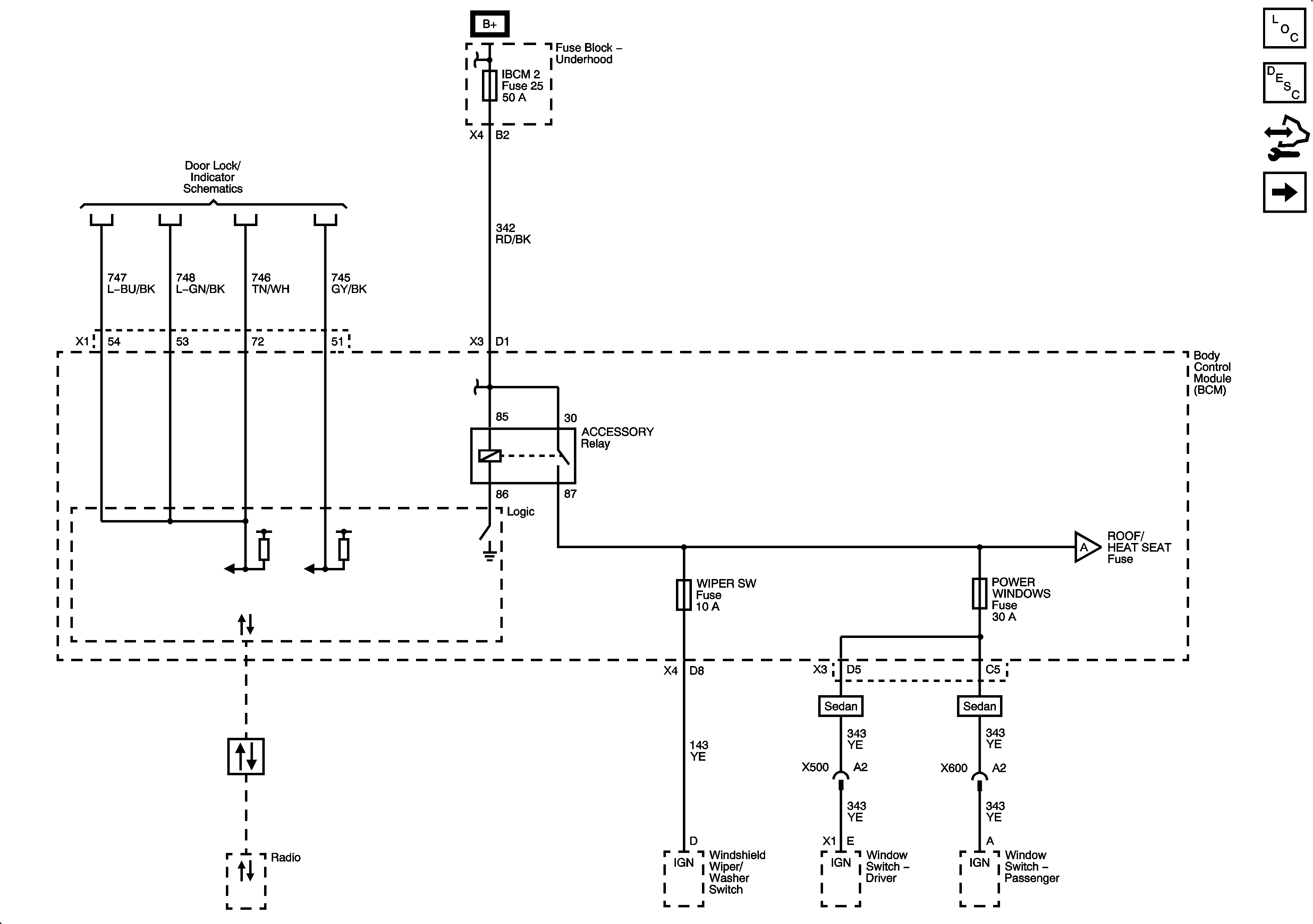
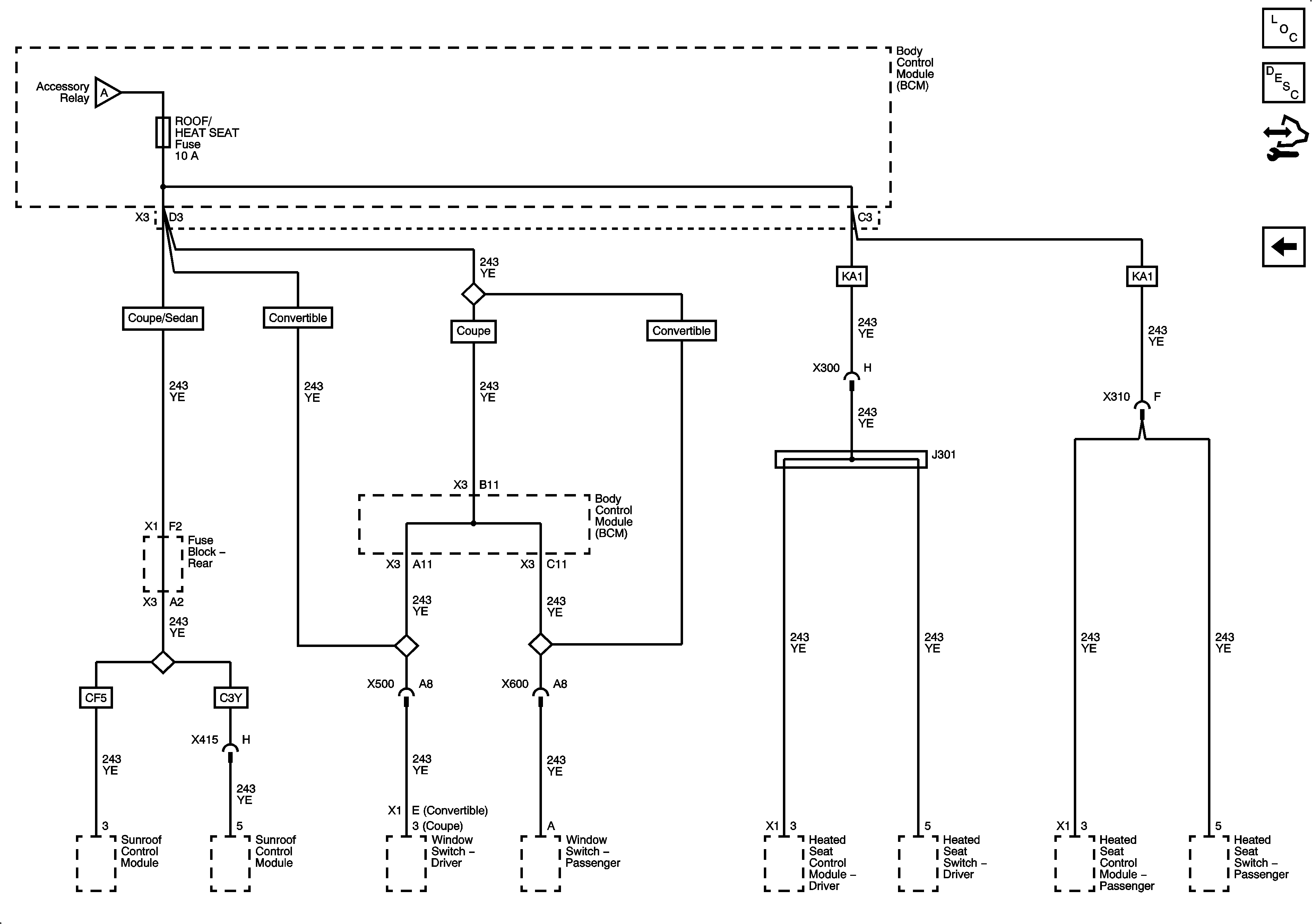
🢒 Power Moding Schematics
Figure
1:
1 of 2
Figure
2:
2 of 2