GM Service Manual Online
For 1990-2009 cars only
Figure 1:

Underhood Fuse Block - B+ Bus (1 of 2)


Object Number: 2079460  Size: FS
Figure 2:

Underhood Fuse Block B+ (2 of 2)


Object Number: 2150080  Size: FS
Figure 3:

Underhood Fuse Block - IBCM 1, BCM, AIRBAG (BATT), CLUSTER/THEFT, HVAC CTRL (BATT), IGN SENSOR and RADIO Fuses and Ignition Switch


Object Number: 2079461  Size: SH
Figure 4:

Underhood Fuse Block RBEC 1 and Rear Fuse Block AUDIO AMP, BACK UP LP, CIG/AUX, FOLDING TOP LOGIC POWER HTD ST, RKE/XM/DVD/UGD, RR DEFOG and SUN RF Fuses and BACK UP LP and RR DEFOG Relays


Object Number: 2079462  Size: FS
Figure 5:

Underhood Fuse Block RBEC 2 Fuse and RUN RLY, BCM, HVAC BLOWER HIGH and RUN Relays, HVAC BLOWER and HVAC CTRL (IGN) Fuses, Rear Fuse Block FUEL, PARK LPS and TRUNK Relays, DRV ST, EMISSION 2, FOLDING T


Object Number: 2079467  Size: FS
Figure 6:

Underhood Fuse Block DRL, LO/BEAM and HI/BEAM Relay, ABS, DRL, EPS, IBCM 1, IBCM 2, LT HI BEAM, LT LOW BEAM, PCM, PWR WDO CPE/CONV, RT HI BEAM, RT LOW BEAM, and TCM Fuses


Object Number: 2079473  Size: FS
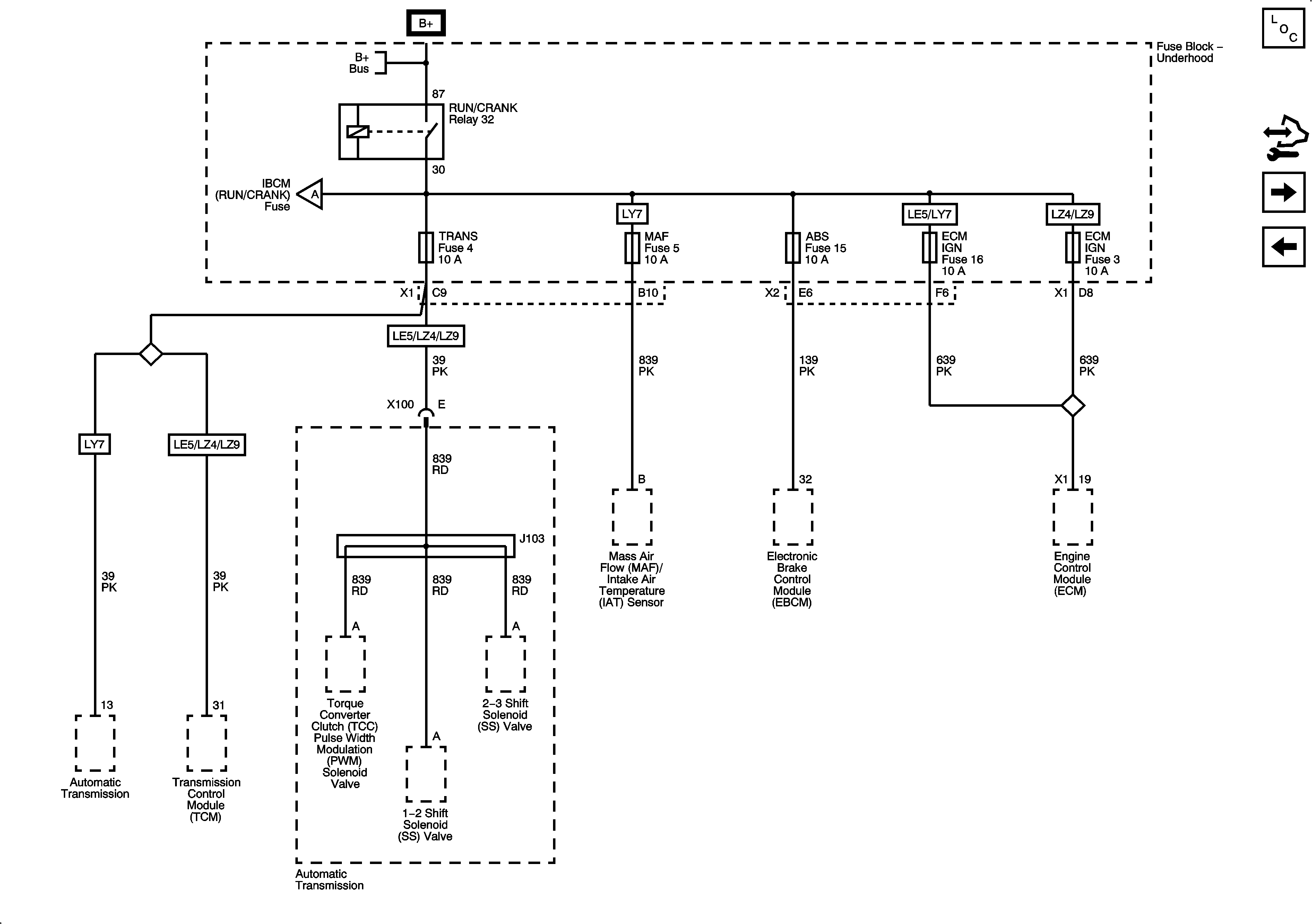
Figure 7:

Underhood Fuse Block RUN/CRANK Relay, ABS, IGN 1, INJ, PCM IGN 1 and TRANS Fuses


Object Number: 2079477  Size: FS
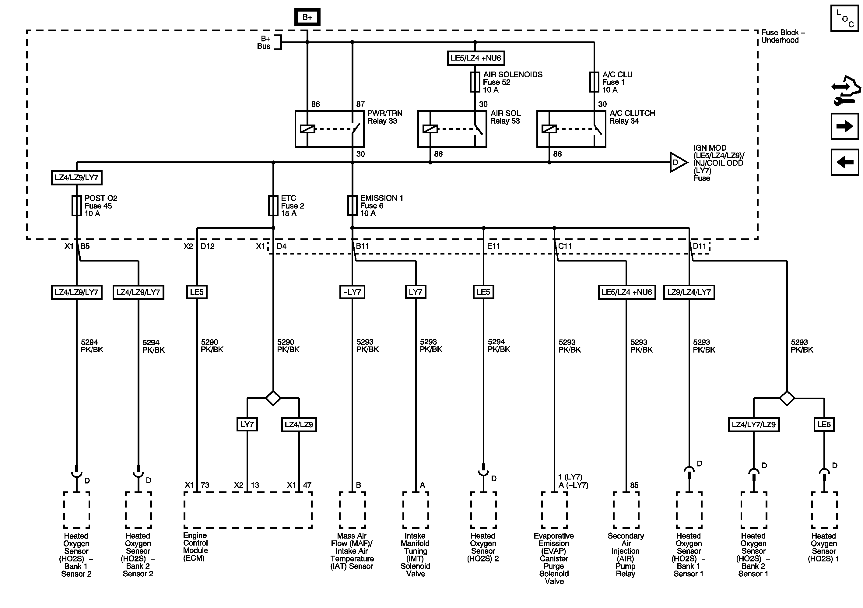
Figure 8:

Underhood Fuse Block A/C CLUTCH, AIR SOL (LE5/LZ4 with NU6), and PWR/TRN Relays, EMISSION 1, ETC, POST O2 (LZ4/LZ9/LY7), A/C CLU, and AIR SOLENOIDS (LE5/LZ4 with NU6) Fuses


Object Number: 2079480  Size: FS
Figure 9:

Underhood Fuse Block, IGN MOD (LE5/LZ4/LZ9), INJ/COIL ODD (LY7), INJECTORS (LE5/LZ4/LZ9), and INJ/COIL EVEN (LY7) Fuses


Object Number: 2150569  Size: FS
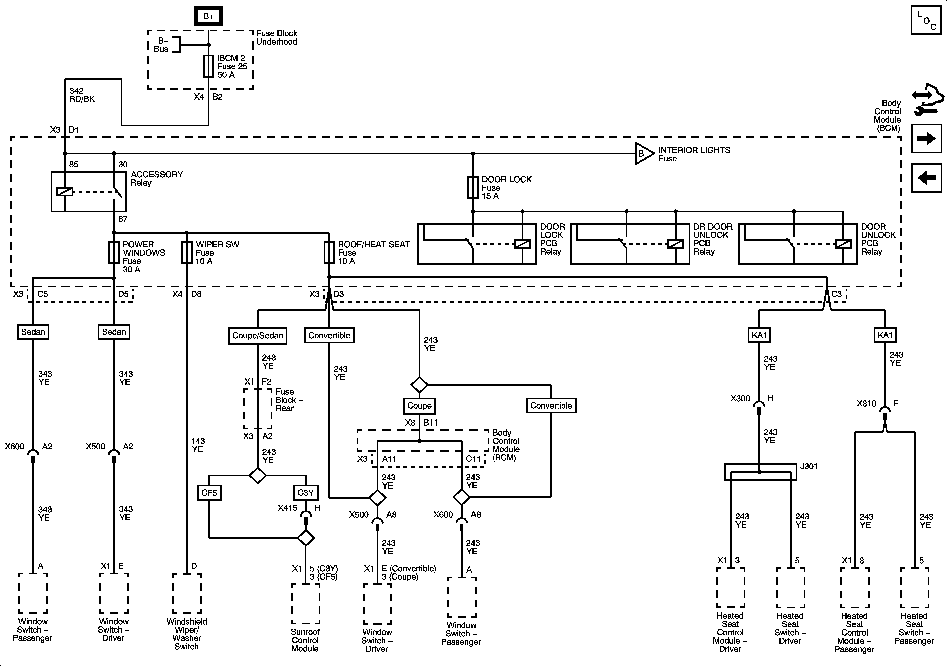
Figure 10:

Underhood Fuse Block IBCM 2 Fuse, BCM ACCESSORY Relay, DOOR LOCK, POWER WINDOWS, ROOF/HEAT SEAT and WIPER SW Fuses


Object Number: 2079483  Size: FS
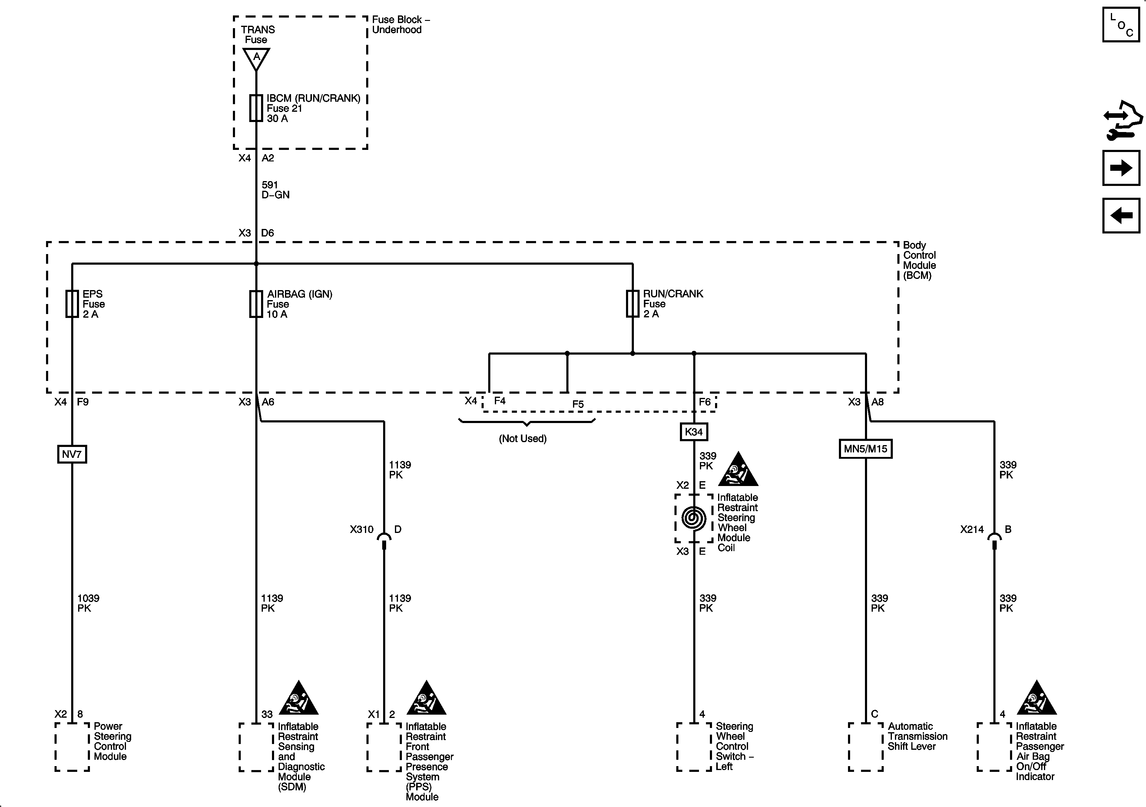
Figure 11:

Underhood Fuse Block IBCM (RUN/CRANK), BCM AIRBAG (IGN), EPS and RUN/CRANK Fuses


Object Number: 2079485  Size: FS
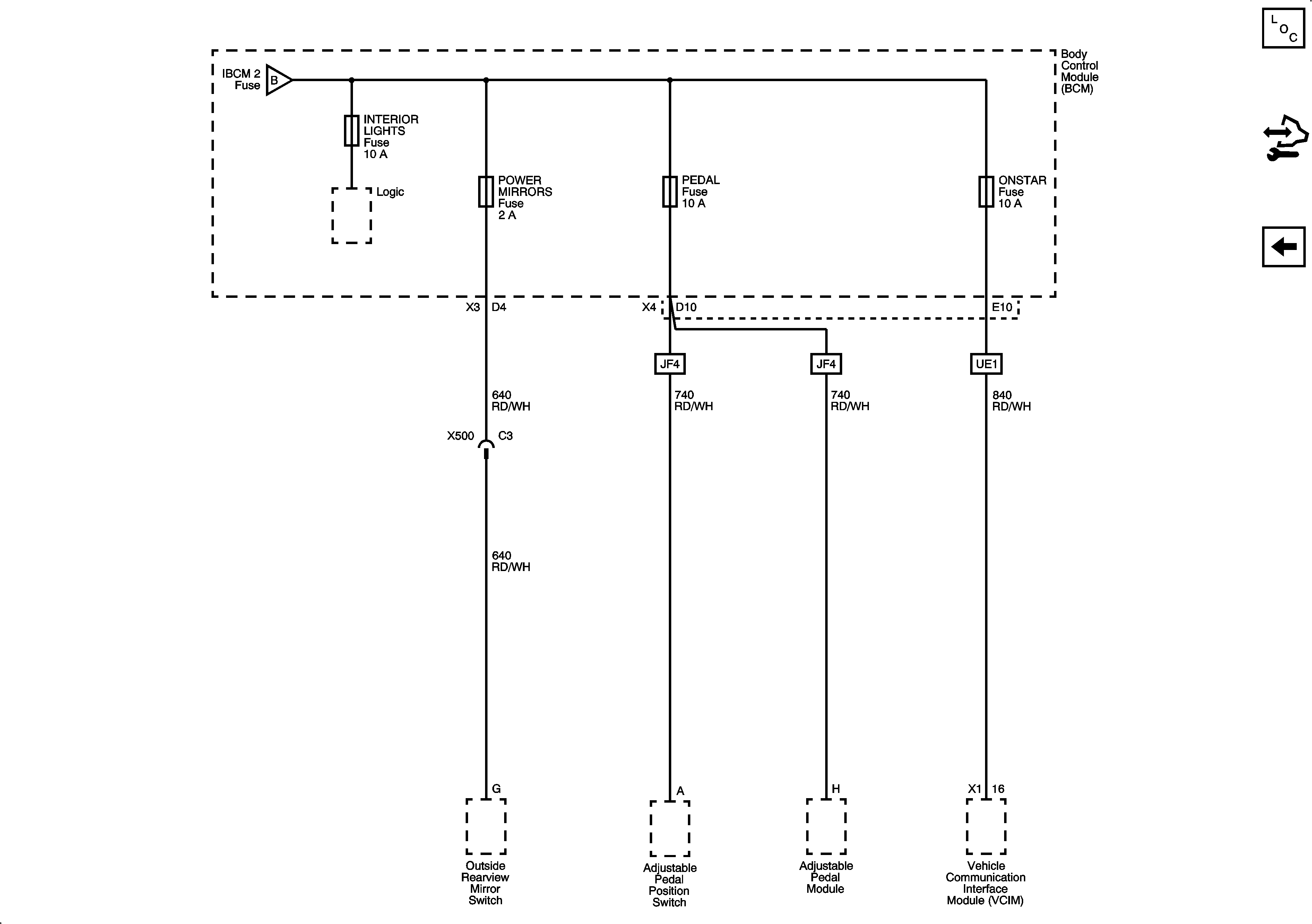
Figure 12:

BCM INTERIOR LIGHTS, ONSTAR™, PEDAL and POWER MIRRORS Fuses


Object Number: 2079491  Size: FS