GM Service Manual Online
For 1990-2009 cars only
Figure 1:

G101 and G102


Object Number: 2079111  Size: FS
Figure 2:

G103, G104, and G105


Object Number: 2079126  Size: FS
Figure 3:

G106


Object Number: 2079130  Size: FS
Figure 4:

G109


Object Number: 2079136  Size: FS
Figure 5:

G110 (LE5)


Object Number: 2079139  Size: FS
Figure 6:

G111 and G113


Object Number: 2079141  Size: FS
Figure 7:

G201


Object Number: 2079144  Size: FS
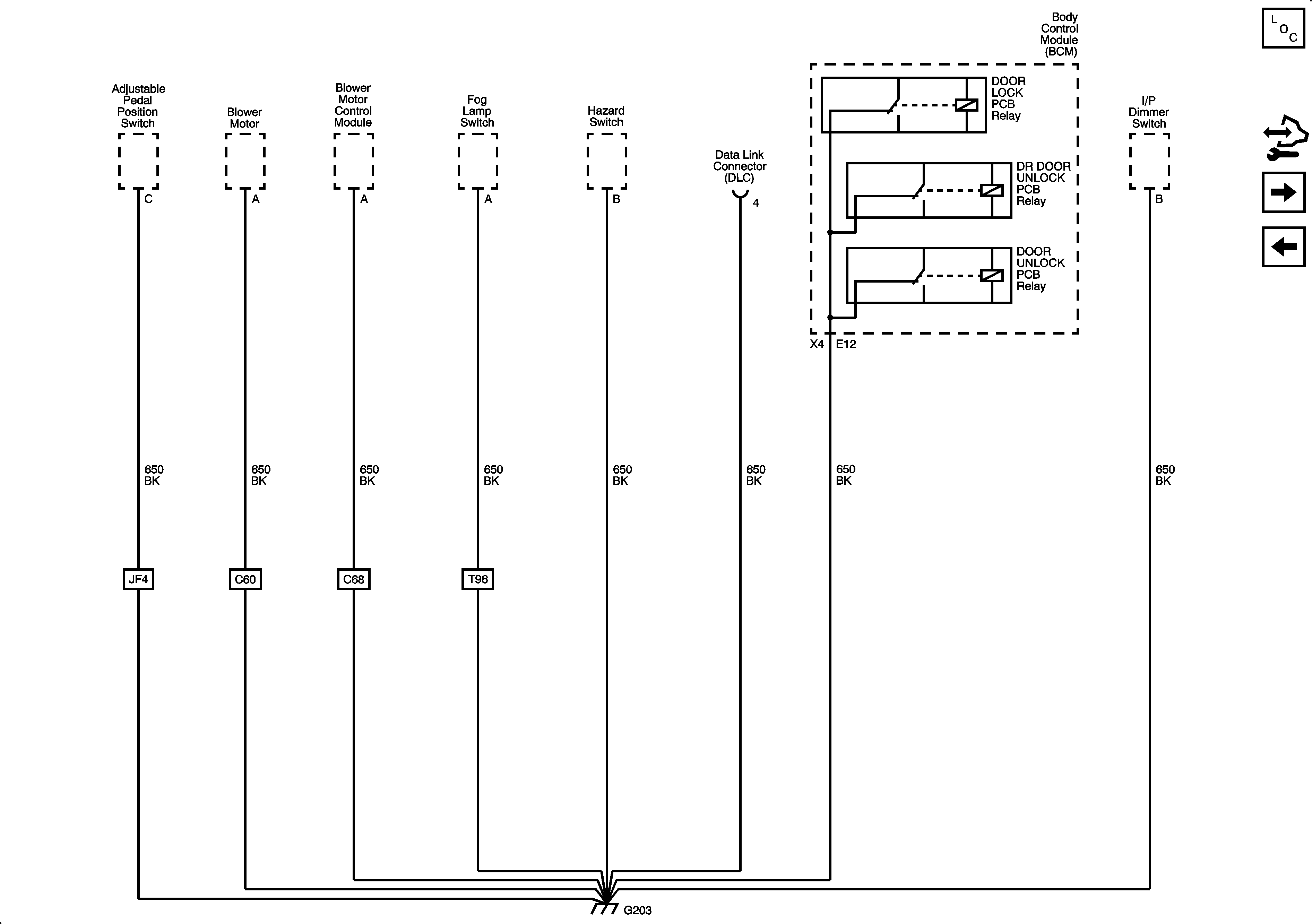
Figure 8:

G203


Object Number: 2079147  Size: FS
Figure 9:

G301


Object Number: 2079150  Size: FS
Figure 10:

G302


Object Number: 2079155  Size: FS
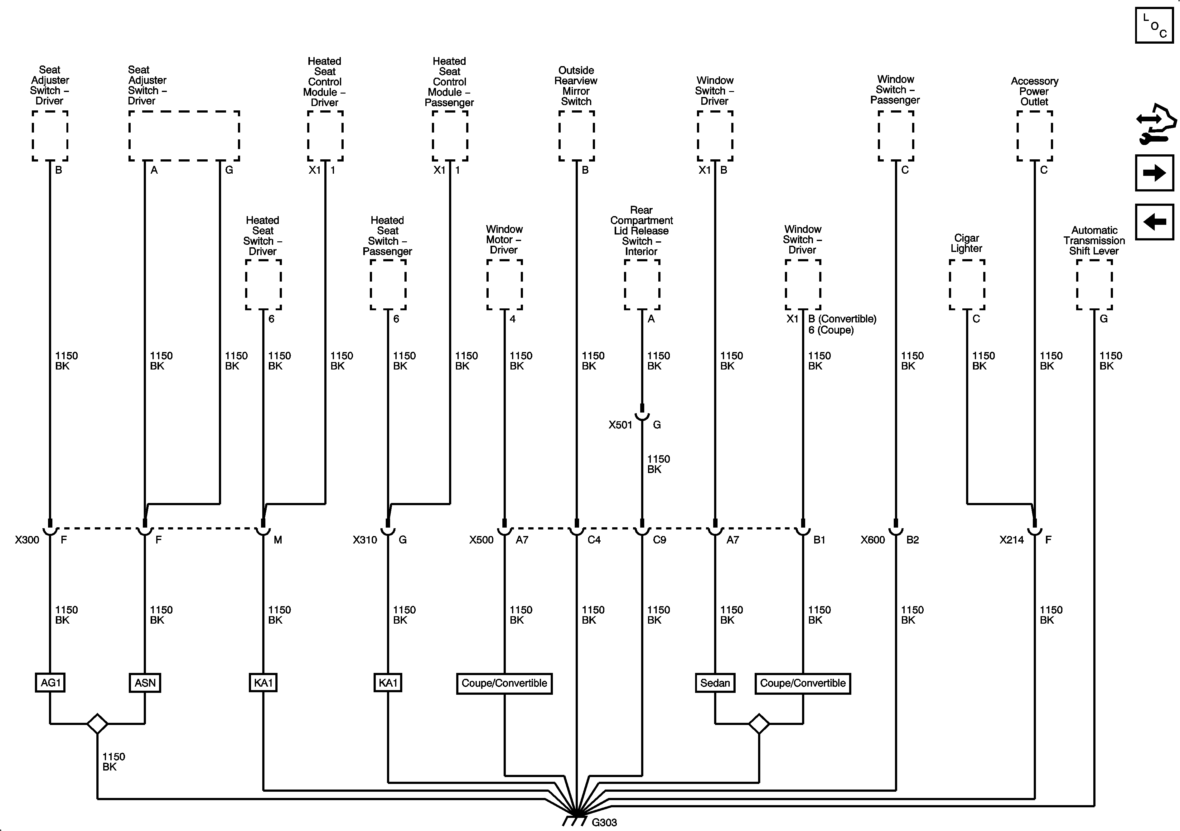
Figure 11:

G303


Object Number: 2079157  Size: FS
Figure 12:

G304 and G305


Object Number: 2079163  Size: FS
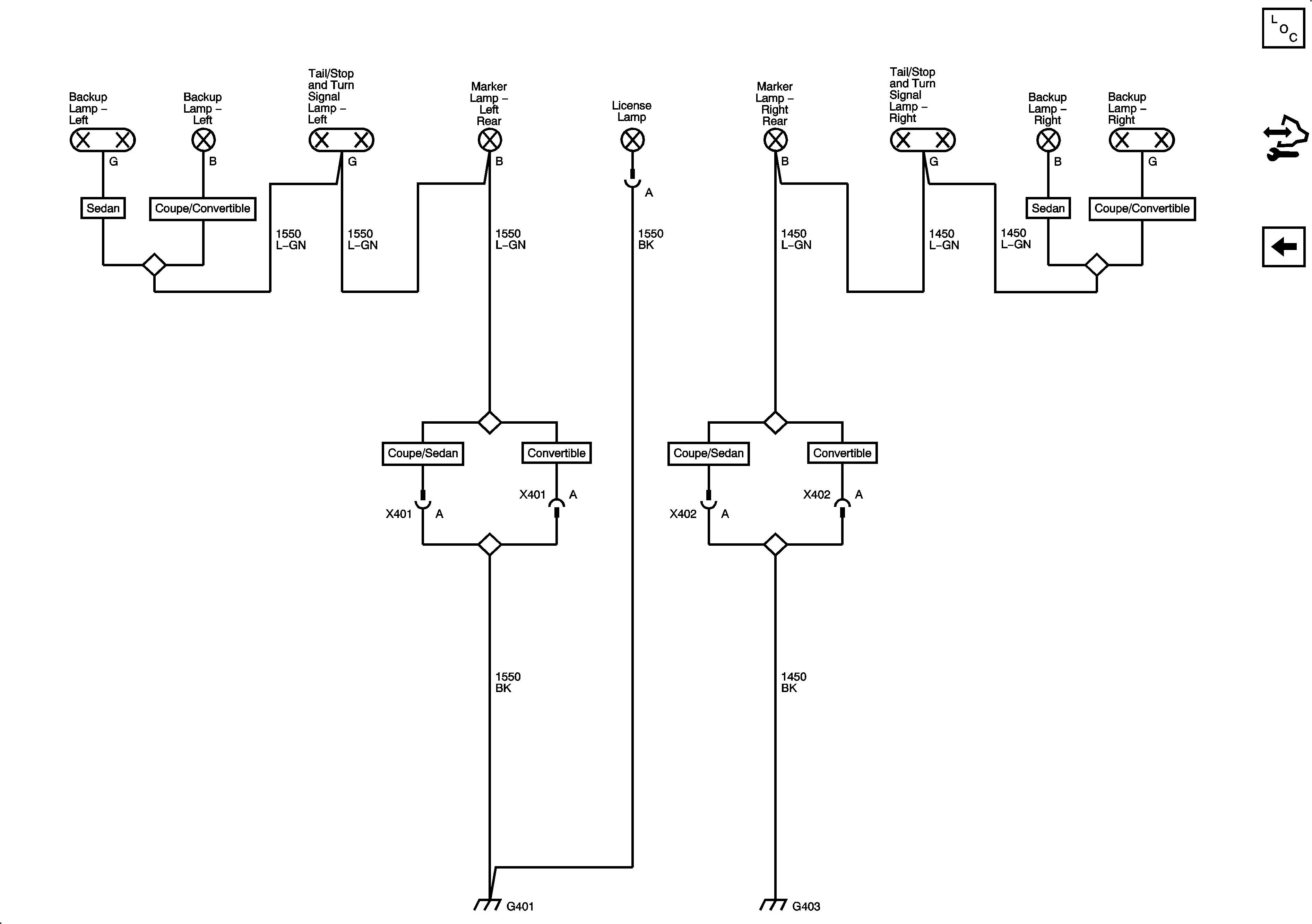
Figure 13:

G401 and G403


Object Number: 2079169  Size: FS