GM Service Manual Online
For 1990-2009 cars only
Makes
🢒
Pontiac
🢒
2009
🢒
G6
🢒
Diagnostic Navigation
🢒
Vehicle Diagnostic Information
🢒 Engine Controls Schematics
Figure
1:
Module Power, Ground, Serial Data, and MIL
Figure
2:
5-Volt and Low References
Figure
3:
Engine Data Sensors - Pressure, Temperature, and Throttle Controls
Figure
4:
Engine Data Sensors - HO2S
Figure
5:
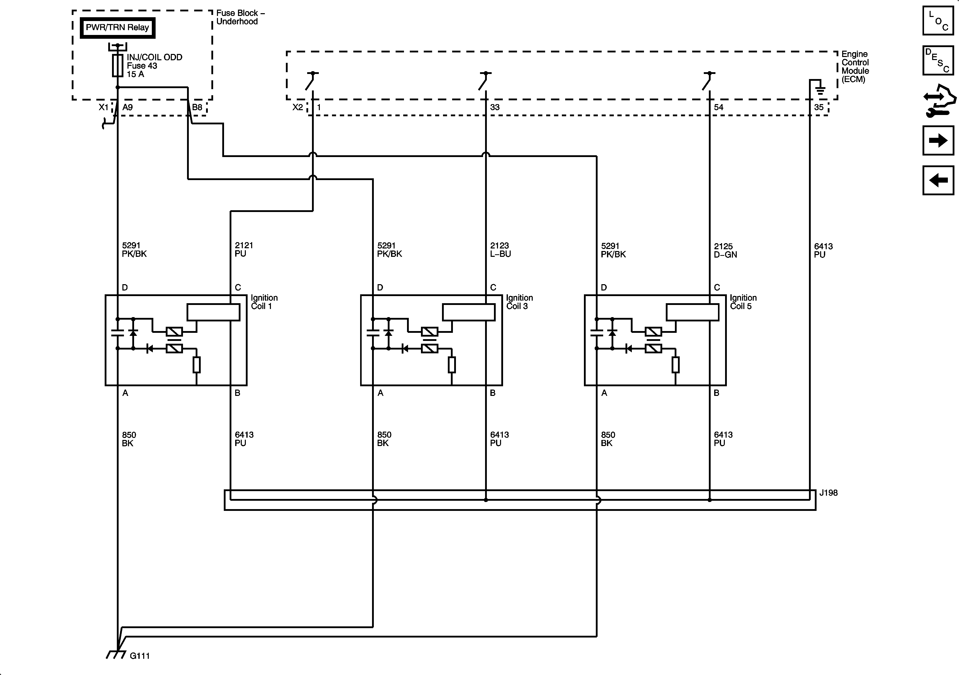
Ignition Controls - Ignition System Coils 1, 3, and 5
Figure
6:
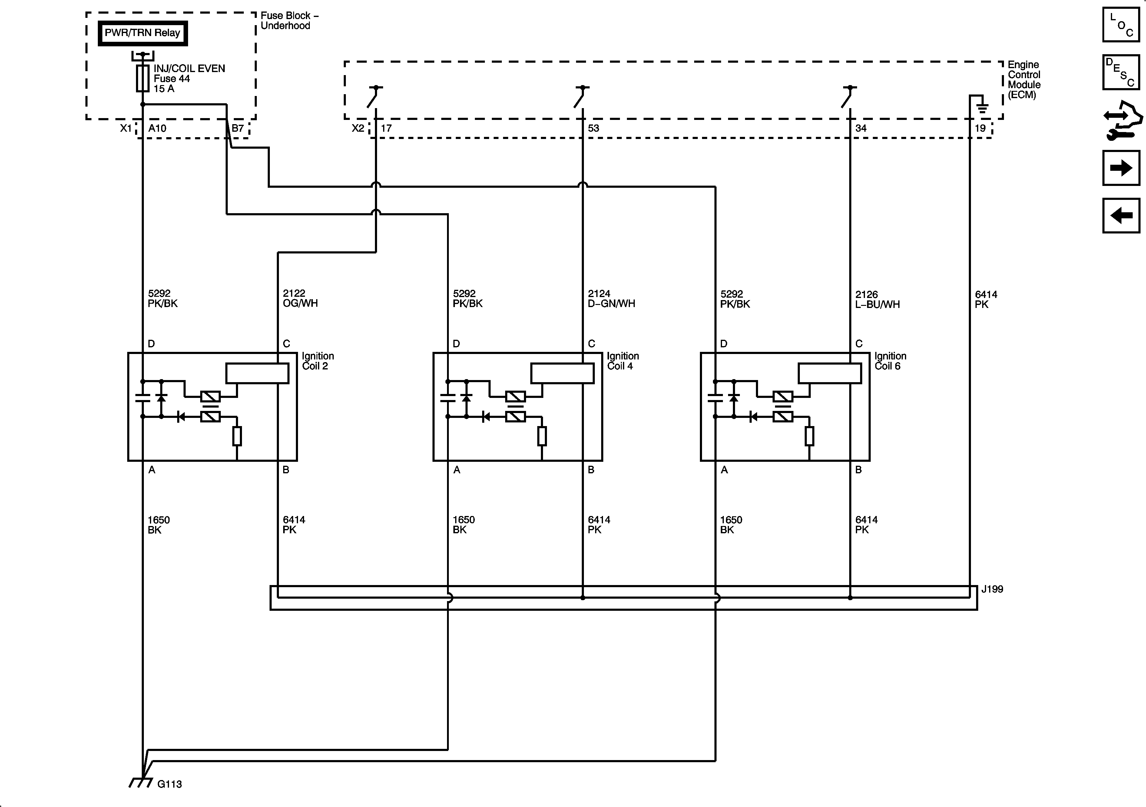
Ignition Controls - Ignition System Coils 2, 4, and 6
Figure
7:
Ignition Controls - Camshaft Sensors/Actuators
Figure
8:
Ignition Controls - Crankshaft/Knock Sensors
Figure
9:
Fuel Controls - Fuel Injectors and Fuel Pump Controls
Figure
10:
Fuel Controls - EVAP Controls and Manifold Tuning
Figure
11:
Controlled/Monitored Subsystem References