GM Service Manual Online
For 1990-2009 cars only
Figure 1:

Module Power, Ground, Serial Data, and MIL


Object Number: 2078969  Size: FS
Figure 2:

5-Volt and Low References


Object Number: 2078984  Size: FS
Figure 3:

Engine Data Sensors - Pressure, Temperature, and Throttle Controls


Object Number: 2078987  Size: FS
Figure 4:

Engine Data Sensors - HO2S


Object Number: 2078991  Size: FS
Figure 5:

Ignition Controls - Ignition System


Object Number: 2078992  Size: FS
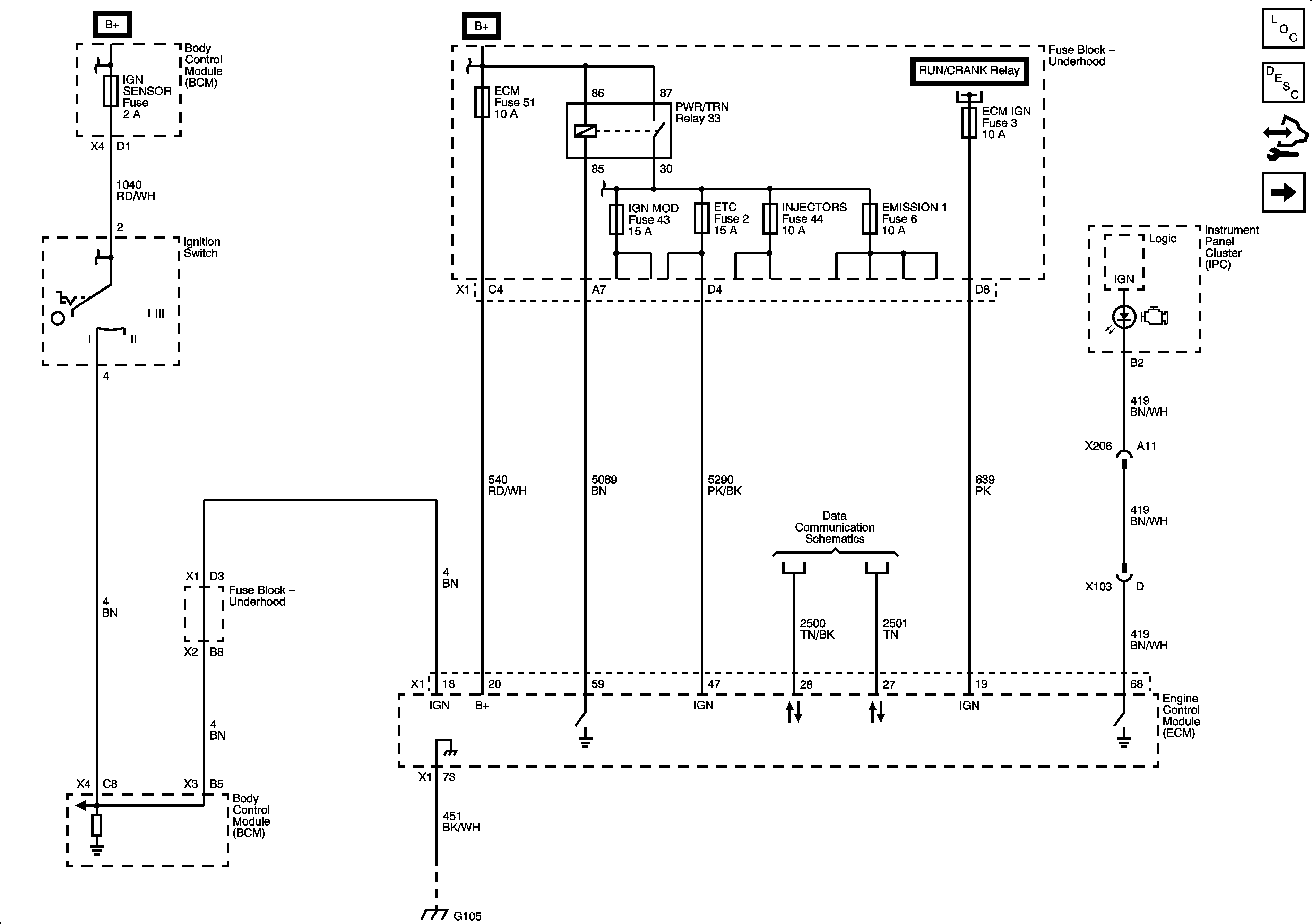
Figure 6:

Ignition Controls - Sensors/Actuators


Object Number: 2078994  Size: FS
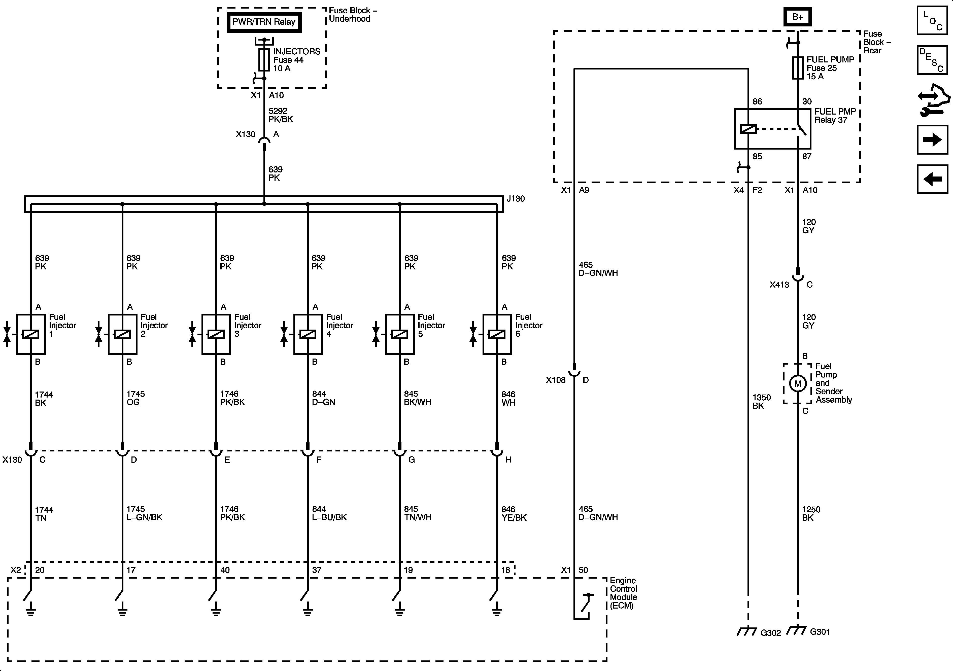
Figure 7:

Fuel Controls - Fuel Injectors and Fuel Pump Controls


Object Number: 2079002  Size: FS
Figure 8:

Fuel Controls - EVAP Controls


Object Number: 2079007  Size: FS
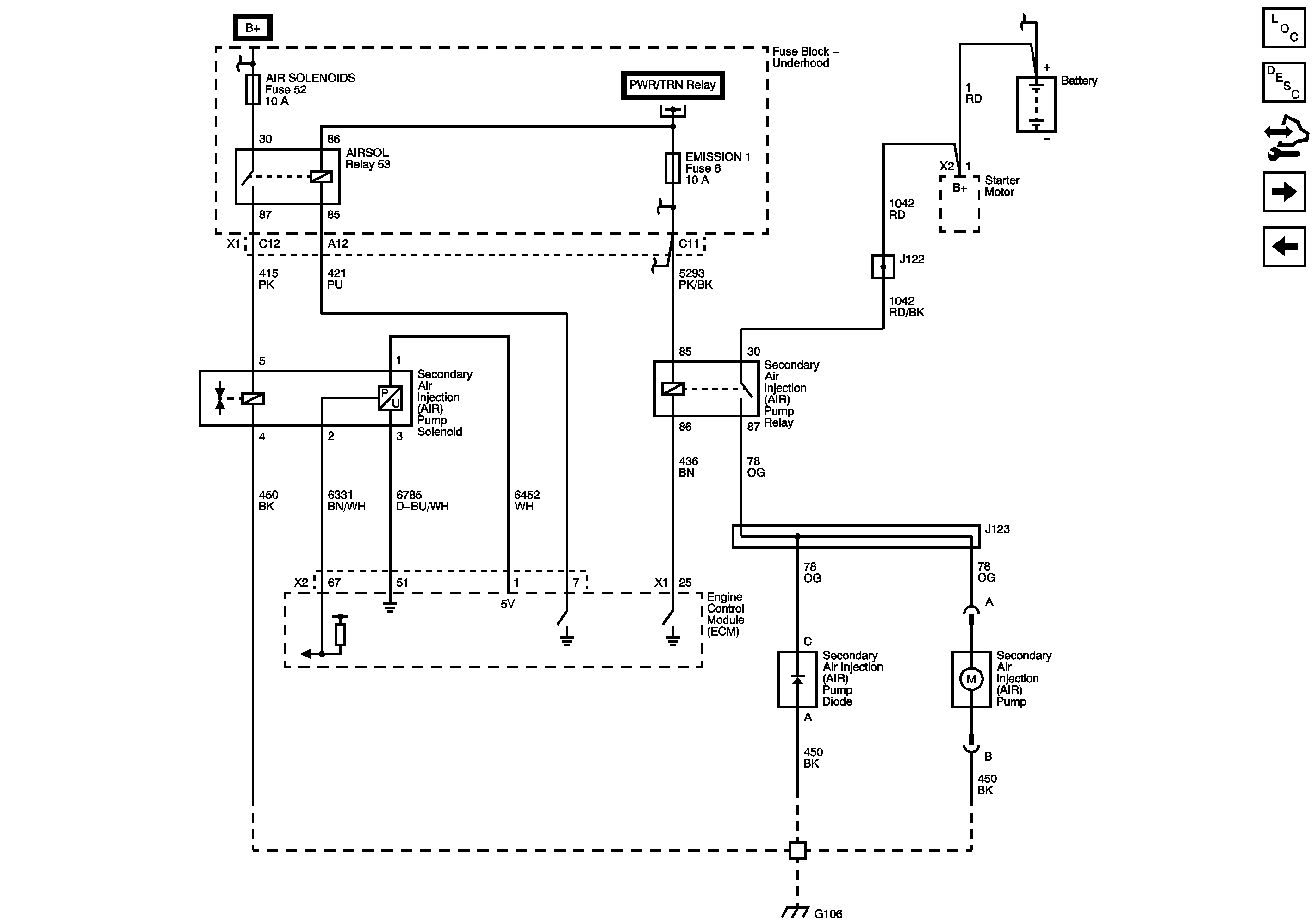
Figure 9:

Secondary Air Injection (AIR) (NU6)


Object Number: 2150189  Size: FS
Figure 10:

Controlled/Monitored Subsystem References


Object Number: 2079009  Size: FS