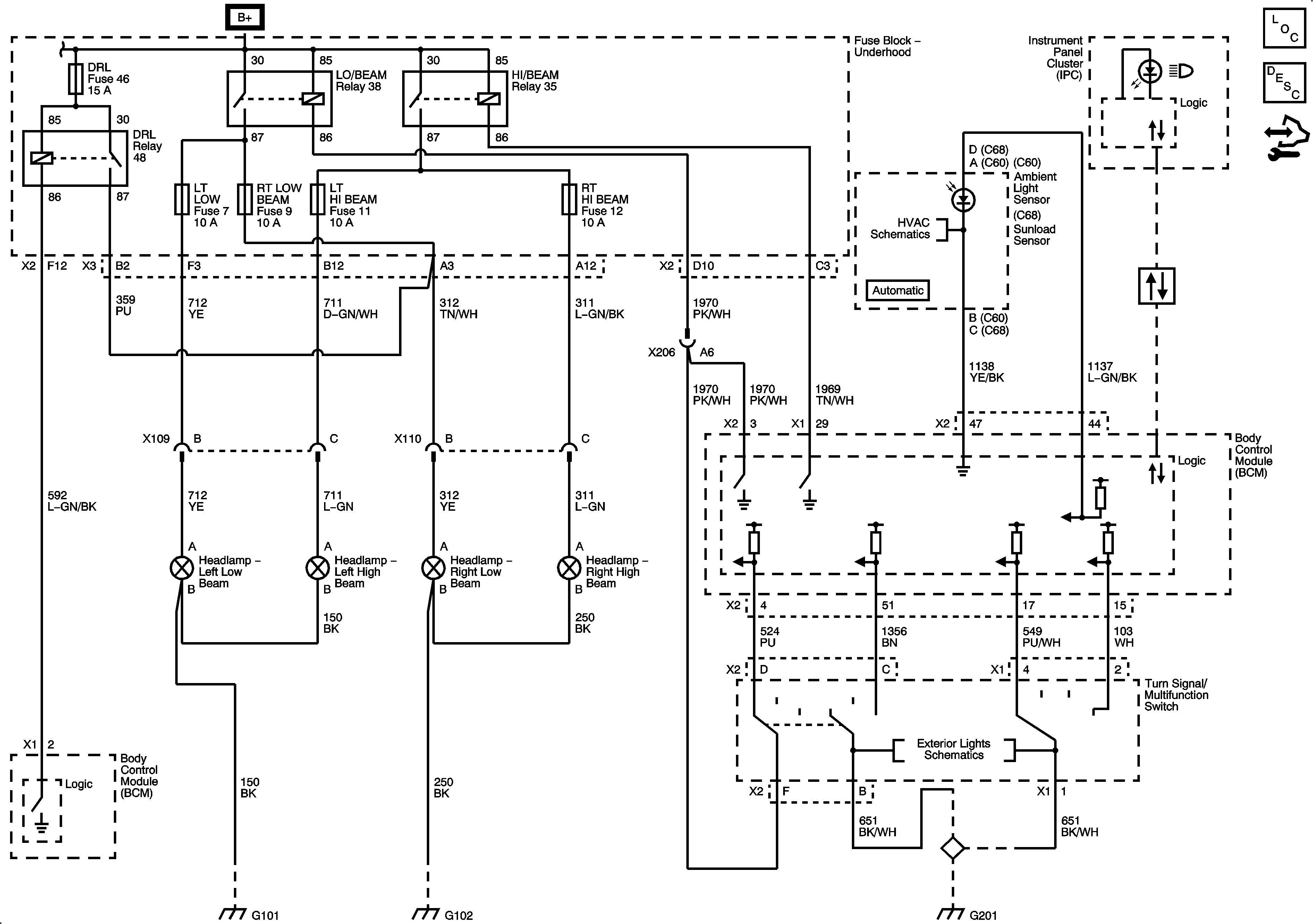
GM Service Manual Online
For 1990-2009 cars only
Makes
🢒
Pontiac
🢒
2009
🢒
G6
🢒
Body Systems
🢒
Lighting
🢒 Headlights/Daytime Running Lights (DRL) Schematics