GM Service Manual Online
For 1990-2009 cars only
Figure 1:

Ambient Light Sensor, Brake Pedal Position Sensor, Hazard Switch and Turn Signal/Multifunction Switch


Object Number: 2078529  Size: FS
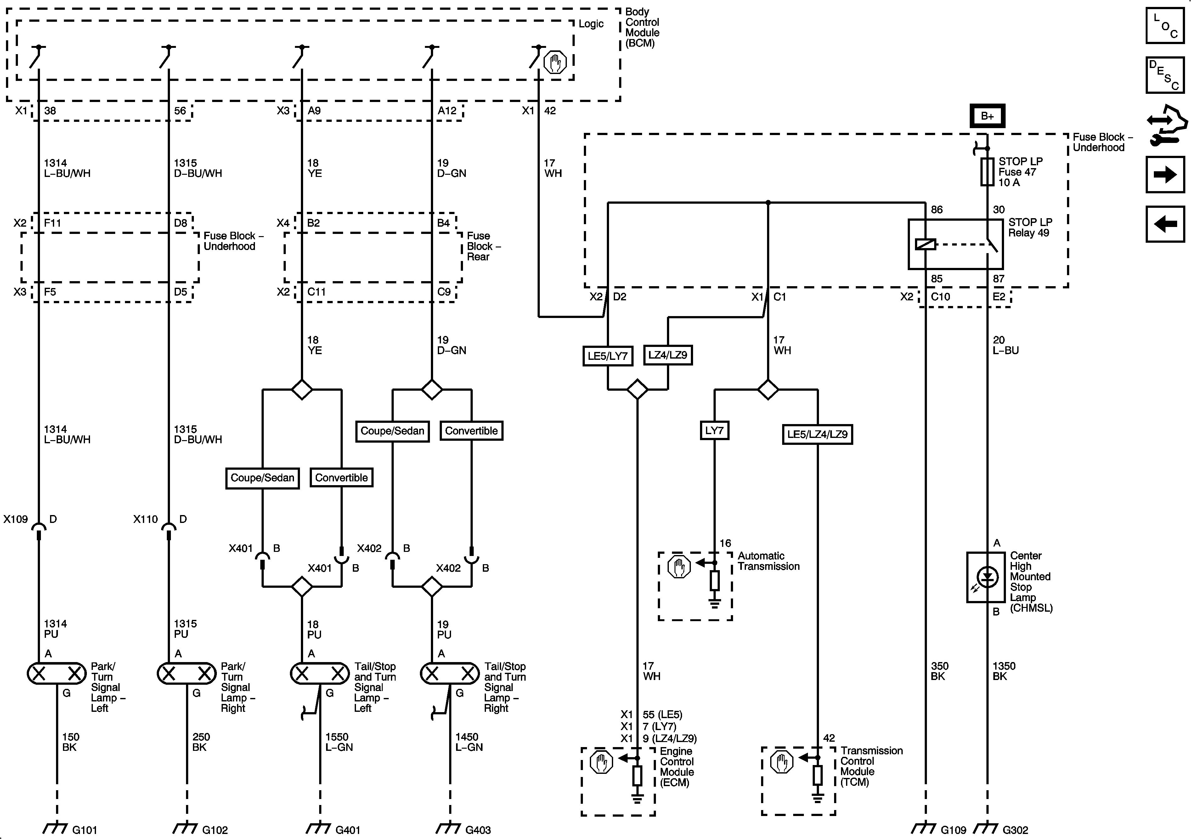
Figure 2:

Turn Signals and Stop Lamps


Object Number: 2078548  Size: FS
Figure 3:

Park Lamps


Object Number: 2078655  Size: FS
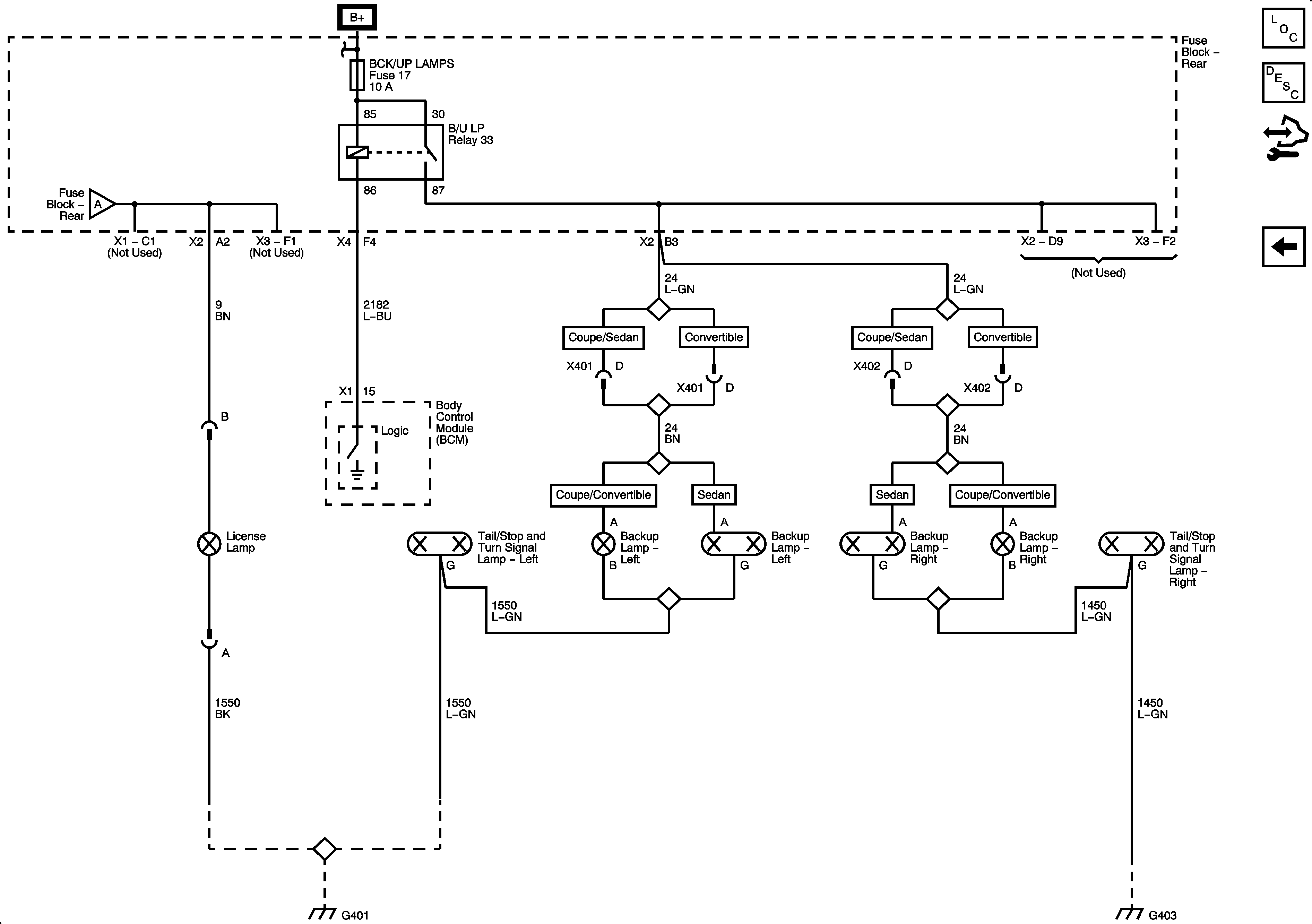
Figure 4:

License Lamps and Backup Lamps


Object Number: 2078669  Size: FS