GM Service Manual Online
For 1990-2009 cars only
Figure 1:

Dimmer Switch Inputs


Object Number: 2078676  Size: FS
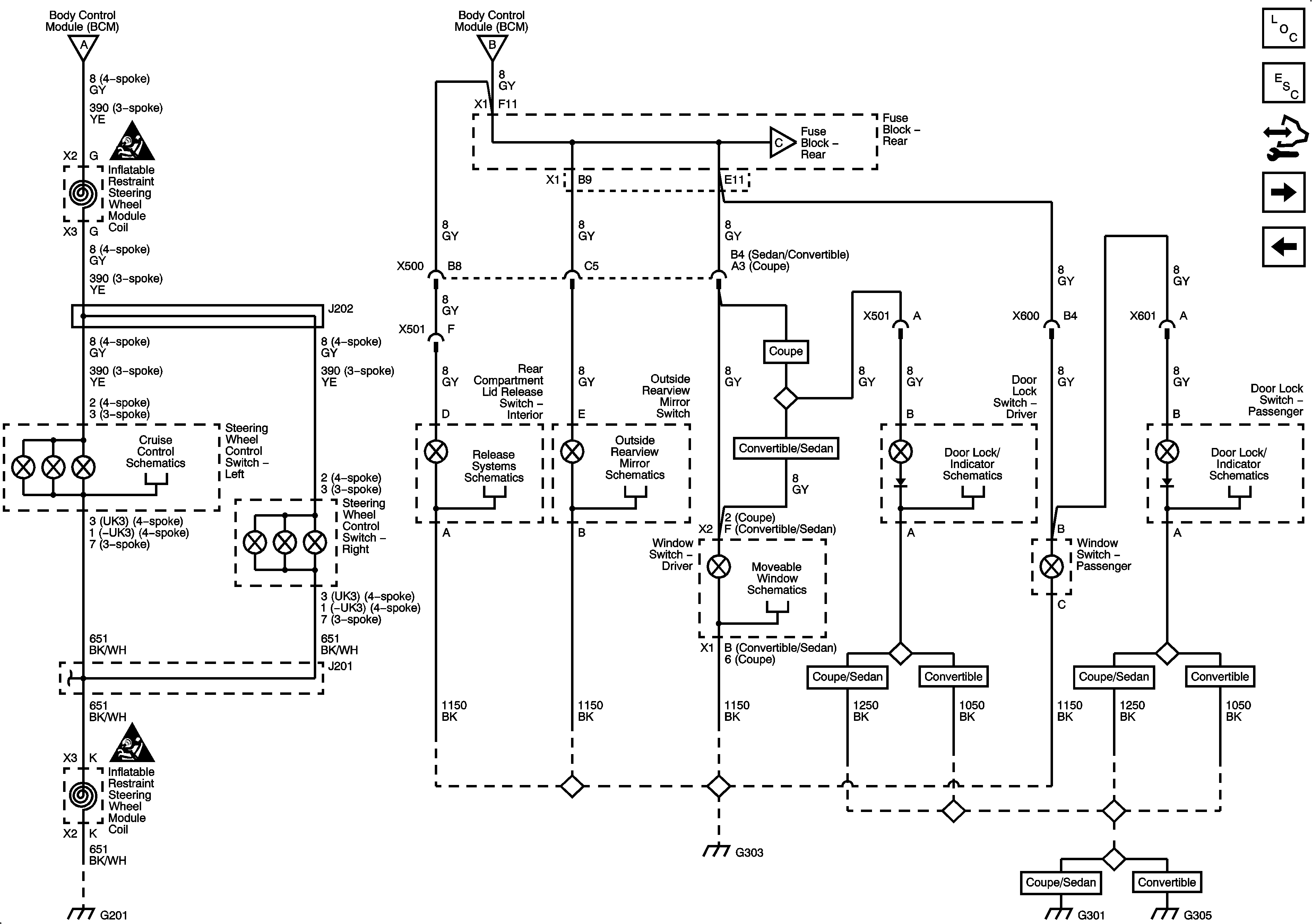
Figure 2:

Steering Wheel and Doors


Object Number: 2078677  Size: FS
Figure 3:

Seats and Center Console


Object Number: 2078679  Size: FS